电脑桌面
添加小米粒文库到电脑桌面
安装后可以在桌面快捷访问

水电站项目建设项目可行性研究报告

水电站项目建设项目可行性研究报告_第1页
1/232
水电站项目建设项目可行性研究报告_第2页
2/232
水电站项目建设项目可行性研究报告_第3页
3/232
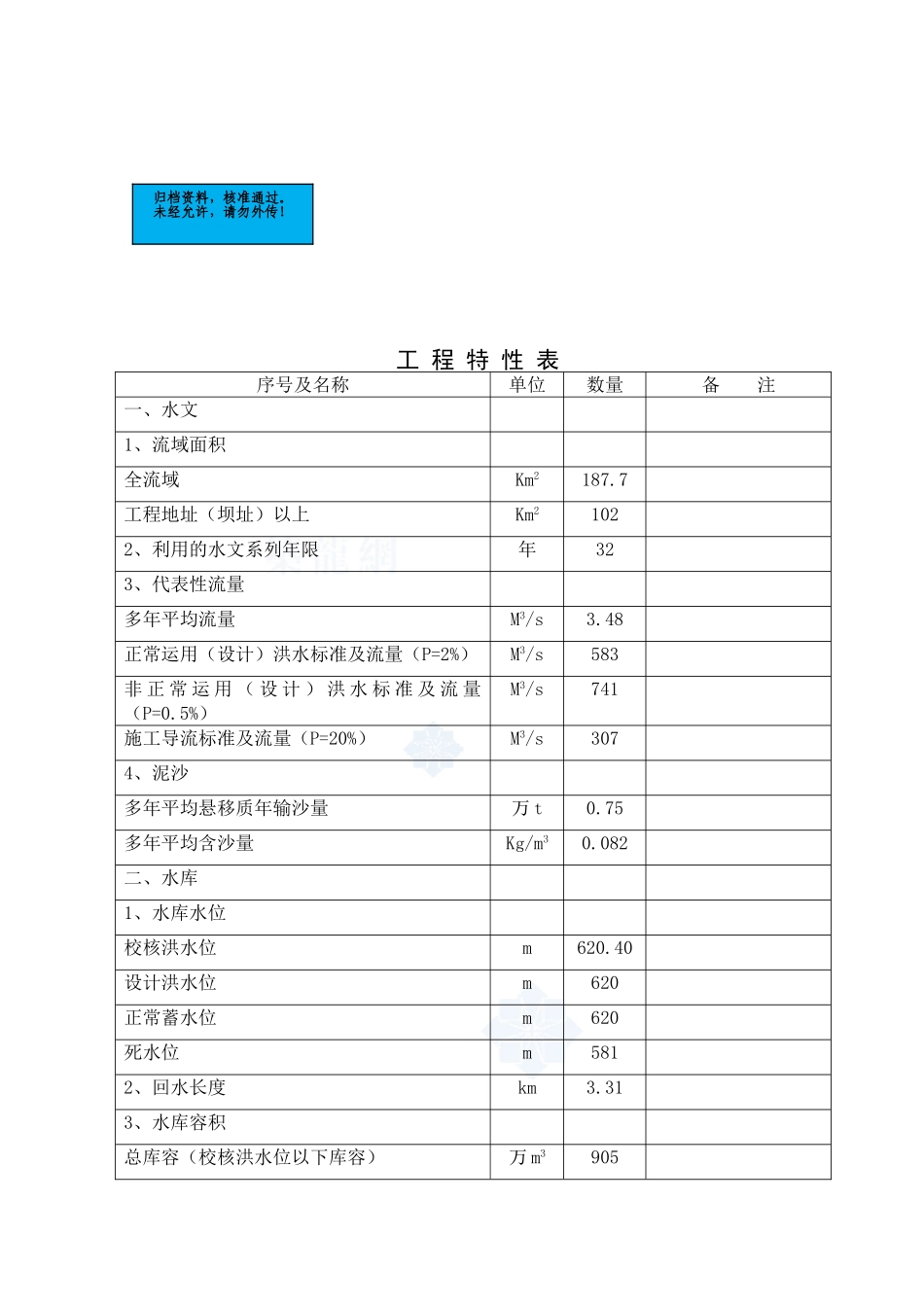
归档资料,核准通过。未经允许,请勿外传!工 程 特 性 表序号及名称单位数量备 注一、水文1、流域面积全流域Km2187.7工程地址(坝址)以上Km21022、利用的水文系列年限年323、代表性流量多年平均流量M3/s3.48正常运用(设计)洪水标准及流量(P=2%)M3/s583非 正 常 运 用 ( 设 计 ) 洪 水 标 准 及 流 量(P=0.5%)M3/s741施工导流标准及流量(P=20%)M3/s3074、泥沙多年平均悬移质年输沙量万 t0.75多年平均含沙量Kg/m30.082二、水库1、水库水位校核洪水位m620.40设计洪水位m620正常蓄水位m620死水位m5812、回水长度km3.313、水库容积总库容(校核洪水位以下库容)万 m3905正常蓄水位以下库容万 m3885调节库容(正常蓄水位至死水位)万 m3848.7死库容万 m336.334、下泄流量及相应下游水位(1)设计洪水位时最大泄量m3/s580相应下游水位m566.27工 程 特 性 表序号及名称单位数量备 注(2)校核洪水位时最大泄量m3/s638相应下游水位m566.64三、厂房设计洪水位(P=2%)m398洪水流量 998m3/s校核洪水位(P=1%)M398.40洪水流量 1067m3/s正常尾水位M396四、工程效益指标1、发电效益 装机容量MW16 保证出力(P=90%)MW2.75 多年平均发电量万 kw.h5714 年利用小时数H35712、航运效益 改善航道里程km 过船吨位T五、淹没损失及工程永久占地1、淹没人口人742、淹没耕地(P=50%)亩204水田 104、旱地1003、工程永久占地亩424、施工临时占地亩214六、主要建筑物及设备1、挡水建筑物(坝、闸)型式砌石拱坝 地基特性粉砂岩 地震基本烈度/设防烈度Ⅵ 顶部高程(坝)m621.30 最大坝高m67 顶部长度m160.74工 程 特 性 表序号及名称单位数量备 注2、泄水建筑物(溢流堰)形式地基特性粉砂岩 堰顶高程m615 溢流段长度m33 最大单宽流量m3/(sm)21.3 消能方式面流消能 闸门形式弧形钢闸门 设计泄洪流量m3/s580 校核泄洪流量m3/s6384、厂房 形式引水 地基特征粉砂岩 主厂房尺寸(长×宽×高)m29.38×15.9×12.9 水轮机安装高程M393.895、开关站 形式户外 地基特性粉砂岩 面积(长×宽)m×m29.8×266、主要机电设备水轮机台数台数2型号HLA351-LJ-115额定出力MW8000 定额转速R/min750 最大水头m221 最小水头m183 额定水头m192 额定流量m3/s5.0 发电机台数台2工 程 特 性 表序号及名称单位数量备 注型号SF8000-8/2600 单机容量MW8 功率因数0.8 定额电压KV6.3 调速器YWT-30003、引水建...

1、当您付费下载文档后,您只拥有了使用权限,并不意味着购买了版权,文档只能用于自身使用,不得用于其他商业用途(如 [转卖]进行直接盈利或[编辑后售卖]进行间接盈利)。
2、本站所有内容均由合作方或网友上传,本站不对文档的完整性、权威性及其观点立场正确性做任何保证或承诺!文档内容仅供研究参考,付费前请自行鉴别。
3、如文档内容存在违规,或者侵犯商业秘密、侵犯著作权等,请点击“违规举报”。

碎片内容

水电站项目建设项目可行性研究报告

您可能关注的文档

确认删除?
VIP
微信客服
  • 扫码咨询
会员Q群
  • 会员专属群点击这里加入QQ群
客服邮箱
回到顶部