电脑桌面
添加小米粒文库到电脑桌面
安装后可以在桌面快捷访问

浙江省消防技术规范难点问题操作技术指南-2025修订稿

浙江省消防技术规范难点问题操作技术指南-2025修订稿_第1页
1/40
浙江省消防技术规范难点问题操作技术指南-2025修订稿_第2页
2/40
浙江省消防技术规范难点问题操作技术指南-2025修订稿_第3页
3/40
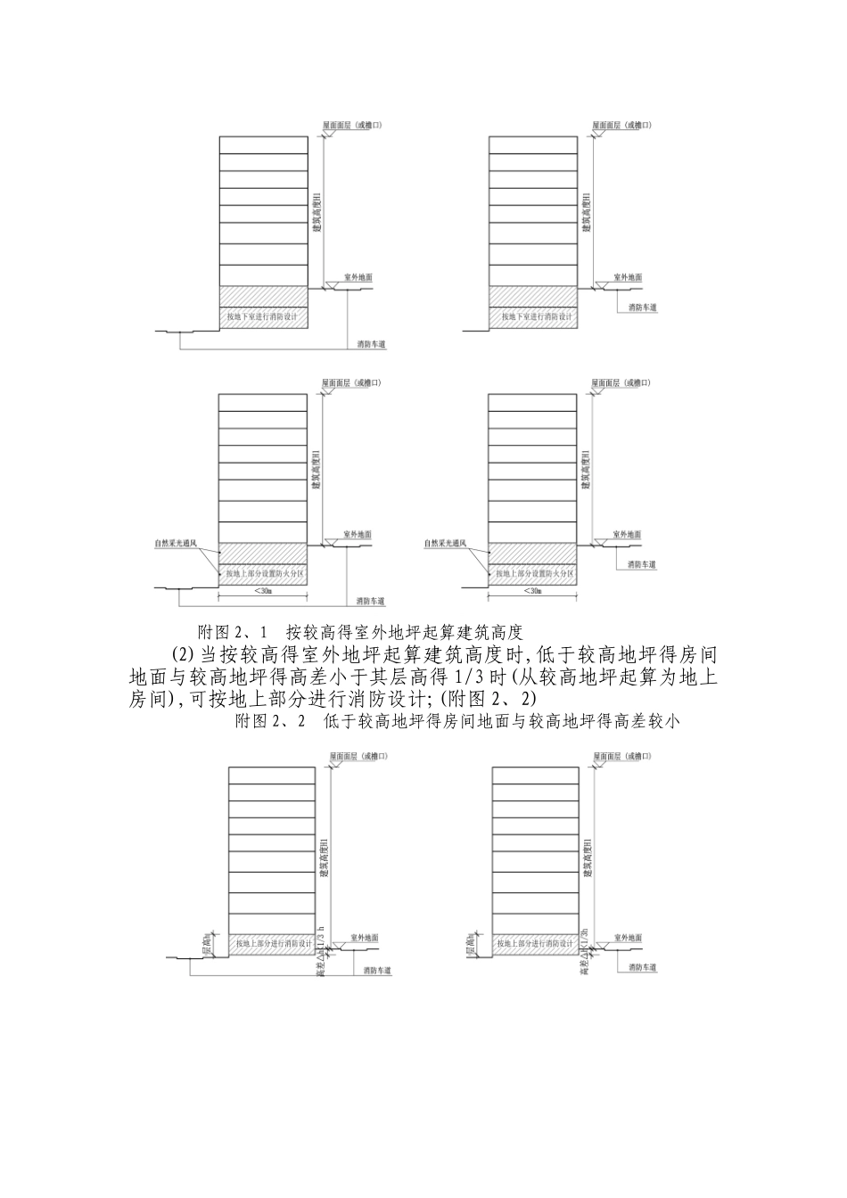
浙江省消防技术法律规范难点问题操作技术指南(2025 年修订稿)《建筑设计防火法律规范》、《消防给水及消火栓系统技术法律规范》与《火灾自动报警系统设计法律规范》等多部国家标准已经相继修订、发布并执行了一段时间,2025 年编制发布得《浙江省消防技术法律规范难点问题操作技术指南》中相应条款亟需调整。为实现新旧标准得有效衔接并解决实际项目设计、审核、验收中存在得问题,经与省建设厅协商同意,省公安消防总队于 2025 年 58 月组织召开了《浙江省消防技术法律规范难点问题操作技术指南技术指南》修订研讨会,形成征求意见稿。经向各市公安消防支队、设计单位、施工图审查机构征求意见,并于 2025 年 8 月 3031 日召开专家评审会,根据评审会意见修改后形成《技术指南(2025 年修订稿)》,具体内容如下:一、建筑分类与耐火等级1、《建筑设计防火法律规范》GB500162025(以下简称《建筑设计防火法律规范》)附录 A 中建筑高度与建筑层数得计算方法中,“室内高度”应按建筑层高计算;“室内顶板面高出室外设计地面得高度不大于 1、5m 得地下或半地下室”、“设置在建筑底部且室内高度不大于 2、2m 得自行车库、储藏室、敞开空间”可累计不计入层数,对于住宅建筑还可累计不计入建筑高度。无楼梯到达且与其她建筑功能空间实行无洞口得墙体与楼板完全分隔得建筑屋顶得闷顶层(采纳不燃性结构)可不计入高度与层数。附图 1、1 坡屋顶建筑高度计算建筑屋面为坡屋面时,建筑高度应按建筑室外设计地面至檐口(根据建筑外墙面起坡处起算)与屋脊得平均高度或建筑室外设计地面至屋顶最高使用夹层得楼面得高度取较大值。(附图 1、1)住宅建筑单元平坡结合得屋面,应根据最高屋面计算建筑高度,当平屋顶部分占屋面面积(根据建筑外墙面起坡处投影线起算围合面积)不大于 1/4 得,可按上述规定计算建筑高度。(附图 1、2)附图 1、2 平坡结合屋顶建筑高度计算:b≤1/4 a建筑屋面坡度不大于 3%时,建筑高度计算时,屋面面层算至靠外墙处得屋面最低点。工业建筑与公共建筑(含商业住宅组合楼)屋面面层算至屋面得建筑完成面(包含绿化层、保温层等屋面构造厚度);住宅(含底层设置商业服务网点得住宅)屋面面层可算至屋面结构板面。(附图 1、3)附图 1、3 屋面面层计算2、对于台阶式地坪,当位于不同高程地坪上得同一建筑无法满足分别计算各自建筑高度得条件时,应按下列原则计算建筑高度:按法律规范需要设置环形消防车道得建筑,当其较低室外地坪与较高地坪...

1、当您付费下载文档后,您只拥有了使用权限,并不意味着购买了版权,文档只能用于自身使用,不得用于其他商业用途(如 [转卖]进行直接盈利或[编辑后售卖]进行间接盈利)。
2、本站所有内容均由合作方或网友上传,本站不对文档的完整性、权威性及其观点立场正确性做任何保证或承诺!文档内容仅供研究参考,付费前请自行鉴别。
3、如文档内容存在违规,或者侵犯商业秘密、侵犯著作权等,请点击“违规举报”。

碎片内容

浙江省消防技术规范难点问题操作技术指南-2025修订稿

您可能关注的文档

确认删除?
VIP
微信客服
  • 扫码咨询
会员Q群
  • 会员专属群点击这里加入QQ群
客服邮箱
回到顶部