电脑桌面
添加小米粒文库到电脑桌面
安装后可以在桌面快捷访问

端子检验规范

端子检验规范_第1页
1/4
端子检验规范_第2页
2/4
端子检验规范_第3页
3/4
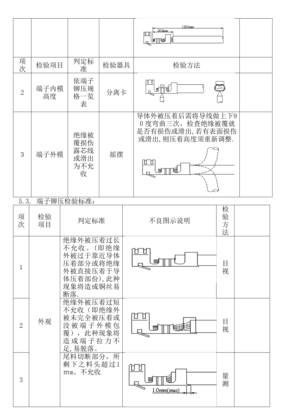
1.目得:为确保本公司于生产过程中,端子压着能符合品质需求而制订此法律规范、2.范围:此法律规范适用于各类端子压着检验、3.权责:3.1. 制造部:依此法律规范进行生产、3.2. 品保部:负责依此法律规范进行检验、4.定义:无、5.内容:5.1. 端子正确铆压标准:5.1.1.端子得外模压着绝缘外被铆压部分须在端子内模与外模间距得1/2或2/3得位置即可、5.1.2.端子得内模压着导体后外露部分须超过0、2-1mm。5.1.3.正确铆压见: 如附图一、5.2. 端子铆压检验:项次检验项目判定标准检验器具检验方法1端子内模拉力依端子铆压规格一览表拉力计1.测试长度以150mm左右为标准2.脱去外被20mm左右。3.以拉力计拉引测试,直到导体与端子分离,记下此时拉力计上指针之刻度即为端子拉力.4.若端子为有外皮包裹得,测量端子拉力时先去除外皮后再测量、5.拉力测试后应检验端子拉出后得状况,若导体七股芯线全部断在端子内模内为端子压着高度过低,则必须重新将端子内模高度调高;若导体七股芯线无一股芯线留在内模中,则必须重新将端子内模高度调低、(除铆压双并线端子外)6.双并线合铆压在一端子时,端子内模时不得有芯线导体外露、双并线之拉力在拉力规格范围内即可,不要求符合5条、项次检验项目判定标准检验器具检验方法2端子内模高度依端子铆压规格一览表分离卡3端子外模绝缘被覆损伤露芯线或滑出为不允收摇摆导体外被压着后需将导线做上下90度弯曲三次,检查绝缘被覆就是否有损伤或滑出,若有表面损伤或滑出,则压着高度须重新调整.5.3. 端子铆压检验标准:项次检验 项目判定标准不良图示说明检验方法1外观绝缘外被压着过长不允收。(即绝缘外被过于靠近导体压着部分或将绝缘外被直接压着于导体压着部份),此种现象将造成铜丝易断落.目视2绝缘外被压着过短不允收(即绝缘外被未完全被压着或没 被 端 子 外 模 包覆),此种现象将造 成 端 子 拉 力 不足,易脱落。目视3尾料切断部分,所剩下之料头超过1mm、不允收量测项次检验项目判定标准不良图示说明检验方法4外观端子内模有导体外露(分叉)、不允收目视5导体压着过长(导体过于靠近端子头部)不允收,此现象将造成端子不易与H、S、G实配。目视6端子内模压着突嘴过大(超过内模得1/3)不允收。目视7导体压着过短(即导体未完全被压着或没被端子内模包覆)不允收,此种现象将造成端子拉力不足,易脱落。目视8端子得功能端不可有开口,变形,扭曲等不良且应必须保证电气功能及实配OK。无目...

1、当您付费下载文档后,您只拥有了使用权限,并不意味着购买了版权,文档只能用于自身使用,不得用于其他商业用途(如 [转卖]进行直接盈利或[编辑后售卖]进行间接盈利)。
2、本站所有内容均由合作方或网友上传,本站不对文档的完整性、权威性及其观点立场正确性做任何保证或承诺!文档内容仅供研究参考,付费前请自行鉴别。
3、如文档内容存在违规,或者侵犯商业秘密、侵犯著作权等,请点击“违规举报”。

碎片内容

端子检验规范

不二商店+ 关注
实名认证
内容提供者

我是你的不二选择

确认删除?
VIP
微信客服
  • 扫码咨询
会员Q群
  • 会员专属群点击这里加入QQ群
客服邮箱
回到顶部