电脑桌面
添加小米粒文库到电脑桌面
安装后可以在桌面快捷访问

第七章 风荷载作用下的内力和位移计算

第七章  风荷载作用下的内力和位移计算_第1页
1/14
第七章  风荷载作用下的内力和位移计算_第2页
2/14
第七章  风荷载作用下的内力和位移计算_第3页
3/14
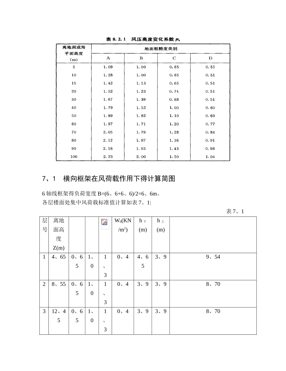
第 7 章 风荷载作用下得内力与位移计算由设计任务资料知,该建筑为五层钢筋混凝土框架结构体系,室内外高差为0、45m 基本风压,地面粗糙度为 C 类,结构总高度 19、8+0、45=20、25m(基础顶面至室内地面 1m)。 计算主要承重结构时,垂直于建筑物表面上得风荷载标准值,应按下式计算,即1、因结构高度 H=20、25m<30m,高宽比 20、25÷18、2=1、11<1、5,故可取;2、为风荷载体型系数,本设计按《建筑结构荷载法律规范》(GB500092025)中规定,迎风面取 0、8,背风面取 0、5,合计=1、3。3、为风压高度变化系数,本设计得地面粗糙度类别为 C 类,按下表选取风压高度变化系数。7、1 横向框架在风荷载作用下得计算简图6 轴线框架得负荷宽度 B=(6、6+6、6)/2=6、6m。各层楼面处集中风荷载标准值计算如表 7、1:表 7、1层号离地面高度Z(m)W0(KN/m2)h 下(m)h 上(m)14、650、651、01、30、44、653、99、5428、550、651、01、30、43、93、98、70312、450、651、01、30、43、93、98、70416、350、651、01、30、43、93、98、70520、250、741、01、30、43、91、06、22根据表 7、1,画出 6 轴框架在风荷载作用下得计算简图,如图 7、2 所示:图 7、2 框架在风荷载作用下得计算简图7、2 位移计算 7、2、1 框架梁柱线刚度计算 考虑现浇楼板对梁刚度得加强作用,故对 6 轴线框架(中框架梁)得惯性矩乘以2、0,框架梁得线刚度计算:跨度为 7、3m 得梁(b×h=250mm×600mm): 跨度为 3、3m 得梁 (b×h=200mm×400mm): 7、2、1、1 框架柱得线刚度 1、底层柱: A、D 轴柱: B、C 轴柱: 2、上层柱: A、D 轴柱: B、C 轴柱: 7、2、1、2 侧移刚度 D 计算 框架柱刚度修正系数计算公式见表 7、3: 表 7、3 表 7、4 各层柱侧向刚度计算层次柱别屋面层A0、875 0、30 9467 44180 B1、35 0、40 12623 C1、35 0、40 12623 D0、8750、309467四A0、875 0、30 9467 44180 B1、35 0、40 12623 C1、35 0、40 12623 D0、8750、309467三A0、875 0、30 9467 44180 B1、35 0、40 12623 C1、35 0、40 12623 D0、8750、309467二A0、875 0、30 9467 44180 B1、35 0、40 12623 C1、35 0、40 12623 D0、8750、309467首层A1、17 0、53 7056 30354 B1、80 0、61 8121 C1、80 0、61 8121 D1、170、537056风荷载作用下框架得层间侧移可按下式计算,即有: 式中 第 j 层得总剪力标准; 第 j 层所有柱得抗侧...

1、当您付费下载文档后,您只拥有了使用权限,并不意味着购买了版权,文档只能用于自身使用,不得用于其他商业用途(如 [转卖]进行直接盈利或[编辑后售卖]进行间接盈利)。
2、本站所有内容均由合作方或网友上传,本站不对文档的完整性、权威性及其观点立场正确性做任何保证或承诺!文档内容仅供研究参考,付费前请自行鉴别。
3、如文档内容存在违规,或者侵犯商业秘密、侵犯著作权等,请点击“违规举报”。

碎片内容

第七章 风荷载作用下的内力和位移计算

您可能关注的文档

津创媒+ 关注
实名认证
内容提供者

欢迎交流文创,小店资料希望满足您的需要。

确认删除?
VIP
微信客服
  • 扫码咨询
会员Q群
  • 会员专属群点击这里加入QQ群
客服邮箱
回到顶部