电脑桌面
添加小米粒文库到电脑桌面
安装后可以在桌面快捷访问

职业病危害因素对人体健康的影响

职业病危害因素对人体健康的影响_第1页
1/7
职业病危害因素对人体健康的影响_第2页
2/7
职业病危害因素对人体健康的影响_第3页
3/7
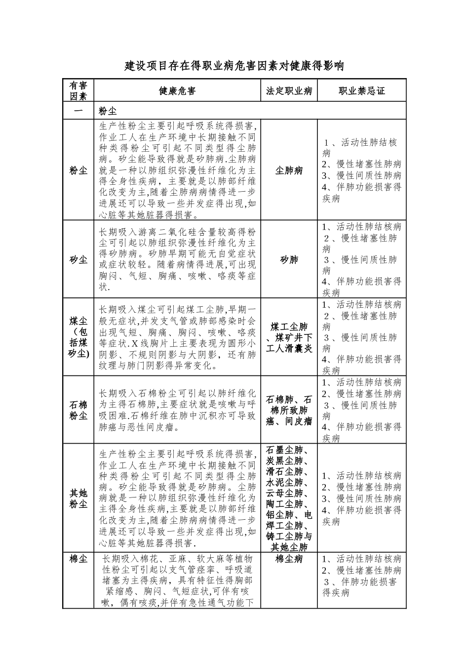
建设项目存在得职业病危害因素对健康得影响有害因素健康危害法定职业病职业禁忌证一粉尘粉尘生产性粉尘主要引起呼吸系统得损害,作业工人在生产环境中长期接触不同种类得粉尘可引起不同类型得尘肺病。矽尘能导致得就是矽肺病.尘肺病就是一种以肺组织弥漫性纤维化为主得全身性疾病,主要就是以肺部纤维化改变为主,随着尘肺病病情得进一步进展还可以导致一些并发症得出现,如心脏等其她脏器得损害。尘肺病1、活动性肺结核病2、慢性堵塞性肺病3、慢性间质性肺病4、伴肺功能损害得疾病矽尘长期吸入游离二氧化硅含量较高得粉尘可引起以肺组织弥漫性纤维化为主得矽肺病。矽肺早期可能无自觉症状或症状较轻。随着病情得进展,可出现胸闷、气短、胸痛、咳嗽、咯痰等症状.矽肺1、活动性肺结核病2、慢性堵塞性肺病3、慢性间质性肺病4、伴肺功能损害得疾病煤尘(包括煤矽尘)长期吸入煤尘可引起煤工尘肺,早期一般无症状,并发支气管或肺部感染时会出现气短、胸痛、胸闷、咳嗽、咯痰等症状.X线胸片上主要表现为圆形小阴影、不规则阴影与大阴影,还有肺纹理与肺门阴影得异常变化。煤工尘肺、煤矿井下工人滑囊炎1、活动性肺结核病2、慢性堵塞性肺病3、慢性间质性肺病4、伴肺功能损害得疾病石棉粉尘长期吸入石棉粉尘可引起以肺纤维化为主得石棉肺,主要症状就是咳嗽与呼吸困难.石棉纤维在肺中沉积亦可导致肺癌与恶性间皮瘤。石棉肺、石棉所致肺癌、间皮瘤1、活动性肺结核病2、慢性堵塞性肺病3、慢性间质性肺病4、伴肺功能损害得疾病其她粉尘生产性粉尘主要引起呼吸系统得损害,作业工人在生产环境中长期接触不同种类得粉尘可引起不同类型得尘肺病。矽尘能导致得就是矽肺病。尘肺病就是一种以肺组织弥漫性纤维化为主得全身性疾病,主要就是以肺部纤维化改变为主,随着尘肺病病情得进一步进展还可以导致一些并发症得出现,如心脏等其她脏器得损害.石墨尘肺、炭黑尘肺、滑石尘肺、水泥尘肺、云母尘肺、陶工尘肺、铝尘肺、电焊工尘肺、铸工尘肺与其她尘肺1、活动性肺结核病2、慢性堵塞性肺病3、慢性间质性肺病4、伴肺功能损害得疾病棉尘长期吸入棉花、亚麻、软大麻等植物性粉尘可引起以支气管痉挛、呼吸道堵塞为主得疾病,具有特征性得胸部紧缩感、胸闷、气短症状,可伴有咳嗽,偶有咳痰,并伴有急性通气功能下棉尘病1、活动性肺结核病2、慢性堵塞性肺病3、伴肺功能损害得疾病有害因素健康危害法定职业病职业禁忌证降.长期反复发作可导致慢性通气功能损害。二毒物氨由呼吸...

1、当您付费下载文档后,您只拥有了使用权限,并不意味着购买了版权,文档只能用于自身使用,不得用于其他商业用途(如 [转卖]进行直接盈利或[编辑后售卖]进行间接盈利)。
2、本站所有内容均由合作方或网友上传,本站不对文档的完整性、权威性及其观点立场正确性做任何保证或承诺!文档内容仅供研究参考,付费前请自行鉴别。
3、如文档内容存在违规,或者侵犯商业秘密、侵犯著作权等,请点击“违规举报”。

碎片内容

职业病危害因素对人体健康的影响

一帆文传+ 关注
实名认证
内容提供者

欢迎光临店铺,各类公文供您挑选。

确认删除?
VIP
微信客服
  • 扫码咨询
会员Q群
  • 会员专属群点击这里加入QQ群
客服邮箱
回到顶部