电脑桌面
添加小米粒文库到电脑桌面
安装后可以在桌面快捷访问

自动喷淋系统验收资料表格Word版

自动喷淋系统验收资料表格Word版_第1页
1/67
自动喷淋系统验收资料表格Word版_第2页
2/67
自动喷淋系统验收资料表格Word版_第3页
3/67
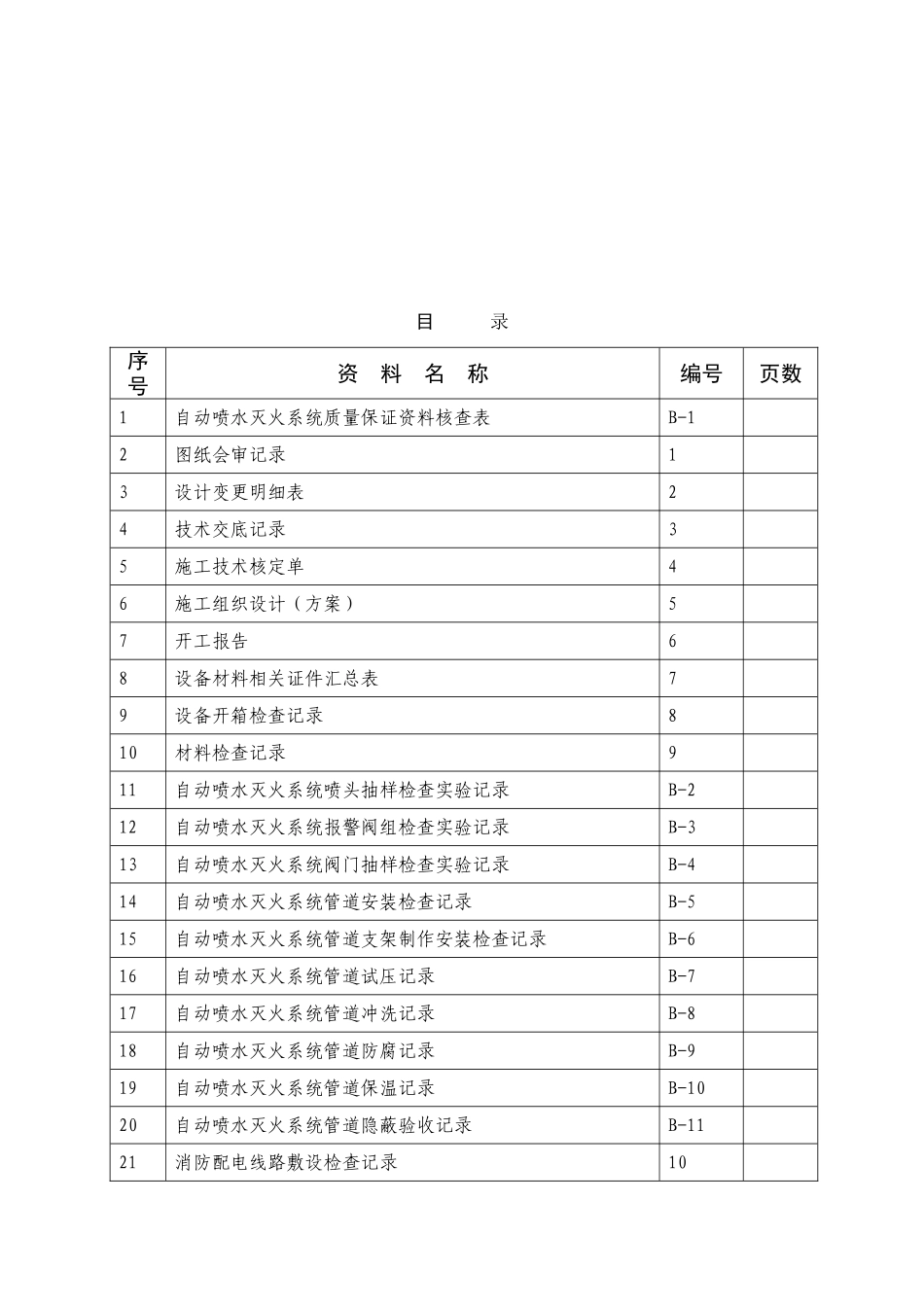
附录四—B 自 动 喷 水 灭 火 系 统施 工 安 装质 量记录目 录序号资 料 名 称编号页数1自动喷水灭火系统质量保证资料核查表B-12图纸会审记录13设计变更明细表24技术交底记录35施工技术核定单46施工组织设计(方案)57开工报告68设备材料相关证件汇总表79设备开箱检查记录810材料检查记录911自动喷水灭火系统喷头抽样检查实验记录B-212自动喷水灭火系统报警阀组检查实验记录B-313自动喷水灭火系统阀门抽样检查实验记录B-414自动喷水灭火系统管道安装检查记录B-515自动喷水灭火系统管道支架制作安装检查记录B-616自动喷水灭火系统管道试压记录B-717自动喷水灭火系统管道冲洗记录B-818自动喷水灭火系统管道防腐记录B-919自动喷水灭火系统管道保温记录B-1020自动喷水灭火系统管道隐蔽验收记录B-1121消防配电线路敷设检查记录1022消防配电线路隐蔽验收记录1123自动喷水灭火系统水源设施安装检查记录B-1224自动喷水灭火系统水泵安装检查记录B-1325自动喷水灭火系统稳压装置安装检查记录B-14序号资 料 名 称编号页数26自动喷水灭火系统水泵接合器安装检查记录B-1527自动喷水灭火系统报警阀组安装检查记录B-1628自动喷水灭火系统水流指示器安装检查记录B-1729自动喷水灭火系统喷头安装检查记录B-1830自动喷水灭火系统末端试水装置安装检查记录B-1931自动喷水灭火系统充气装置安装检查记录B-2032自动喷水灭火系统水泵实验记录B-2133自动喷水灭火系统稳压装置实验记录B-2234自动喷水灭火系统末端试水装置放水实验记录B-2335自动喷水灭火系统报警阀组动作实验记录B-2436自动喷水灭火系统联动实验记录B-2537自动喷水灭火系统调试报告B-2638自动喷水灭火系统自检报告B-2739竣工报告1240设备移交清单13 自动喷水灭火系统质量保证资料核查表 编号:B-1 工程名称供电公司人民路 20 号建设单位泰州市供电公司施工单位江苏中恒通信系统工程有限公司核查日期 2025 年 9 月 6 日类别项 目份数核 查 情 况前期图纸会审、技术交底记录设计变更、技术核定单施工组织设计(方案)开工报告出厂检查设备(材料)相关证件汇总表设备(材料)检查记录隐蔽验收记录管道隐蔽验收记录消防配电线路隐蔽验收记录安装检查实验记录各类安装检查记录各类测试、实验记录调试报告自检报告竣工报告设备移交清单其他核查意见:自动喷水灭火系统质量保证资料核查合格。 技术负责人质 检 员 第 册第 页 自动喷水灭火系统 图纸会审记录 编号:1工...

1、当您付费下载文档后,您只拥有了使用权限,并不意味着购买了版权,文档只能用于自身使用,不得用于其他商业用途(如 [转卖]进行直接盈利或[编辑后售卖]进行间接盈利)。
2、本站所有内容均由合作方或网友上传,本站不对文档的完整性、权威性及其观点立场正确性做任何保证或承诺!文档内容仅供研究参考,付费前请自行鉴别。
3、如文档内容存在违规,或者侵犯商业秘密、侵犯著作权等,请点击“违规举报”。

碎片内容

自动喷淋系统验收资料表格Word版

一帆文传+ 关注
实名认证
内容提供者

欢迎光临店铺,各类公文供您挑选。

确认删除?
VIP
微信客服
  • 扫码咨询
会员Q群
  • 会员专属群点击这里加入QQ群
客服邮箱
回到顶部