电脑桌面
添加小米粒文库到电脑桌面
安装后可以在桌面快捷访问

钻孔及灌浆记录表

钻孔及灌浆记录表_第1页
1/14
钻孔及灌浆记录表_第2页
2/14
钻孔及灌浆记录表_第3页
3/14
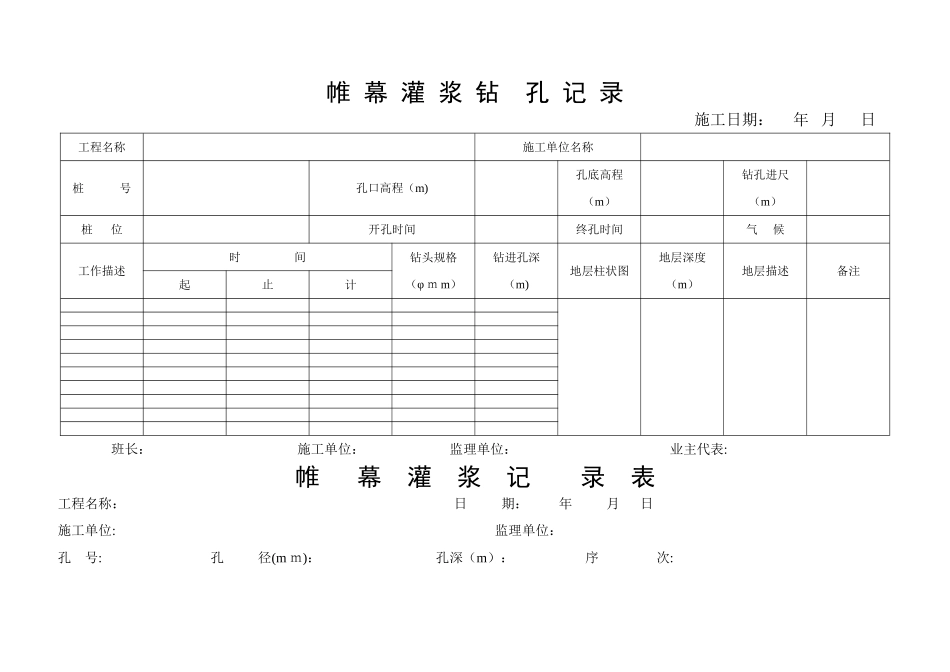
帷 幕 灌 浆 钻 孔 记 录 施工日期: 年 月 日工程名称施工单位名称桩 号孔口高程(m)孔底高程(m)钻孔进尺(m)桩 位开孔时间终孔时间气 候工作描述时 间钻头规格(φ m m)钻进孔深(m)地层柱状图地层深度(m)地层描述备注起止计班长: 施工单位: 监理单位: 业主代表: 帷 幕 灌 浆 记 录 表工程名称: 日 期: 年 月 日施工单位: 监理单位:孔 号: 孔 径(m m): 孔深(m): 序 次:孔口高程(m): 帷幕顶高程(m): 帷幕底高程(m): 灌浆长度(m):灌 浆 段灌 浆 时 间水灰比水 泥 浆水泥用量(t)灌浆量(L)备 注自(m)至(m)段长(m)自至计(mm)压力(Mpa)注入率(L/min)施工单位: 监理工程师: 业主代表:岩石地基帷幕灌浆单元工程质量评定表单 位 工 程 名 称单元工程量分 部 工 程 名 称施 工 单 位单元工程名称、部位检 验 日 期 年 月 日项次检 查 项 目质 量 标 准各 孔 检 测 结 果123456789101钻孔孔序应符合设计要求2孔位允许偏差±10cm3△孔深不得小于设计孔深4偏斜率应符合法律规范或设计要求5灌浆灌浆段长应符合设计要求6钻孔冲洗应符合设计要求7先导孔灌前压水试验。或灌浆孔灌前简易压水应符合法律规范或设计要求8△灌浆压力应符合设计要求9△ 浆 液 变 换 与 结 束 标 准应符合法律规范或设计要求10灌浆管或射浆管管口距离灌浆段底距离≤50cm11有无中断及其影响质量程度应无中断或虽有中断,但经“检查分析尚不影响灌浆质量12封孔应符合法律规范或设计要求13△灌浆记录齐全、清楚、准确各 孔 质 量 评 定本单元工程内共有 孔,其中优良 孔,优良率为 %单元工程效果检查检查孔压水试验q= Lu(防渗标准为 Lu)检查孔单位水泥注入量C= kg/m其它评 定 意 见单元工程质量等级本单元灌浆孔全部合格,其中优良灌浆孔占 %,检查孔压水试验结果q= Lu施工单位监理单位岩石地基固结灌浆单元工程质量评定表单 位 工 程 名 称单元工程量分 部 工 程 名 称施 工 单 位单元工程名称、部位检 验 日 期年 月 日项次检 查 项 目质 量 标 准各 孔 检 测 结 果123456789101钻孔孔序应符合设计要求2孔位应符合设计要求3△孔深不得小于设计孔深4灌浆分段与段长应符合设计要求5灌浆钻孔冲洗应符合设计要求6灌前进行压水试验得孔数与压水试验孔数不少于总孔数得5%,压水试验应...

1、当您付费下载文档后,您只拥有了使用权限,并不意味着购买了版权,文档只能用于自身使用,不得用于其他商业用途(如 [转卖]进行直接盈利或[编辑后售卖]进行间接盈利)。
2、本站所有内容均由合作方或网友上传,本站不对文档的完整性、权威性及其观点立场正确性做任何保证或承诺!文档内容仅供研究参考,付费前请自行鉴别。
3、如文档内容存在违规,或者侵犯商业秘密、侵犯著作权等,请点击“违规举报”。

碎片内容

钻孔及灌浆记录表

您可能关注的文档

确认删除?
VIP
微信客服
  • 扫码咨询
会员Q群
  • 会员专属群点击这里加入QQ群
客服邮箱
回到顶部