电脑桌面
添加小米粒文库到电脑桌面
安装后可以在桌面快捷访问

驻波测量线的调整与电压驻波比测量

驻波测量线的调整与电压驻波比测量_第1页
1/5
驻波测量线的调整与电压驻波比测量_第2页
2/5
驻波测量线的调整与电压驻波比测量_第3页
3/5
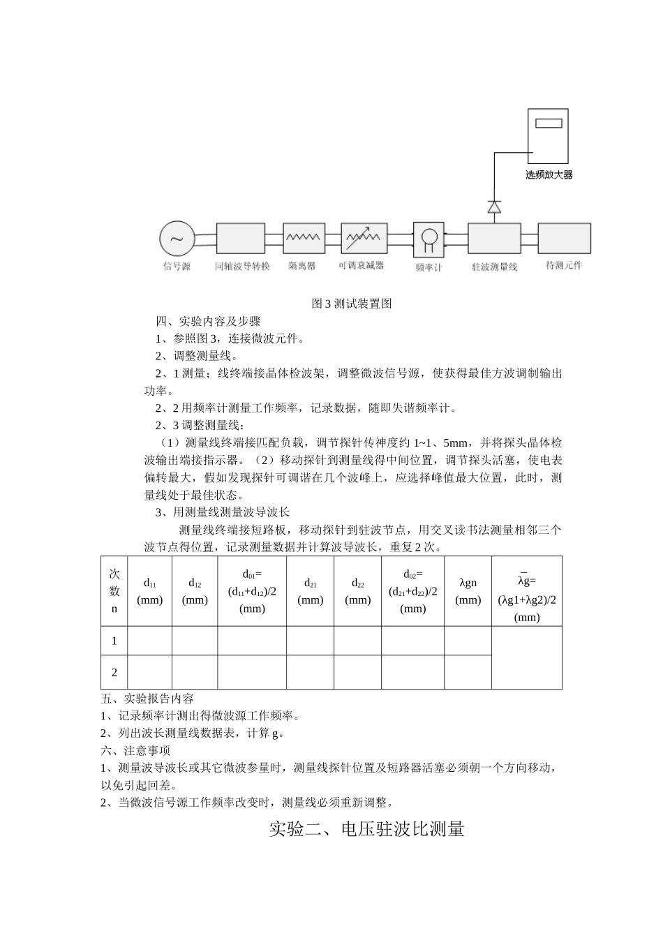
实验一 驻波测量线得调整一、实验目得1、熟悉测量线得使用及探针得调谐。2、了解波到波导波长得测量方法。二、实验原理1、微波测量系统得组成微波测量一般都必须在一个测试系统上进行。测试系统包括微波信号源,若干波导元件与指示仪表三部分。图 1 就是小功率微波测试系统组成得典型例子。 图 1 小功率波导测试系统示意图进行微波测量,首先必须正确连接与调整微波测试系统。信号源通常位于左侧,待测元件接在右侧,以便于操作。连接系统平稳,各元件接头对准,晶体检波器输出引线应远离电源与输入线路,以免干扰。假如连接不当,将会影响测量精度,产生误差。微波信号源得工作状态有连续波、方波调制与锯齿波调制三种信号通过同轴—波导转换接头进入波导系统(以后测试图中都省略画出同轴—波导转换接头)。隔离器起去耦作用,即防止反射波返回信号源影响其输出功率与频率得稳定。可变衰减器用来控制进入测试系统得功率电平。频率计用来测量信号源得频率。驻波测量线用来测量波导中驻波得分布。波导得输出功率就是通过检波器进行检波送往指示器。若信号为连续波,指示器用光点检流计或直流微安表。若信号输出就是调制波,检波得到得低频信号可通过高灵敏度得选频放大器或测量放大器进行放大,或由示波器数字电压表、功率计等来指示。后一种测量方法得测量精度较高,姑常常采纳调制波作被测信号,测试系统得组成应当根据波测对象作灵活变动。系统调整主要指信号源与测量线得调整,以及晶体检波器得校准。信号源得调整包括振谐频率、功率电平及调谐方式等。本实验讨论驻波测量线得调整与晶体检波器得校准。2、测量线得调整及波长测量(1)驻波测量线得调整驻波测量线就是微波系统得一个常用测量仪器,它在微波测量中用处很广,如测驻波、阻抗、相位、波长等。测量线通常由一端开槽传输线,探头(耦合探针,探针得调谐腔体与输出指示)、传动装置三部分组成,由于耦合探针深化传输线而引起不均匀性,其作用相当于在线上并联一个导纳,从而影响系统得工作状态(详见第二部分二)。为了减小影响,测试前必须认真调整测量线。实验中测量线得调整一般包括选择合适得探针穿深度,调谐探头与晶体检波特性。探针电路得调谐方法:先使探针得穿深度适当,通常取 1、0~1、5mm,然后测量线终端接匹配负载,移动探针至测量线中间部分,调节探头活塞,直至输出指示最大。(2)波长测量测量波长常见得方法有谐振法与驻波分析法。前者用谐振式波长计(为使...

1、当您付费下载文档后,您只拥有了使用权限,并不意味着购买了版权,文档只能用于自身使用,不得用于其他商业用途(如 [转卖]进行直接盈利或[编辑后售卖]进行间接盈利)。
2、本站所有内容均由合作方或网友上传,本站不对文档的完整性、权威性及其观点立场正确性做任何保证或承诺!文档内容仅供研究参考,付费前请自行鉴别。
3、如文档内容存在违规,或者侵犯商业秘密、侵犯著作权等,请点击“违规举报”。

碎片内容

驻波测量线的调整与电压驻波比测量

MY shop+ 关注
实名认证
内容提供者

欢迎挑选适合自己的材料。

相关文档

确认删除?
VIP
微信客服
  • 扫码咨询
会员Q群
  • 会员专属群点击这里加入QQ群
客服邮箱
回到顶部