电脑桌面
添加小米粒文库到电脑桌面
安装后可以在桌面快捷访问

FL沸腾干燥制粒机使用说明书

FL沸腾干燥制粒机使用说明书_第1页
1/16
FL沸腾干燥制粒机使用说明书_第2页
2/16
FL沸腾干燥制粒机使用说明书_第3页
3/16
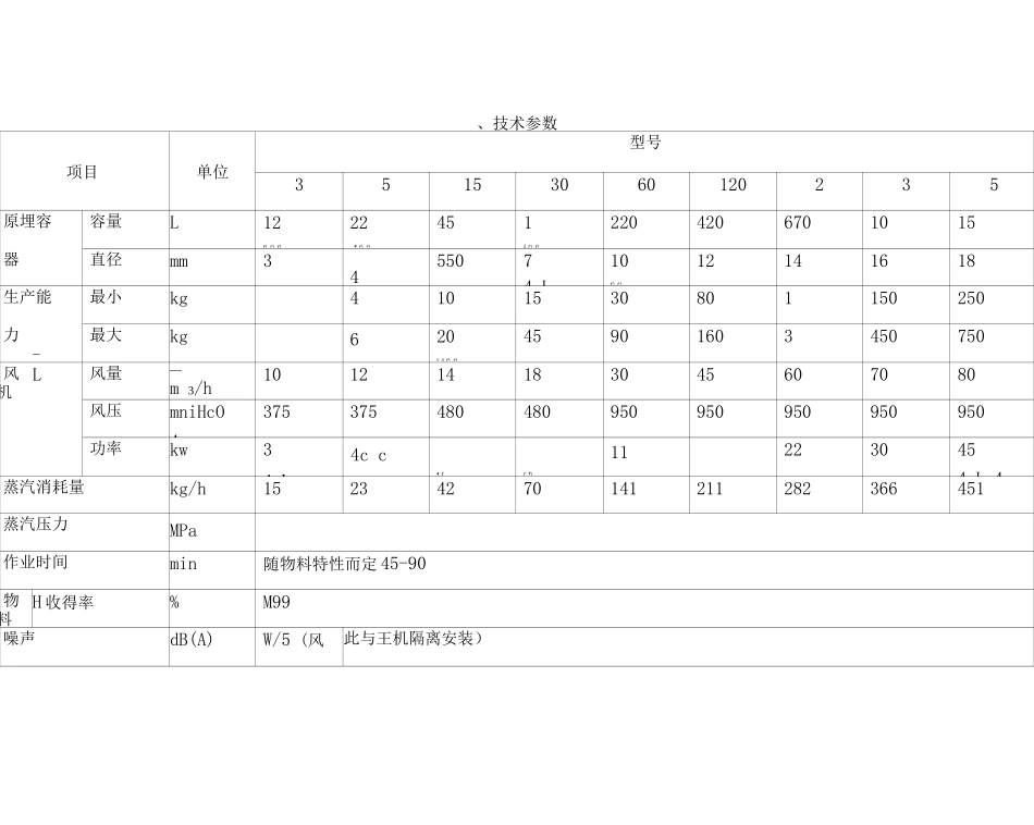
FL 沸腾干燥制粒机使用说明书中国驰名品牌FL 沸腾干燥制粒机使用说明书中美合资常州健达干燥设备有限公司厂址:江苏省常州市东青开发区、技术参数项目单位型号35153060120235原埋容容量L12r\ r\ r\224 r\ r\451i r\ r\2204206701015器直径mm3455074 L10r\ r\12141618生产能最小kg4101530801150250力-最大kg620V A r\ r\45901603450750风机L风量—m 3/h101214183045607080风压1mniHcO4375375480480950950950950950功率kw34 L4c c4 Cr f\112230454 L 4蒸汽消耗量kg/h15234270141211282366451蒸汽压力MPa作业时间minA /随物料特性而定 45-90物料H 收得率%M99噪声dB(A)W/5 (风此与王机隔离安装)主机外形尺寸mX XX XX XX XX X3X XX XX X3X X二、用途1、医药品的制粒及包衣制粒:调剂用颗粒,片剂颗粒,胶囊用颗粒,冲剂颗粒,各种重质颗粒。包衣:颗粒、丸剂、片剂包衣、肠溶包衣等。2、食品工业制粒砂糖、咖啡、可可、粉末果汁、混合淀粉、氨基酸、调味料、小麦 粉等。3、糊精的制粒CMC、PVA、MC、HEC 等。4、粉末冶金、陶瓷工业制粒。5、农药、饲料、肥料制粒和包衣。6、催化剂的制粒和包衣。7、颜料、色料、燃料的制粒。8、其他一般化学品的制粒。三、工作原理及特点1、工作原理将制粒用粉末物料投入流化床内,冷空气从主机后部加热室进入,经初效、中效过滤,加热器加热至进风所需温度后进入流化床,粉末在床内呈流态化,制粒用粘结剂由齿轮泵送入双流体雾化器,经雾化后喷向流化的物料。粉末间相互架桥聚集成粒并长大,水分挥发后由排风带出机外。2、特点(1)通过粉体制粒,改善流动性,减少粉尘飞扬。(2 )采纳重质法制粒,能够进行重质和轻质制粒。(3)同时进行喷雾混合、制粒、干燥过程,大大减缩了工序。(4)采纳特种抗静电过滤布袋,防止静电的发生。(5)设备上部设有泄放孔,一旦爆炸,设备不致损坏。(6)在密封系统内制粒,无泄漏和粉尘飞扬。(7)设备即可手动操作,又可自动操作。(8)造粒工艺参数稳定,重复性极高。(9)设备无死角,卸料快速,便于冲洗,符合 GMP 法律规范。四、安装场地选择为了方便操作,主机和墙壁的距离应大于 8mm,前方应根据操作流程确定,左右方根据流化床安装来确定,工场空间高度应高于主机高度至少 350mm。设备须清洗,特别是更改品种和停用时,要求场地应能排水,地面应酬有 1/1 的坡度。设备安全孔设置在主机顶部或侧面,最好将此孔通向户外,一旦发生爆炸...

1、当您付费下载文档后,您只拥有了使用权限,并不意味着购买了版权,文档只能用于自身使用,不得用于其他商业用途(如 [转卖]进行直接盈利或[编辑后售卖]进行间接盈利)。
2、本站所有内容均由合作方或网友上传,本站不对文档的完整性、权威性及其观点立场正确性做任何保证或承诺!文档内容仅供研究参考,付费前请自行鉴别。
3、如文档内容存在违规,或者侵犯商业秘密、侵犯著作权等,请点击“违规举报”。

碎片内容

FL沸腾干燥制粒机使用说明书

确认删除?
VIP
微信客服
  • 扫码咨询
会员Q群
  • 会员专属群点击这里加入QQ群
客服邮箱
回到顶部