电脑桌面
添加小米粒文库到电脑桌面
安装后可以在桌面快捷访问

T梁首件工程施工总结公路改建工程

T梁首件工程施工总结公路改建工程_第1页
1/19
T梁首件工程施工总结公路改建工程_第2页
2/19
T梁首件工程施工总结公路改建工程_第3页
3/19
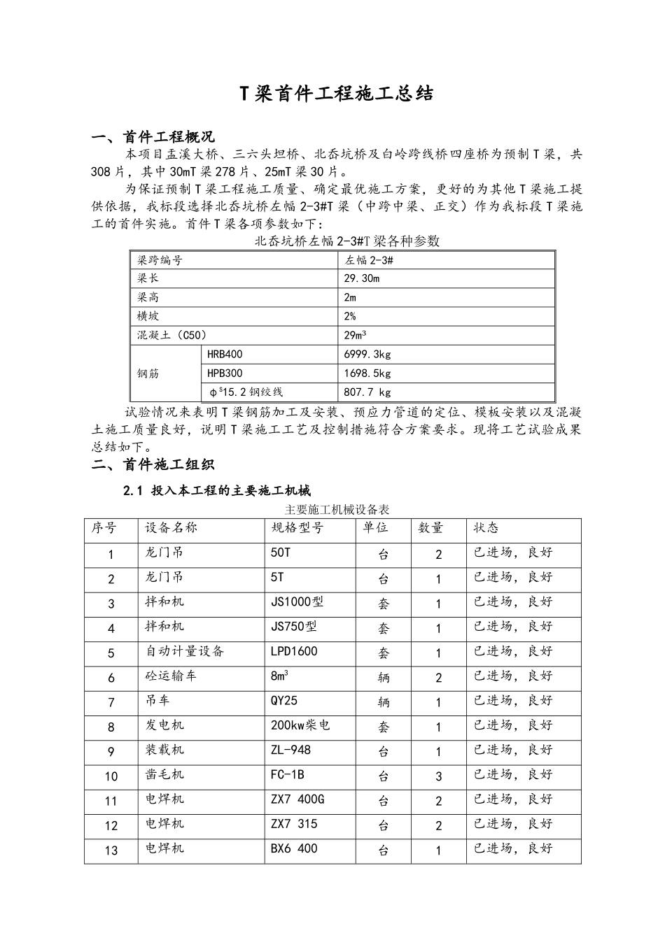
35 省道仙居桐桥至官路段公路改建工程浙江华通路桥工程有限公司T梁首件施工总结第四合同段项目经理部2025 年 4 月 30 日目 录一、首件工程概况..................................................................3二、首件施工组织..................................................................32.1 投入本工程的主要施工机械...............................................32.2 投入本工程的主要劳动力.................................................4三、首件实施工艺流程..............................................................5四、首件施工时间..................................................................5五、首件实施工艺总结..............................................................65.1.施工准备.................................................................65.2.制梁台座施工及验收.......................................................75.3.模板制作及验收...........................................................75.4.钢筋制作及安装...........................................................85.5.波纹管安装及定位.........................................................95.6.模板安装及加固..........................................................105.7.混凝土浇筑..............................................................125.8.拆模及养护..............................................................135.9.混凝土凿毛..............................................................135.10.预应力张拉施工.........................................................145.11.预应力孔道压浆施工.....................................................17六、 安全生产措施................................................................17七、 质量、进度保证措施..........................................................18八、首件施工总结.................................................................191、过程控制的可行性.........................................................192、施工过程的控制要点.......................................................193、施工中存在的问题及防治措施.............

1、当您付费下载文档后,您只拥有了使用权限,并不意味着购买了版权,文档只能用于自身使用,不得用于其他商业用途(如 [转卖]进行直接盈利或[编辑后售卖]进行间接盈利)。
2、本站所有内容均由合作方或网友上传,本站不对文档的完整性、权威性及其观点立场正确性做任何保证或承诺!文档内容仅供研究参考,付费前请自行鉴别。
3、如文档内容存在违规,或者侵犯商业秘密、侵犯著作权等,请点击“违规举报”。

碎片内容

T梁首件工程施工总结公路改建工程

确认删除?
VIP
微信客服
  • 扫码咨询
会员Q群
  • 会员专属群点击这里加入QQ群
客服邮箱
回到顶部