电脑桌面
添加小米粒文库到电脑桌面
安装后可以在桌面快捷访问

XX路市政管道吊装方案

XX路市政管道吊装方案_第1页
1/8
XX路市政管道吊装方案_第2页
2/8
XX路市政管道吊装方案_第3页
3/8
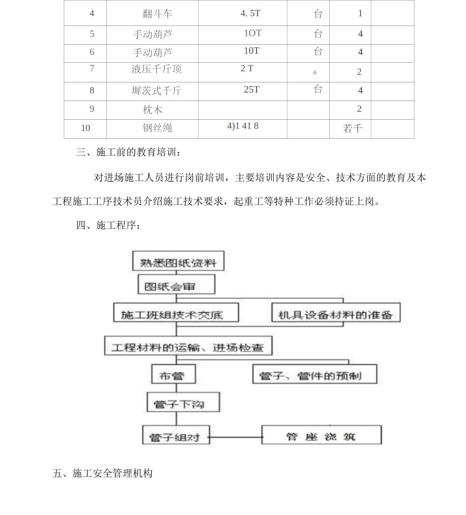
市政管道吊装专项方案一、施工依据:1、施工依据:根据 XXXX 市政道路及配套工程施工现场实际情况及相关技术 法律规范编制。二、施工前的准备:1、施工技术组织:施工前,先对施工合同、现场实际情况、技术法律规范等进行熟悉,对于施工 工序不明白的地方,待进行技术交底时提出解决。2、施工场地的安排及施工机具的准备:(1)、施工场地的安排:由于此工程处于交通要道旁,施工区域狭小,且车流量大,再加 上施工难 度较大,为减少对交通的影响,采纳分段分次吊装,吊装时设 2 个交通安全指挥 人员,施工范围内设安全围挡,摆放安全指示牌,吊车、挖土机停放沟边。(2)、施工机具设备的组织:本工程对于大型设备应采纳专人、专项管理,工具设备一览表见附表:序号机具名称型号规格单位数量备注1汽车吊50 吨台12挖掘机PC2台23卡车CA14153台14翻斗车4. 5T台15手动葫芦1OT台46手动葫芦10T台47液压千斤顶2 TA28墀茨式千斤25T台49枕木210钢丝绳4)1 41 8若千三、施工前的教育培训:对进场施工人员进行岗前培训,主要培训内容是安全、技术方面的教育及本工程施工工序技术员介绍施工技术要求,起重工等特种工作必须持证上岗。四、施工程序:五、施工安全管理机构安全管理小组组长:XXX 副组长:XXX 组员:XXXXXXXXXXX 六、施工技术要求及注意事 项:1、吊车的选择汽车吊理论 吨位乘以 3,再除以你要吊的重量能得出距离,除以距离能得出重量,但是吊车的实际能力达不到计算出来的结果,还要把主臂的重量和吊钩的重量 算上。2、吊装方法及钢丝绳的选用根据管道重量的计算,捆绑管子时选用绳索兜底平吊法采纳绳索兜底平吊法时,吊绳与管子的夹角不宜过小,一般夹角应大于 45°为宜。钢丝绳的选用应根据其有效破断拉力 Pp 来确定,若钢丝绳的有效破段拉力 Pp 小于钢丝绳破断拉力总和刀 P,那么钢丝绳就可以选用。在 施工现场中,钢丝绳的有效破断拉力可由下面的经验公式进行估算:Cd2=FF :最大破坏拉力 单位 Kg , d :直径 单位 mm 最大破坏拉力F=(16250/4)*3=12188Kg 即:钢丝绳的直径为:d=(F/C)1/2= (12188/55) 1/2=15mm 注:C:取 55~50 倍。选用巾 15mm 钢丝绳 3、管道下沟方法:本段 25T 吊车下管时采纳分段式下管,即将管一节一节分别吊起后下入沟槽内组对。如下图所示:蕾遵版装/息图4、注意事项:(1)、管子装御的注意事项:进场的管子应堆放在平整的地方,不同类别 和不同规格的管子要分开堆放,跺与跺...

1、当您付费下载文档后,您只拥有了使用权限,并不意味着购买了版权,文档只能用于自身使用,不得用于其他商业用途(如 [转卖]进行直接盈利或[编辑后售卖]进行间接盈利)。
2、本站所有内容均由合作方或网友上传,本站不对文档的完整性、权威性及其观点立场正确性做任何保证或承诺!文档内容仅供研究参考,付费前请自行鉴别。
3、如文档内容存在违规,或者侵犯商业秘密、侵犯著作权等,请点击“违规举报”。

碎片内容

XX路市政管道吊装方案

确认删除?
VIP
微信客服
  • 扫码咨询
会员Q群
  • 会员专属群点击这里加入QQ群
客服邮箱
回到顶部