电脑桌面
添加小米粒文库到电脑桌面
安装后可以在桌面快捷访问

桩基技术标模板

桩基技术标模板_第1页
1/45
桩基技术标模板_第2页
2/45
桩基技术标模板_第3页
3/45
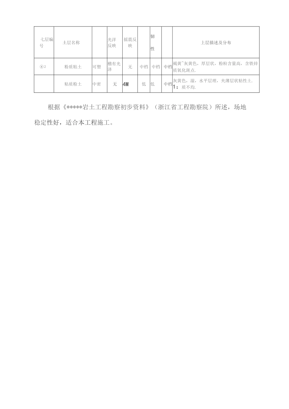
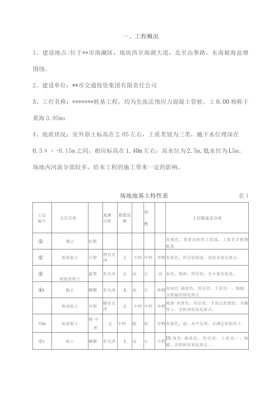
目录一、工程概况二、施工部署及现场施工组织管理机构三、施工总平面布置四、施工总进度计划及保证措施五、劳动力配备计划六、现场投入重要机械设备及检测仪器七、重要材料、构配件供应计划八、重要分部分项施工方法及技术措施九、质量保证体系及控制要点十、安全保证体系及安全文明施工措施要点十一、民工工资发放安排与控制体系一、工程概况1、建设地点:位于**市南湖区,地块西至南湖大道,北至由拳路,东南被海盐塘围绕。2、建设单位:**市交通投资集团有限责任公司3、工程名称:*******桩基工程,均为先张法预应力混凝土管桩。土 0.00 相称于黄海 3.95mo4、地质状况:室外原土标高在 2.05 左右,土质类别为三类,地下水位埋深在0.3πι-0.15m 之间,相应标高在 1.40m 左右;高水位为 2.5m,低水位为 L5m。场地内河流分部较多,给本工程的施工带来一定的影响。场地地基土特性表表 1土层编号土层名称光泽反映摇震反映韧性土层描述及分布①填土松散灰褐色,重要由粘性土组成,上部多含植物根系.②粉质粘土可塑稍有光泽无中档 中档中档灰黄色,厚层状构造,见较多氧化斑点.③淤泥质粘土流型有光洋无高高高灰色,饱和,厚层状,含少量有机质。④1粘土硬塑有光泽尢高高申档灰绿色~褐黄色,厚层状,土质均一,细赋,含铁钺质朝化斑点粉质粘土可塑稽有光泽无中档 中档中档褐黄-灰黄色,厚层状,下部呈软塑状,夹粉性土,含铁体质氧化斑点。©2a粘质粉土稍-中密无中档低低中档灰黄色,湿,水平层理,夹薄层状粘性土.⑥1粘土硬塑有光泽无高高中档IS 绿色-褐黄色,厚层状,土质均一,细腻,含铁钵质氧化斑点。.七层编号土层名称光洋反映摇震反映韧性上层描述及分布⑥2粉质粘土可塑稽有光泽无中档 中档 中档褐黄~灰黄色,厚层状,粉粒含量高,含铁锌质氧化斑点.粘质粉土中密无4M低低中档灰黄色,湿,水平层理,夹薄层状粘性土.1:质不均.根据《*****岩土工程勘察初步资料》(浙江省工程勘察院)所述,场地稳定性好,适合本工程施工。二、施工部署及现场施工组织管理机构管理机构桩基础工程施工如由我公司施工,由集团公司统一指挥部署,组织专业的施工队伍。具体各部门人员详见技表一、技表二、技表三。三、施工总平面布置详见技表四Ι寝堂派驻现场的重要施工管理人员表技表二名称姓名职称重要职责范围项目经理项口技术负责人质量管理员安全管理员资料员施工员材料员临时设施和临时用工计划表技表三用途单位数吊备注一、临时用屯:施工Kwh10...

1、当您付费下载文档后,您只拥有了使用权限,并不意味着购买了版权,文档只能用于自身使用,不得用于其他商业用途(如 [转卖]进行直接盈利或[编辑后售卖]进行间接盈利)。
2、本站所有内容均由合作方或网友上传,本站不对文档的完整性、权威性及其观点立场正确性做任何保证或承诺!文档内容仅供研究参考,付费前请自行鉴别。
3、如文档内容存在违规,或者侵犯商业秘密、侵犯著作权等,请点击“违规举报”。

碎片内容

桩基技术标模板

您可能关注的文档

确认删除?
VIP
微信客服
  • 扫码咨询
会员Q群
  • 会员专属群点击这里加入QQ群
客服邮箱
回到顶部