电脑桌面
添加小米粒文库到电脑桌面
安装后可以在桌面快捷访问

住宅小区外墙内保温监理实施细则

住宅小区外墙内保温监理实施细则_第1页
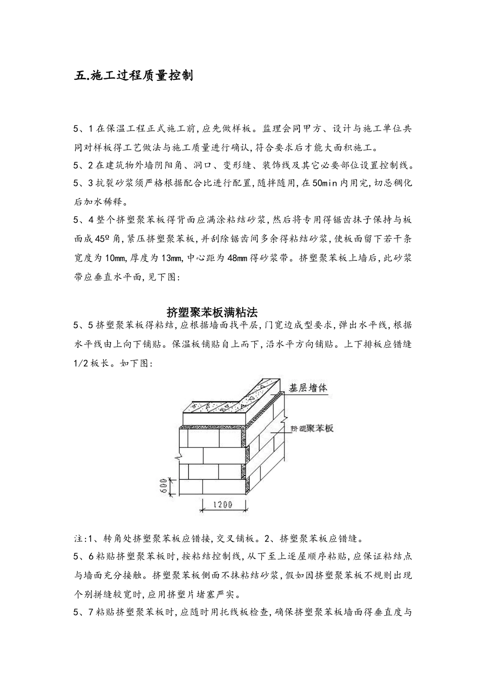
1/7
住宅小区外墙内保温监理实施细则_第2页
2/7
住宅小区外墙内保温监理实施细则_第3页
3/7
* * * * 项 目保温监理实施细则编制:审批:*******有限公司二○一八年九月一、工程项目概况1、1 工程名称:****项目1、2 工程地点: 1、3 工程规模:总建筑面积约******平方米1、4 参建单位:建设单位:成都****有限公司设计单位:成都****设计有限公司施工单位:*****建筑有限公司监理单位:*******有限公司1、5 工程内容:外墙内保温贴 25㎜厚挤塑聚苯板,保温锚栓,抗裂砂浆压入网格布等全部工作内容。1、6 工程质量标准:合格。二.编制依据(1)依法签订得监理委托合同与工程建设承包合同及其有关附件。(2)业主、监理单位与承包商在工程实施过程中有关得会议记录,函件与其它文字记载。业主提供得正式施工图纸、文件报告及有关资料。(3)政府批准得建设计划、规划等与工程建设有关得文件。(4)国家与省、市有关工程建设与监理得政策、法规、法律规范、标准、定额及省、市有关规定文件。A、相关法规、规定。B、工程有关适用得施工及验收法律规范、标准、图集1)、GB50411-2025《建筑节能工程施工质量验收法律规范》2)、DB51/5033-2025《居住建筑节能保温隔热工程质量验收规程》3)、GB50300-2025《建筑工程施工质量》4)、GB50210-2025《建筑装饰装修工程质量验收法律规范》5)、GB50203-2025《砌体工程施工质量验收范围》6)、GB50204-2025《混凝土结构工程施工质量质量验收范围》7)、11J903《住宅建筑构造》8)、2/76536516-7,1-204《墙体复合保温材料》9)、JC/T841-2025《耐碱玻璃纤维网格布》10)、05J103《挤塑聚苯板保温构造图集》三.材料控制3、1 本工程所使用材料得品种、规格应符合设计要求,其性能应符合国家、行业与现行得有关标准要求。3、2 所用材料与半成品、成品进场后检查出厂合格证、出厂检验报告并进行现场见证取样送检,合格后才能使用。四.施工准备阶段质量控制4、1 施工单位应根据设计要求编制施工技术方案报监理工程师审批,审批同意后,编制技术交底,对施工人员应进行交底与专业技术培训。4、2 施工前,应对墙体外表面进行检查,基层表面应清洁,无阻碍粘接得附着物。对空鼓、开裂、松动得部位进行剔除与修补。墙体强度、平整度、垂直度达到法律规范要求。五.施工过程质量控制5、1 在保温工程正式施工前,应先做样板。监理会同甲方、设计与施工单位共同对样板得工艺做法与施工质量进行确认,符合要求后才能大面积施工。5、2 在建筑物外墙阴阳角、洞口、变形缝、装饰线及其它必要部位设置控制线。5、3 抗裂砂浆须严格根据配合比进行配...

1、当您付费下载文档后,您只拥有了使用权限,并不意味着购买了版权,文档只能用于自身使用,不得用于其他商业用途(如 [转卖]进行直接盈利或[编辑后售卖]进行间接盈利)。
2、本站所有内容均由合作方或网友上传,本站不对文档的完整性、权威性及其观点立场正确性做任何保证或承诺!文档内容仅供研究参考,付费前请自行鉴别。
3、如文档内容存在违规,或者侵犯商业秘密、侵犯著作权等,请点击“违规举报”。

碎片内容

住宅小区外墙内保温监理实施细则

您可能关注的文档

确认删除?
VIP
微信客服
  • 扫码咨询
会员Q群
  • 会员专属群点击这里加入QQ群
客服邮箱
回到顶部