电脑桌面
添加小米粒文库到电脑桌面
安装后可以在桌面快捷访问

冻土的破碎与挖掘施工方法

冻土的破碎与挖掘施工方法_第1页
1/5
冻土的破碎与挖掘施工方法_第2页
2/5
冻土的破碎与挖掘施工方法_第3页
3/5
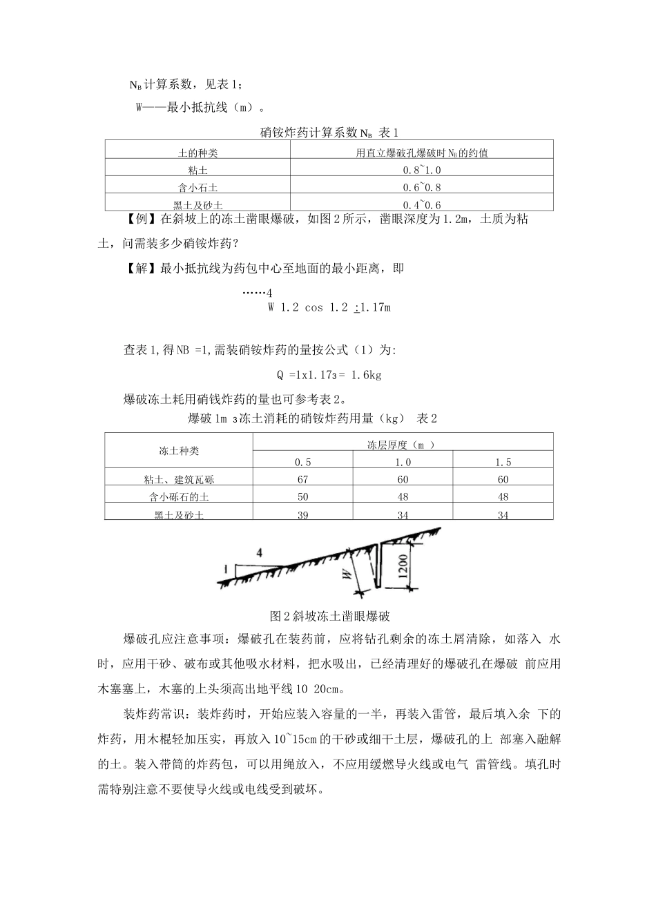
冻土的破裂与挖掘施工方法在没有保温防冻的条件,或土已冻结时,比较经济的土方施工方法是破裂冻 土,然后挖掘。一般有爆破法、机械法和人工法三种。1.爆破法爆破法适用于冻土层较厚,开挖面积较大的土方工程。这个方法是以炸药放入直立爆破孔或水平爆破孔中进行爆破,冻土破裂后用 挖土机挖出,或借爆破的力量向四外崩出,形成需要的沟槽。适用于冻土层较厚 的土方工程。冻土深度在 2m 以内时可以采纳直立爆破孔,如图 1 (a)。冻土深度在 2m 以上时可以采纳水平爆破孔,如图 1 (b)。图 1 爆破法和土层冻结深度的关系(a)直立爆破孔;(b)水平爆破孔H-冻土层厚度;W-最小抵抗线(由药包中心至地面的最小距离)爆破孔断面的形状为圆形,直径为 50~70mm。直立爆破孔与地面呈 60。一 90。夹角,深度为冻层厚度的 0.6~0.85 倍。爆破孔间距一般等于最小抵抗线长度的 1.2倍,排距等于最小抵抗线长度的 1.5 倍。爆破孔可用电钻、风钻或人工打钎 成型。炸药可使用黑色炸药、硝铵炸药或 TNT 炸药。冬期严禁使用甘油类炸药,因为它在温度 T0C 时就会冻结,并有自爆的危险。雷管可使用电雷管或火雷管。炸药用量由计算确定或不超过孔深的 2/3 外面装以砂土。硝铵炸药的用量可按下式计算:Q =NB - W 3( 1 )式中 Q 硝铵炸药用量(kg );雄 50〜70NB计算系数,见表 1;W——最小抵抗线(m)。硝铵炸药计算系数 NB 表 1土的种类用直立爆破孔爆破时 NB的约值粘土0.8~1.0含小石土0.6~0.8黑土及砂土0.4~0.6【例】在斜坡上的冻土凿眼爆破,如图 2 所示,凿眼深度为 1.2m,土质为粘土,问需装多少硝铵炸药?【解】最小抵抗线为药包中心至地面的最小距离,即……4W 1.2 cos 1.2 :1.17m查表 1,得 NB =1,需装硝铵炸药的量按公式(1)为:Q =1x1.173 = 1.6kg爆破冻土耗用硝钱炸药的量也可参考表 2。爆破孔应注意事项:爆破孔在装药前,应将钻孔剩余的冻土屑清除,如落入 水时,应用干砂、破布或其他吸水材料,把水吸出,已经清理好的爆破孔在爆破 前应用木塞塞上,木塞的上头须高出地平线 10 20cm。装炸药常识:装炸药时,开始应装入容量的一半,再装入雷管,最后填入余 下的炸药,用木棍轻加压实,再放入 10~15cm 的干砂或细干土层,爆破孔的上 部塞入融解的土。装入带筒的炸药包,可以用绳放入,不应用缓燃导火线或电气 雷管线。填孔时需特别注意不要使导火线或电线受到破坏。冻土种类冻层厚度(m )0.51.0...

1、当您付费下载文档后,您只拥有了使用权限,并不意味着购买了版权,文档只能用于自身使用,不得用于其他商业用途(如 [转卖]进行直接盈利或[编辑后售卖]进行间接盈利)。
2、本站所有内容均由合作方或网友上传,本站不对文档的完整性、权威性及其观点立场正确性做任何保证或承诺!文档内容仅供研究参考,付费前请自行鉴别。
3、如文档内容存在违规,或者侵犯商业秘密、侵犯著作权等,请点击“违规举报”。

碎片内容

冻土的破碎与挖掘施工方法

确认删除?
VIP
微信客服
  • 扫码咨询
会员Q群
  • 会员专属群点击这里加入QQ群
客服邮箱
回到顶部