电脑桌面
添加小米粒文库到电脑桌面
安装后可以在桌面快捷访问

分项工程验收表

分项工程验收表_第1页
1/40
分项工程验收表_第2页
2/40
分项工程验收表_第3页
3/40
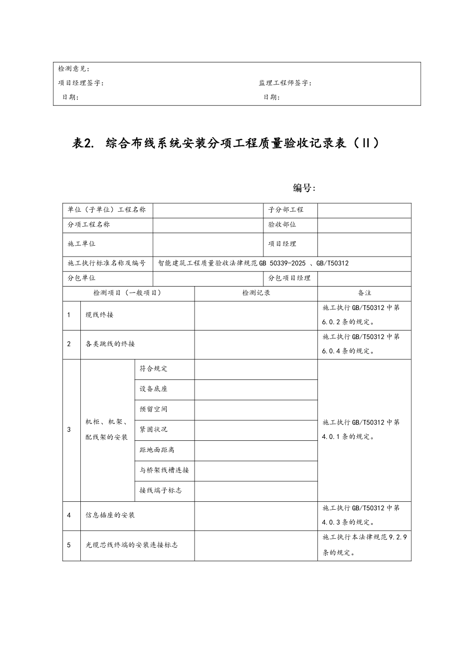
表1. 综合布线系统安装分项工程质量验收记录表(Ⅰ) 编号:单位(子单位)工程名称子分部工程分项工程名称验收部位施工单位项目经理施工执行标准名称及编号执行 GB/T50312分包单位分包项目经理检测项目(主控项目)检测记录备注1缆线的弯曲半径执行 GB/T50312 中第 5.1.1 条第五款规定。2预埋线槽和暗管的线缆敷设执行 GB/T50312 中第 5.1.2 条规定。3电源线、综合布线系统缆线应分各布放1.缆线间最小间距应符合设计要求2.执行 GB/T50312 中第 5.1.1 条第六款的规定。4电、光缆暗管敷设及与其它管线最小净距执行 GB/T50312 中第 5.1.1 条第六款的规定。5对绞电缆芯线终接执行 GB/T50312 中第 6.0.2 条的规定。6光纤连接损耗值执行 GB/T50312 中第 6.0.3 条第四款的规定。7架空、管道、直埋电、光缆敷设执行 GB/T50312 中第 5.1.5 条的规定。8机柜、机架、配线架的安装符合规定执行 GB/T50312 第四节的规定。色标一致色谱组合线序及排列9信息插座安装安装位置执行本法律规范 9.2.4 条的规定。防水防尘检测意见:项目经理签字: 监理工程师签字: 日期:日期:表2. 综合布线系统安装分项工程质量验收记录表(Ⅱ) 编号:单位(子单位)工程名称子分部工程分项工程名称验收部位施工单位项目经理施工执行标准名称及编号智能建筑工程质量验收法律规范 GB 50339-2025 、GB/T50312分包单位分包项目经理检测项目(一般项目)检测记录备注1缆线终接施工执行 GB/T50312 中第6.0.2 条的规定。2各类跳线的终接施工执行 GB/T50312 中第6.0.4 条的规定。3机柜、机架、配线架的安装符合规定施工执行 GB/T50312 中第4.0.1 条的规定。设备底座预留空间紧固状况距地面距离与桥架线槽连接接线端子标志4信息插座的安装施工执行 GB/T50312 中第4.0.3 条的规定。5光缆芯线终端的安装连接标志施工执行本法律规范 9.2.9 条的规定。检测意见:项目经理签字: 监理工程师签字:日期: 日期:表3.综合布线系统性能检测分项工程质量验收记录表(Ⅰ) 编号:单位(子单位)工程名称子分部工程分项工程名称验收部位施工单位项目经理施工执行标准名称及编号智能建筑工程质量验收法律规范 GB 50339-2025 、GB/T50312分包单位分包项目经理检测项目(主控项目)(执行本法律规范第 9.3.4 条的规定)检测记录备注1工程电气性能检测连接图执行GB/T503128.0.2 条 的 规定。长度衰减近端串音(两段)其他特别规定的...

1、当您付费下载文档后,您只拥有了使用权限,并不意味着购买了版权,文档只能用于自身使用,不得用于其他商业用途(如 [转卖]进行直接盈利或[编辑后售卖]进行间接盈利)。
2、本站所有内容均由合作方或网友上传,本站不对文档的完整性、权威性及其观点立场正确性做任何保证或承诺!文档内容仅供研究参考,付费前请自行鉴别。
3、如文档内容存在违规,或者侵犯商业秘密、侵犯著作权等,请点击“违规举报”。

碎片内容

分项工程验收表

确认删除?
VIP
微信客服
  • 扫码咨询
会员Q群
  • 会员专属群点击这里加入QQ群
客服邮箱
回到顶部