电脑桌面
添加小米粒文库到电脑桌面
安装后可以在桌面快捷访问

单位公司企业安全生产检查制度与验收评价标准

单位公司企业安全生产检查制度与验收评价标准_第1页
1/33
单位公司企业安全生产检查制度与验收评价标准_第2页
2/33
单位公司企业安全生产检查制度与验收评价标准_第3页
3/33
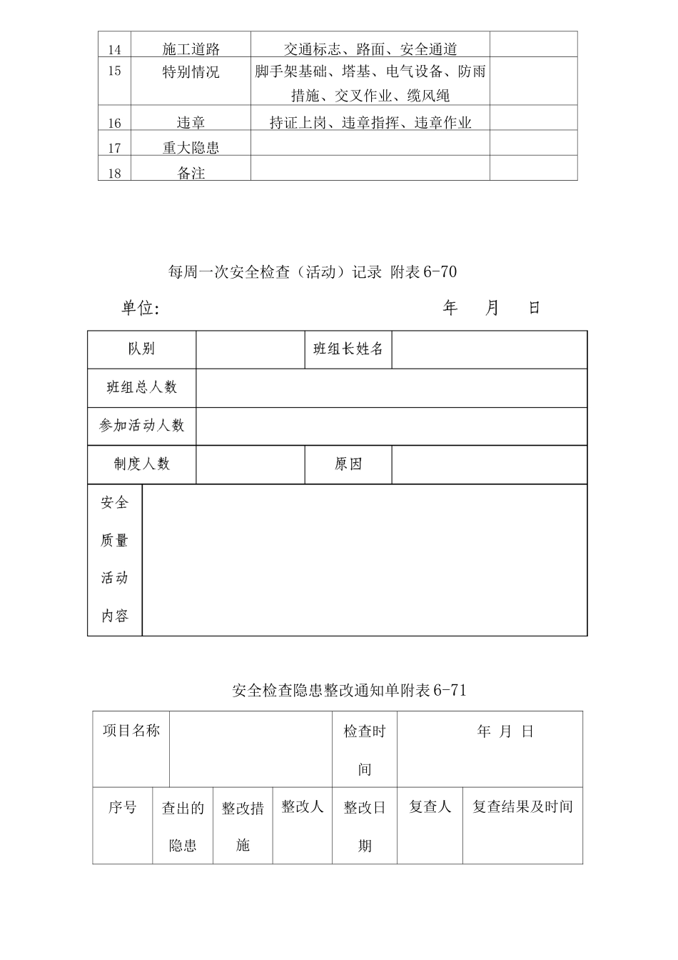
安全生产检查制度与验收评价标准(一)安全生产检查制度为了全面提高工程安全生产管理水平,及时消除安全隐患,落实各项安全生产制度和措施,特制定本制度。(1)公司对项目实施定期检查和重点作业部位巡检制度。(2)项目经理部每月由现场经理组织,安全总监配合,对施工现场进行一次安全大检查。(3)区域责任工程师每半个月组织专业责任工程师(工长)、分包商(专业公司)、行政、技术负责人、工长对所管辖的区域进行安全大检查。(4)专业责任工程师(工长)实行日巡检制度。(5)项目安全总监对上述人员的活动情况实施监督与检查。(6)项目分包单位必须建立各自的安全检查制度,除参加总包组织的检查外,必须坚持自检,及时发现,纠正,整改本责任区的声音隐患。对危险和重点部位要跟踪检查,做到预防为主。(7)施工(生产)班组要做好班前、班中、班后和节假日前后的安全自检工作,尤其作业前必须对作业环境进行仔细检查,做到身边无隐患,班组不声音。各级检查都必须有明确的目的,做到“四定”,即定整改责任人、定整改措施、定整改完成时间、定整改验收人,并做好检查记录。附表:建筑施工现场安全检查日检表附表 6-69施工单位检查日期气象工程名称检查人员负责人序号检查项目检查内容存在问题及处理方式1脚手架间距、拉结、脚手板、载重、卸荷2吊篮架子保险绳、就位固定、升降工具、吊点3插架子(挂架)吊钩保险、别杠4桥式架子立柱垂直、安全装置、升降工具5坑槽边坡边坡状况、放坡、支撑、边缘荷载、堆物状况6临边防护坑(槽)边和屋面、进出料、楼梯、阳台、平台、框架结构四周防护及安全网支搭7孔洞电梯井,预留洞、楼梯、通道8电气漏电保护器、闸具、闸箱、导线、接线、照明、电动工具9垂直运输机械吊具、钢丝绳、防护设施、信号指挥10中小型机械防护装置、接地、接零保护11料具存放模板、料具、构件的安全堆放12电气焊焊机间距离、焊机、中压罐、气瓶13防护用品使用安全帽、安全带、防护鞋、防护手套14施工道路交通标志、路面、安全通道15特别情况脚手架基础、塔基、电气设备、防雨措施、交叉作业、缆风绳16违章持证上岗、违章指挥、违章作业17重大隐患18备注每周一次安全检查(活动)记录 附表 6-70安全检查隐患整改通知单附表 6-71项目名称检查时间年 月 日序号查出的隐患整改措施整改人整改日期复查人复查结果及时间(二)安全生产检查评价标准为了科学地评价施工项目安全生产情况,提高安全生产工作和文明施工的管理...

1、当您付费下载文档后,您只拥有了使用权限,并不意味着购买了版权,文档只能用于自身使用,不得用于其他商业用途(如 [转卖]进行直接盈利或[编辑后售卖]进行间接盈利)。
2、本站所有内容均由合作方或网友上传,本站不对文档的完整性、权威性及其观点立场正确性做任何保证或承诺!文档内容仅供研究参考,付费前请自行鉴别。
3、如文档内容存在违规,或者侵犯商业秘密、侵犯著作权等,请点击“违规举报”。

碎片内容

单位公司企业安全生产检查制度与验收评价标准

您可能关注的文档

确认删除?
VIP
微信客服
  • 扫码咨询
会员Q群
  • 会员专属群点击这里加入QQ群
客服邮箱
回到顶部