电脑桌面
添加小米粒文库到电脑桌面
安装后可以在桌面快捷访问

土方班前安全活动

土方班前安全活动_第1页
1/12
土方班前安全活动_第2页
2/12
土方班前安全活动_第3页
3/12
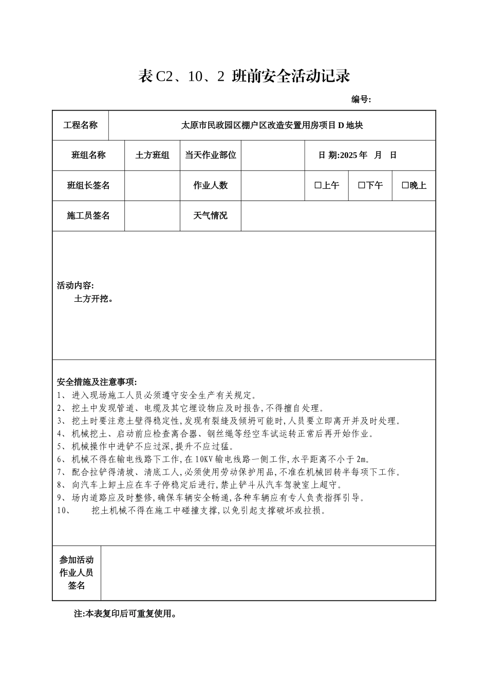
表 C2、10、2 班前安全活动记录 编号:工程名称太原市民政园区棚户区改造安置用房项目 D 地块班组名称土方班组当天作业部位日 期:2025 年 月 日班组长签名作业人数□上午□下午□晚上施工员签名天气情况活动内容:土方开挖。安全措施及注意事项:1、进入现场施工人员必须遵守安全生产有关规定。2、挖土中发现管道、电缆及其它埋设物应及时报告,不得擅自处理。3、挖土时要注意土壁得稳定性,发现有裂缝及倾坍可能时,人员要立即离开并及时处理。4、机械挖土、启动前应检查离合器、钢丝绳等经空车试运转正常后再开始作业。5、机械操作中进铲不应过深,提升不应过猛。6、机械不得在输电线路下工作,在 10KV 输电线路一侧工作,水平距离不小于 2m。7、配合拉铲得清坡、清底工人,必须使用劳动保护用品,不准在机械回转半每项下工作。8、向汽车上卸土应在车子停稳定后进行,禁止铲斗从汽车驾驶室上超守。9、场内道路应及时整修,确保车辆安全畅通,各种车辆应有专人负责指挥引导。10、挖土机械不得在施工中碰撞支撑,以免引起支撑破坏或拉损。参加活动作业人员签名注:本表复印后可重复使用。表 C2、10、2 班前安全活动记录 编号:工程名称太原市民政园区棚户区改造安置用房项目 D 地块班组名称打桩班组当天作业部位日 期:2025 年 月 日班组长签名作业人数□上午□下午□晚上施工员签名天气情况活动内容:桩基础施工。安全措施及注意事项:一、进入施工现场,必须遵守安全劳动纪律与规章制度 二、进入施工区内,必须佩戴安全帽 三、机械操作人员上岗前不准喝酒,严禁酒后上班 四、机械进场安装完毕后要进行测试检查,经验收合格后方可进行使用,未检查合格不得作业,确保安全生产 五、严禁违章作业、违章指挥、违反劳动纪律六、施工现场临时用电线路必须符合当地电业局得规定,电气设备全部接地接零,电动机械与电动手持工具要设漏电掉闸装备,要做到“一机、一闸、一箱、一漏”严禁一闸多用七、在机械周边施工人员要注意自身安全,以防掉入孔洞中 七、施工中所使用得各种绳索特别就是钢丝绳,要仔细检查,超出要求得要重新更换,确保施工安全 八、用手推车浇捣混凝土时,推车人员与浇筑砼工应密切配合,当下料时,操作人员应主动避让,并应站立稳当,防止推车碰人。九、使用振动机前应检查电源电压,输电必须安装漏电开关,保护电源线路就是否良好,电源线不得有接头,机械运转就是否正常,振动机移动时,不能硬拉电线,更不能在钢筋与其它锐利物上拖拉,防止割破拉断电...

1、当您付费下载文档后,您只拥有了使用权限,并不意味着购买了版权,文档只能用于自身使用,不得用于其他商业用途(如 [转卖]进行直接盈利或[编辑后售卖]进行间接盈利)。
2、本站所有内容均由合作方或网友上传,本站不对文档的完整性、权威性及其观点立场正确性做任何保证或承诺!文档内容仅供研究参考,付费前请自行鉴别。
3、如文档内容存在违规,或者侵犯商业秘密、侵犯著作权等,请点击“违规举报”。

碎片内容

土方班前安全活动

确认删除?
VIP
微信客服
  • 扫码咨询
会员Q群
  • 会员专属群点击这里加入QQ群
客服邮箱
回到顶部