电脑桌面
添加小米粒文库到电脑桌面
安装后可以在桌面快捷访问

壳管式冷凝器课程设计报告

壳管式冷凝器课程设计报告_第1页
1/18
壳管式冷凝器课程设计报告_第2页
2/18
壳管式冷凝器课程设计报告_第3页
3/18
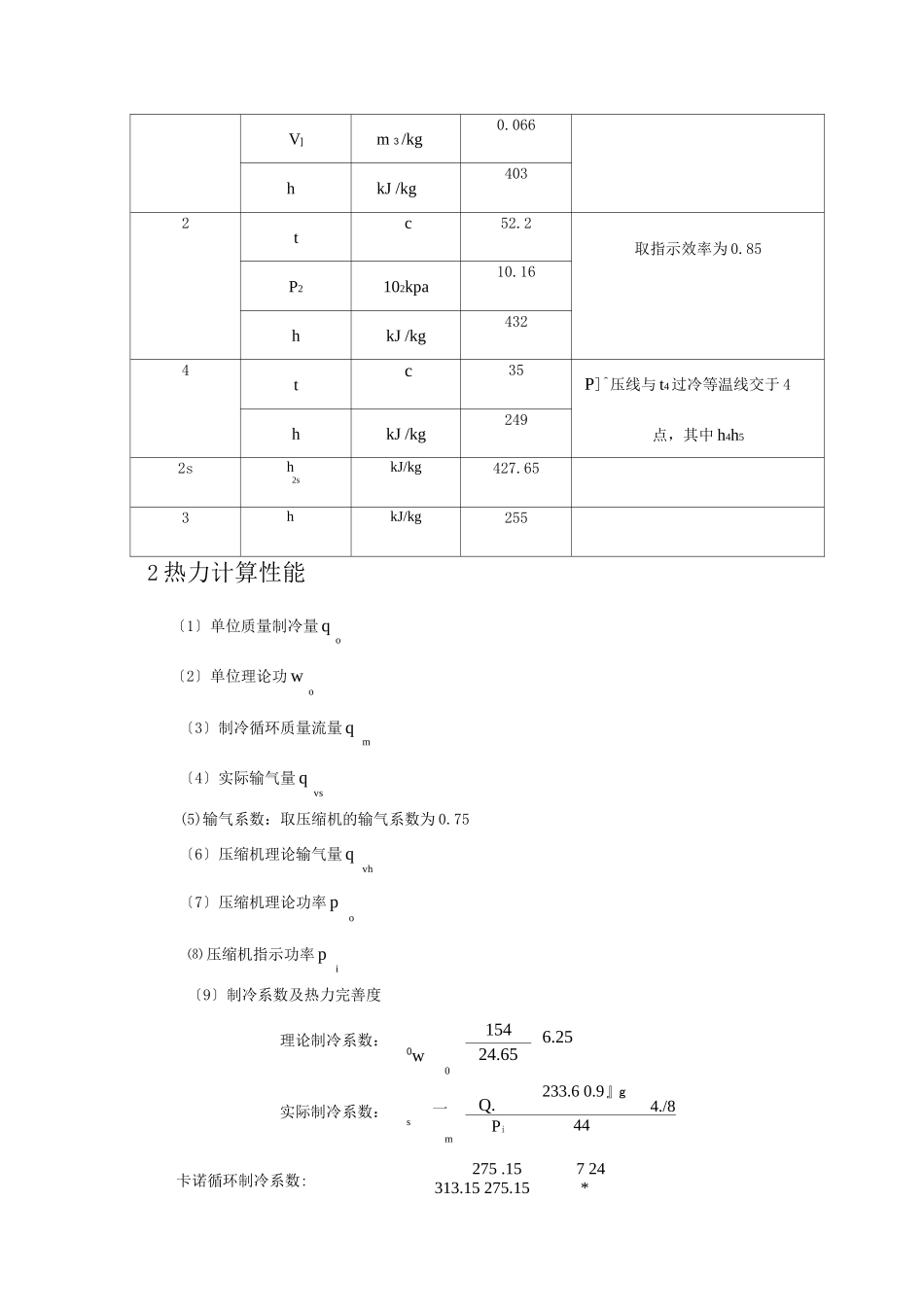
壳管式冷凝器课程设计第一局部:一:设计任务:用制冷量为 273.6KW 的水冷螺杆式冷水机组,制冷剂选用 R134a,蒸发器形式采纳冷却液体载冷剂的卧式蒸发器,冷凝器采纳卧式壳管式。二:工况确定冷凝温度 t 确定:k冷却水进温度 tw1t t 32 37 —-4__2 5.52 m 232 c,出温度 tw 240 c。2:蒸发温度 t 确定:03:吸气温度 7 c,采纳热力膨胀阀时,蒸发器出温度气体过热度为 3 5 c。过冷度为 5 c,单级压缩机系统中,一般取过冷度为 5 c 三:热力计算:1:热力计算:制冷循环热力状态参数经过查制冷剂的参数可知,作表格如下:状态点符号单位参数值0t0c2根据匕确定蒸发压力 p0,作等压线饱和气体线交得 0点p0102 kpa3.2h0kJ /kg3981tc7P0的等压线交[,查压焓图1:37 c,冷凝温度 t :由k冷冻水进温度 t12 c,出温度 ts27 c,蒸发温度 t :由012 727.52 c。V]m 3 /kg0.066hkJ /kg4032tc52.2取指示效率为 0.85P2102kpa10.16hkJ /kg4324tc35P]^压线与 t4过冷等温线交于 4点,其中 h4h5hkJ /kg2492sh2skJ/kg427.653hkJ/kg2552 热力计算性能〔1〕单位质量制冷量 qo〔2〕单位理论功 wo〔3〕制冷循环质量流量 qm〔4〕实际输气量 qvs(5)输气系数:取压缩机的输气系数为 0.75〔6〕压缩机理论输气量 qvh〔7〕压缩机理论功率 po⑻ 压缩机指示功率 pi〔9〕制冷系数及热力完善度理论制冷系数:0w01546.2524.65实际制冷系数:一smQ.233.6 0.9』g4./8Pi44卡诺循环制冷系数:275 .157 24313.15 275.15*4 78故热力完善度为:—里 0.66 7.24c(10)冷凝器热负荷.h h .由七 h1-2s一 1 432kJ/kg,则 Q q (h h ) 1.517 (432 255) 268 kJ/kgk m23〔11〕压缩机的输入电功率q w 1.517 24.65 由 p Hm o 48.3kw,取 0.9,0.860.9 0.86mmotm mot〔12〕能效比循环的热力计算如下:序号工程计算公式结果备注1单位制冷量q h h015154kJ/kg2单位理论功w h h24.65kJ/kg3制冷循环质量流量q 堂 m qo1.517kg/s4实际输气量qvsqmV0.1m 3 /s5输气系数0.756压缩机理论输气量八qq—vsvh0.133 m 3,'s7压缩机理论功率p q wom o37.6kW8压缩机指示功率p,旦44kW9理论制冷系数Q—k―spmi6.2510实际制冷系数p q w4.7811卡诺循环制冷系数c T TK07.2412热力完善度-0.6613冷凝器热负荷Qk268kJ/kg14压缩机的输入轴功率q wP—ffl9-m48.3kW15能效比EER %4.8363.压缩机的选型在制冷系统中,压缩机起...

1、当您付费下载文档后,您只拥有了使用权限,并不意味着购买了版权,文档只能用于自身使用,不得用于其他商业用途(如 [转卖]进行直接盈利或[编辑后售卖]进行间接盈利)。
2、本站所有内容均由合作方或网友上传,本站不对文档的完整性、权威性及其观点立场正确性做任何保证或承诺!文档内容仅供研究参考,付费前请自行鉴别。
3、如文档内容存在违规,或者侵犯商业秘密、侵犯著作权等,请点击“违规举报”。

碎片内容

壳管式冷凝器课程设计报告

确认删除?
VIP
微信客服
  • 扫码咨询
会员Q群
  • 会员专属群点击这里加入QQ群
客服邮箱
回到顶部