电脑桌面
添加小米粒文库到电脑桌面
安装后可以在桌面快捷访问

安全、文明、环保施工措施

安全、文明、环保施工措施_第1页
1/9
安全、文明、环保施工措施_第2页
2/9
安全、文明、环保施工措施_第3页
3/9
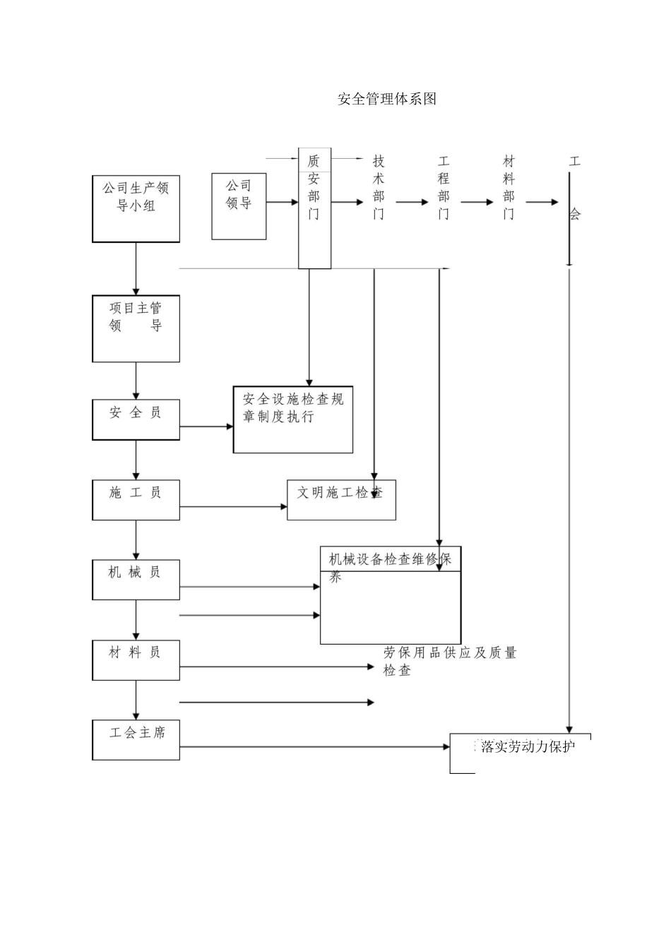
安全保证措施1. 项目安全机构设置项目成立由项目经理为首的安全管理班子,建立安全保证体系,对施工现场的安全生产进行全方位控制管理。使施工现场一无重大安全事故、二无火灾事故、三无违法乱纪事件。建立项目部各成员安全生产责任制,并将各成员安全职责进行分解,每月由公司质安科进行安全生产责任制执行情况评定、考核。安全控制措施一、制度建设为保证施工现场安全生产,使安全管理由人管理人变为制度管人,为此制定如下安全管理1、安全目标管理制度;2、安全技术管理制度;3、项目部安全技术交底制度;4、安全检查、检验制度;5、安全教育培训制度;6、安全生产活动制度;7、特种作业人员管理制度;8、安全奖罚制度;9、工伤事故管理制度;10、危险点源管理制度;安全管理体系图落实劳动力保护安全保证体系图二、安全管理措施1、对施工作业人员进行三级安全教育,建立安全教育卡,由公司质安部门分工种出安全常识考试试卷,以对进场工人进行安全考核。2、组织现场工人观看安全方面的图片展及录像,使每个工人都意识到安全生产的重要性。3、施工前对工人进行安全技术交底,作好安全技术交底记录;对节假日前后也应进行安全技术交底。4、对施工中的模板支撑搭设、脚手架应由施工现场专职安全员每架设一次进行一次检查验收,合格后方可使用,并作好检查记录、验收单。塔吊、施工机具等应每月进行检查,填写检查记录,合格后挂“准用”牌。5、由项目技术负责人编制各专项施工方案,即物料提升架安装与拆除专项施工方案、脚手架专项施工方案、施工临时用电专项施工方案,报公司技术部门和公司总工办审批。最后送监理和建设单位签章。6、项目专职安全员每日填写安全生产日志。7、根据施工现场布置情况,确定安全标志、灭火器位置,并画出分布图。划分施工现场危险点源,作出危险点源分布图。8、按“四不放过”原则建立工伤事故档案。三、安全施工措施1、凡进入施工现场的人员必须戴安全帽,悬空作业系好安全带。严禁穿硬底鞋、高跟鞋在高空或脚手架上作业。2、“四 ”、“五临边”要有醒目标志,并加设 1.2M 高防护栏杆,设安全通道,房屋四周随楼层升高设置竖向密目安全网,进行封闭式施工。3、脚手架按本方案中规定搭设,立杆下设扫地杆和垫木,以防止发生整体或局部沉陷。架子不能超载使用。并检查钢管架料有否截面焊接,若有则不能使用,以防止钢管断裂,脚手板严禁有探头板。脚手架搭设根据规定设连墙杆,并设置剪刀撑。4、现场电线必须架...

1、当您付费下载文档后,您只拥有了使用权限,并不意味着购买了版权,文档只能用于自身使用,不得用于其他商业用途(如 [转卖]进行直接盈利或[编辑后售卖]进行间接盈利)。
2、本站所有内容均由合作方或网友上传,本站不对文档的完整性、权威性及其观点立场正确性做任何保证或承诺!文档内容仅供研究参考,付费前请自行鉴别。
3、如文档内容存在违规,或者侵犯商业秘密、侵犯著作权等,请点击“违规举报”。

碎片内容

安全、文明、环保施工措施

您可能关注的文档

范哲铺+ 关注
实名认证
内容提供者

想你所想,急你所急,你需要的都在店铺里可以找到。

确认删除?
VIP
微信客服
  • 扫码咨询
会员Q群
  • 会员专属群点击这里加入QQ群
客服邮箱
回到顶部