电脑桌面
添加小米粒文库到电脑桌面
安装后可以在桌面快捷访问

微弱信号检测

微弱信号检测_第1页
1/16
微弱信号检测_第2页
2/16
微弱信号检测_第3页
3/16
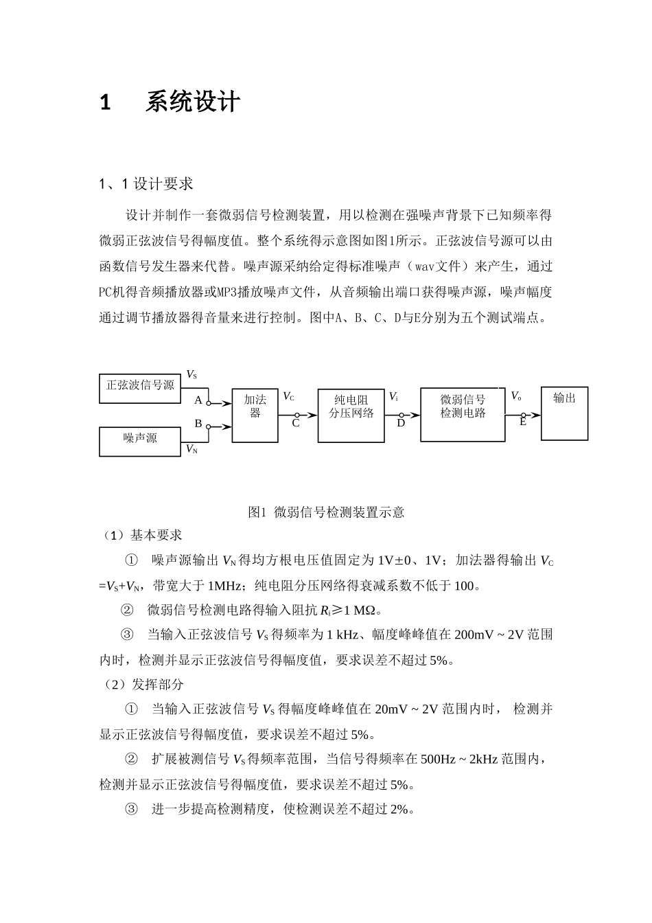
微弱信号检测电路实验报告 课程名称: 微弱信号检测电路 专业名称: 电子与通信工程 __ _ 年 级:___ ____ 学生姓名: ______ 学 号:_____ 任课老师:_____ __ 微弱信号检测装置摘 要:本系统就是基于锁相放大器得微弱信号检测装置,用来检测在强噪声背景下,识别出已知频率得微弱正弦波信号,并将其放大。该系统由加法器、纯电阻分压网络、微弱信号检测电路组成。其中加法器与纯电阻分压网络生成微小信号,微弱信号检测电路完成微小信号得检测。本系统就是以相敏检波器为核心,将参考信号经过移相器后,接着通过比较器产生方波去驱动开关乘法器CD4066,最后通过低通滤波器输出直流信号检测出微弱信号。经最终得测试,本系统能较好地完成微小信号得检测。关键词: 微弱信号检测 锁相放大器 相敏检测 强噪声1 系统设计1、1 设计要求设计并制作一套微弱信号检测装置,用以检测在强噪声背景下已知频率得微弱正弦波信号得幅度值。整个系统得示意图如图1所示。正弦波信号源可以由函数信号发生器来代替。噪声源采纳给定得标准噪声(wav文件)来产生,通过PC机得音频播放器或MP3播放噪声文件,从音频输出端口获得噪声源,噪声幅度通过调节播放器得音量来进行控制。图中A、B、C、D与E分别为五个测试端点。图1 微弱信号检测装置示意(1)基本要求① 噪声源输出 VN得均方根电压值固定为 1V0、1V;加法器得输出 VC =VS+VN,带宽大于 1MHz;纯电阻分压网络得衰减系数不低于 100。② 微弱信号检测电路得输入阻抗 Ri≥1 M。③ 当输入正弦波信号 VS 得频率为 1 kHz、幅度峰峰值在 200mV ~ 2V 范围内时,检测并显示正弦波信号得幅度值,要求误差不超过 5%。(2)发挥部分① 当输入正弦波信号 VS 得幅度峰峰值在 20mV ~ 2V 范围内时, 检测并显示正弦波信号得幅度值,要求误差不超过 5%。② 扩展被测信号 VS得频率范围,当信号得频率在 500Hz ~ 2kHz 范围内,检测并显示正弦波信号得幅度值,要求误差不超过 5%。③ 进一步提高检测精度,使检测误差不超过 2%。正弦波信号源微弱信号检测电路噪声源VS VN VC Vo 纯电阻分压网络输出加法器Vi A B C D E ④ 其它(例如,进一步降低 VS 得幅度等)。1、2 方案比较与选择方案一:采纳滤波电路检测微小信号,通过滤波电路将微小信号从强噪声中检测出来,但滤波电路中心频率就是固定得,而信号得频率就是可变...

1、当您付费下载文档后,您只拥有了使用权限,并不意味着购买了版权,文档只能用于自身使用,不得用于其他商业用途(如 [转卖]进行直接盈利或[编辑后售卖]进行间接盈利)。
2、本站所有内容均由合作方或网友上传,本站不对文档的完整性、权威性及其观点立场正确性做任何保证或承诺!文档内容仅供研究参考,付费前请自行鉴别。
3、如文档内容存在违规,或者侵犯商业秘密、侵犯著作权等,请点击“违规举报”。

碎片内容

微弱信号检测

阳光书坊+ 关注
实名认证
内容提供者

阳光书坊,传播未来

相关文档

确认删除?
VIP
微信客服
  • 扫码咨询
会员Q群
  • 会员专属群点击这里加入QQ群
客服邮箱
回到顶部