电脑桌面
添加小米粒文库到电脑桌面
安装后可以在桌面快捷访问

某深基坑工程施工方案

某深基坑工程施工方案_第1页
1/11
某深基坑工程施工方案_第2页
2/11
某深基坑工程施工方案_第3页
3/11
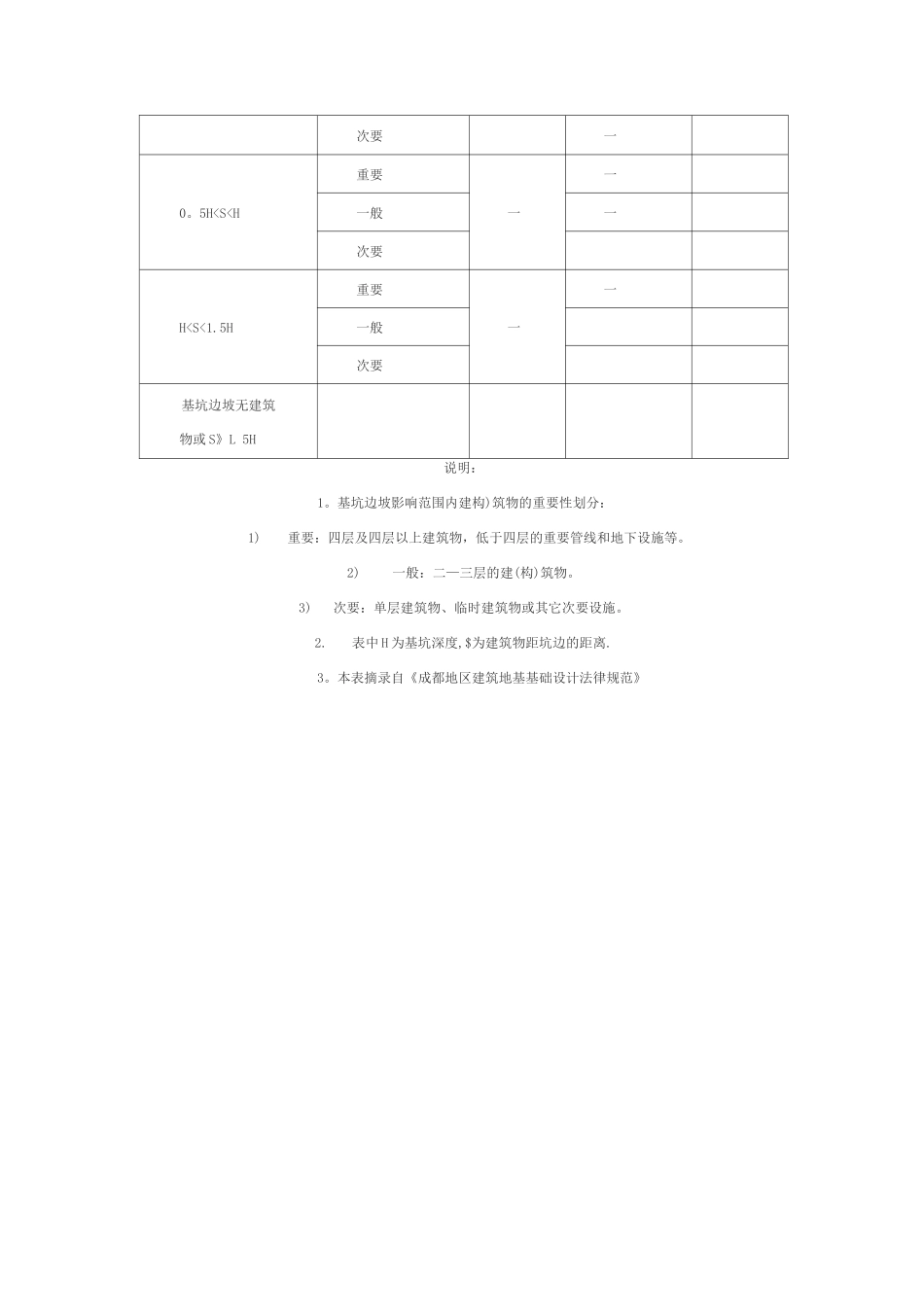
某深基坑工程施工方案施工方案 29 —06 —25 12:08: 18 阅读 699 评论 0 字号:大中小订阅第一章编制说明与编制依据1.1 编制说明1。1.1 我公司坚持为用户服务的思想,编制施工组织设计着重在提高工程质量,加快施工进度,抓好安全文明生产,提供有利的保障。为客户酝造一个良好的环境。树立良好的社会形象。1.1。2 我公司高度重视本施工方案设计的编写,由公司技术负责人组织对工程的重点、难点及关键特别过程进行攻克。在认真讨论图纸,明确工程特点、充分了解施工环境、准确把握业主要求的前提下,成立编制专题小组,集思广议、博采众长,力求本方案重点突出,切合工程实际,思路先进,可操作性和针对性强。1.2 编制依据1.2。1 根据《中华人民共和国安全生产法》,加强对建筑工程中危险点源的控制,避开重、特大事故的发生。1。2.2 根据《成都市建筑工程深基坑施工安全管理暂行办法》,对建筑工程开挖深度超过 5m 的基坑(沟槽)称为深基坑。暂行办法”第一条,为了加强建筑工程深基坑施工的安全管理,确保深基坑及相邻建(构)筑物、地下设施、道路的安全,防止安全事故的发生,根据有关法律、法规的规定.根据地质情况和周围环境而定施工方案.1。2。3 双流县规划管理局 26 年 3 月 18 日签发的地形图及规划红线图.1.2.4 广元零八一建筑勘察设计院设计的《 国际大酒店及 南园五星城》施工图。1.2。5 中国 建设集团成都勘察讨论总院 26 年 12 月编制的《国际大酒店及 南园五星城》岩土工程勘察报告.1。2.6 根据《建筑地基基础工程施工质量验收法律规范》GB 50202 —221.2。7 根据《成都地区建筑地基基础设计法律规范》(DD51/T5026 —21)规定确定的基坑工程安全等级为一般的基坑。基坑工程安全等级划分见附表)基坑工程的安全等级坡顶建筑物距基坑边线的距离坡顶建(构)筑物重要性H>12m5m < H < 12mH < 5mS <0。5H重要一一一一般一二次要一0。5H

1、当您付费下载文档后,您只拥有了使用权限,并不意味着购买了版权,文档只能用于自身使用,不得用于其他商业用途(如 [转卖]进行直接盈利或[编辑后售卖]进行间接盈利)。
2、本站所有内容均由合作方或网友上传,本站不对文档的完整性、权威性及其观点立场正确性做任何保证或承诺!文档内容仅供研究参考,付费前请自行鉴别。
3、如文档内容存在违规,或者侵犯商业秘密、侵犯著作权等,请点击“违规举报”。

碎片内容

某深基坑工程施工方案

您可能关注的文档

确认删除?
微信客服
  • 扫码咨询
会员Q群
  • 会员专属群点击这里加入QQ群