电脑桌面
添加小米粒文库到电脑桌面
安装后可以在桌面快捷访问

物业安全管理员实操手册

物业安全管理员实操手册_第1页
1/59
物业安全管理员实操手册_第2页
2/59
物业安全管理员实操手册_第3页
3/59
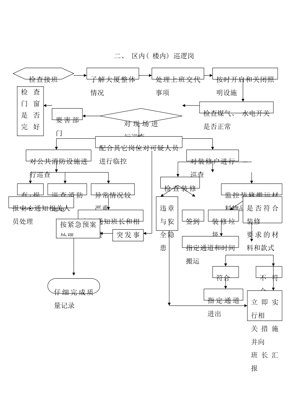
第一章: 管理区安全岗位务实一、 人员入口岗1、 送餐人员: 礼貌询问送达的房号——经过对讲与住户联系证实——请其出示有效证件进行登记——按要求填写《来访人员登记表》——通知巡逻岗进行跟踪核实——离开时收回出入卡, 注销离去时间。2、 送货人员: 主动上前询问货物送达地点———通知中心或相应岗位核实, 指挥车辆合理停放——请其出示有效证件进行登记并发放出入卡——通知巡逻岗跟进( 控制电梯) 搬运。3、 装修人员: 安全员检查《人员临时出入卡》——核对房号、 姓名、 照片、 证件有效期及管理处公章——证件过期者通知其延期, 证件遗失者通知其补办——登记后方可放行。4、 业务人员( 如送花、 送机票、 送药、 送餐等) : 礼貌的询问其送达的房号——通知中心或相应岗位联系顾客确认——请其出示有效证件, 登记发放出入卡——通知巡逻岗进行跟踪, 防止其派发传单——收回证件, 注销离去时间。5、 尾随业主人员: 主动拦截询问——业主证实为自己朋友, 问好, 请其进入——业主证实非自己朋友, 询问来访目的, 按来访人员处理——登记并发放出入卡, 通知巡逻岗跟踪。6、 普通来访人员: 主动上前询问, 清楚所到达房号——通知中心联系证实——请其出示有效证件进行登记, 通知巡逻跟踪——态度强硬不愿登记者, 通知上级处理。7、 本地执行公务人员: 请其出示证件进行登记——通知管理人员, 致电对方单位核实——由管理人员陪同前往——如进行搜查须出示搜查证。8、 外地执法公务人员: 请其出示证件进行登记——通知管理人员——有本地执法部门人员陪同, 且有当地相应部门证明——由管理人员陪同前往——如扣押物品须列清单, 双方签字确认。二、 区内( 楼内) 巡逻岗检查接班物品了解大厦整体情况处理上班交代事项按时开启和关闭照明设施检查煤气、 水电开关是否正常对 现 场 进行巡查要 害 部门对公共消防设施进行巡查配合其它岗位对可疑人员进行临控对装修户进行巡查有 损坏巡 查 消 防通道异常情况较严重报中心通知相关人员处理立即通知班长和相关人员检 查 装 修现场违章与安全隐患签到监控装修搬运材料物品装 修 垃圾指定通道和时间搬运是 否 符 合装修要 求 的 材料和款式符合指 定 通 道进出不 符合立 即 实行相关 措 施并向班 长 汇报仔 细 完 成 质量记录检 查门 窗是 否完 好静 听突 发 事件按紧急预案处理三 、 外 围 巡 逻 岗按...

1、当您付费下载文档后,您只拥有了使用权限,并不意味着购买了版权,文档只能用于自身使用,不得用于其他商业用途(如 [转卖]进行直接盈利或[编辑后售卖]进行间接盈利)。
2、本站所有内容均由合作方或网友上传,本站不对文档的完整性、权威性及其观点立场正确性做任何保证或承诺!文档内容仅供研究参考,付费前请自行鉴别。
3、如文档内容存在违规,或者侵犯商业秘密、侵犯著作权等,请点击“违规举报”。

碎片内容

物业安全管理员实操手册

确认删除?
VIP
微信客服
  • 扫码咨询
会员Q群
  • 会员专属群点击这里加入QQ群
客服邮箱
回到顶部