电脑桌面
添加小米粒文库到电脑桌面
安装后可以在桌面快捷访问

物业暖通系统维护方案

物业暖通系统维护方案_第1页
1/6
物业暖通系统维护方案_第2页
2/6
物业暖通系统维护方案_第3页
3/6
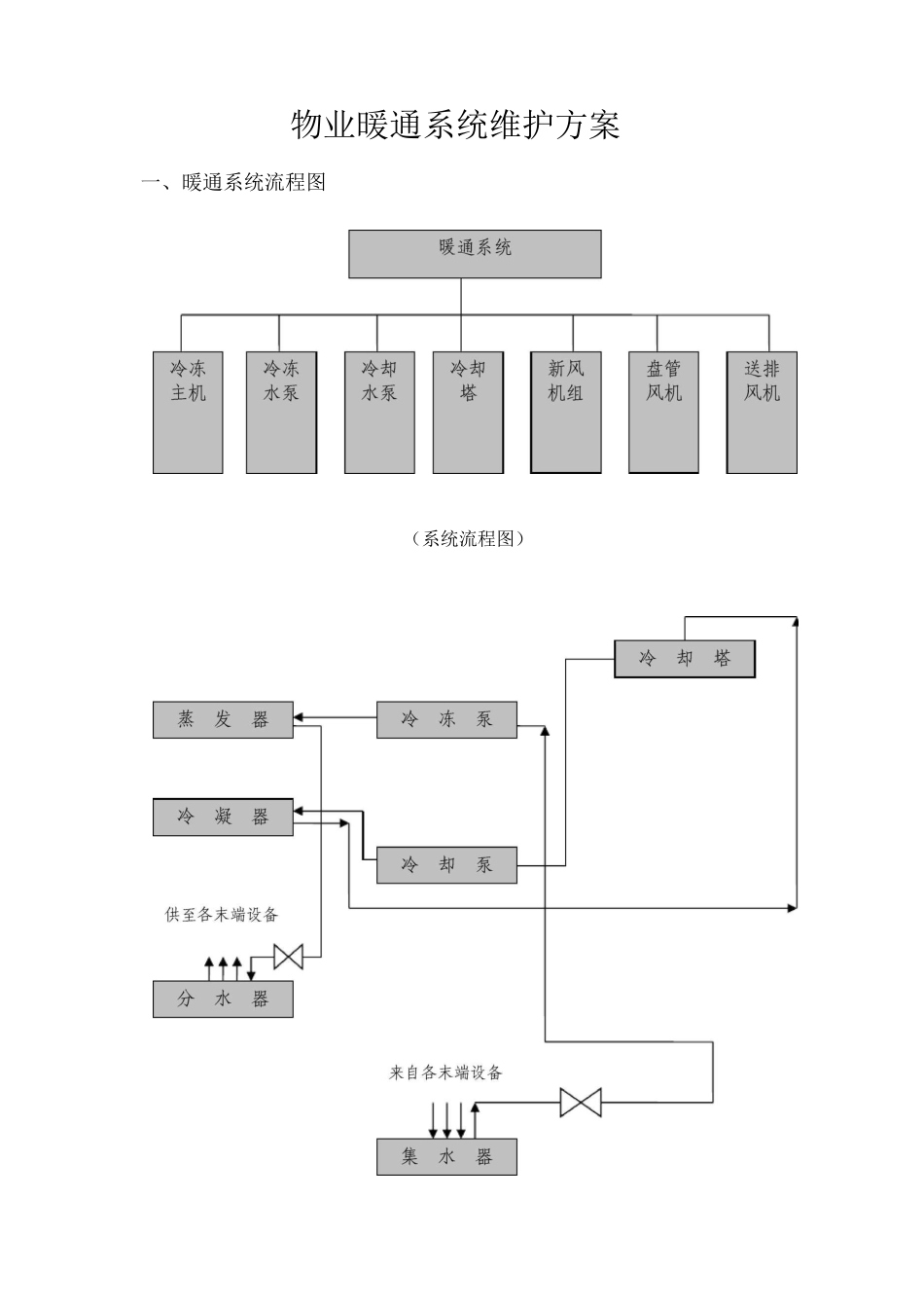
物业暖通系统维护方案一、暖通系统流程图(系统流程图)、系统分析与关键点冷冻主机这类与用户密切相关的设备,也是设备管理的一个重点和难点,此类设备出故障后将影响整个大楼用户的使用。主机维护的技术要求高,对水处理要求严,一旦出现故障,处理 难度较大。我们在充分做好日常运作管理和日常维护的前提下,将采 取请专业外包单位提专业主机维护保养工作和空调水处理,以满足设备的安全运行需 要。对于大楼内部充满高压力的空调水系统而言,一旦系统的任何一 个设备零件出现爆裂,将给用户带来损失和不便,这就要求物业要建 立空调水害的应急机制。三、维保计划标准类型序号检查保养项目检修保养方法标准周期水泵机组及附件1.运行情况振动、轴温运转平稳每天2.仪表指示检查指示正确每天3.外观直观目测无滴水每天4.外观清洁擦洗、除污观感良好每周5.水泵轴端检查更换盘根填料无渗漏每月6.水泵轴承清洗换润滑油手动运转灵活一年7.电机轴承清洗换润滑油手动运转灵活一年8.电机绝缘测电机吸收比绝缘良好半年9.电机运行电流直观目测正常范围每天10.接线端子是否松动如松动,用螺丝刀 紧固不松动每季度11.检查设备的标识直观目测标识齐全每天管道及阀门1.管道如渗漏,补漏换管无渗漏每季度保温无破损每季度2.阀门紧固压盖螺丝,调 整更换调料不漏水,手动运 转灵活一年新风机及风机旁管1.外观清洁用擦布、毛刷除尘无灰尘每周2.异味和异声视觉和听觉无异味和异声每天3.过滤网用擦布、毛刷除尘无灰尘每季度类型序号检查保养项目检修保养方法标准周期4.电机轴承清洗加润滑油手动运转灵活一年5.阀门紧固压盖螺丝,调 整更换填料不漏水,手动运 转灵活一年冷却 塔1.测量及记录电机运行电流及绝缘电阻用仪表测量在正常范围内每季度2.检查运转方向、运 行有否不正常声音 及震动视觉和听觉无异味和异声每天3.检查电机、传动机 构的润滑情况是情况加注润滑油传动灵活一年4.检查布水、分水器的布水水情况直观目测正常状态每天5.检查传动皮带松紧 情况并调整、检查 并紧固全部紧固件如松动,用螺丝刀 紧固松紧适宜每季度6.检查风扇及联结器 的平衡情况直管或用仪器测量无偏差每季度7.检查塔体的支撑情 况直观目测无锈蚀每天8.检查塔体、阀门、 管线的油漆,如有脱落,及时喷刷直观目测外观良好每季度9.检查个电动阀的动 作情况模拟启动运转平稳每季度10.清洗塔内的脏物,清洁塔体用清洁剂和清洁用 具无脏物,无污染每季度11.检查水位并调...

1、当您付费下载文档后,您只拥有了使用权限,并不意味着购买了版权,文档只能用于自身使用,不得用于其他商业用途(如 [转卖]进行直接盈利或[编辑后售卖]进行间接盈利)。
2、本站所有内容均由合作方或网友上传,本站不对文档的完整性、权威性及其观点立场正确性做任何保证或承诺!文档内容仅供研究参考,付费前请自行鉴别。
3、如文档内容存在违规,或者侵犯商业秘密、侵犯著作权等,请点击“违规举报”。

碎片内容

物业暖通系统维护方案

确认删除?
VIP
微信客服
  • 扫码咨询
会员Q群
  • 会员专属群点击这里加入QQ群
客服邮箱
回到顶部