电脑桌面
添加小米粒文库到电脑桌面
安装后可以在桌面快捷访问

起重机械设备备案表VIP免费

起重机械设备备案表_第1页
1/44
起重机械设备备案表_第2页
2/44
起重机械设备备案表_第3页
3/44
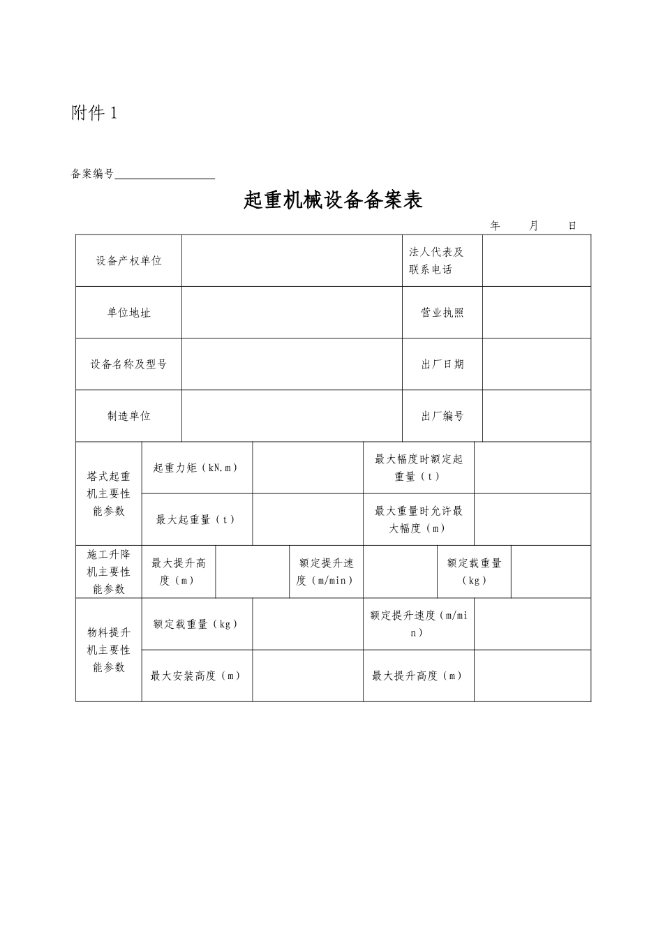
附件1备案编号起重机械设备备案表年月日设备产权单位法人代表及联系电话单位地址营业执照设备名称及型号出厂日期制造单位出厂编号塔式起重机主要性能参数起重力矩(kN.m)最大幅度时额定起重量(t)最大起重量(t)最大重量时允许最大幅度(m)施工升降机主要性能参数最大提升高度(m)额定提升速度(m/min)额定载重量(kg)物料提升机主要性能参数额定载重量(kg)额定提升速度(m/min)最大安装高度(m)最大提升高度(m)产权单位意见技术负责人:产权单位(盖年月日备案机关意见资料齐全,同意备案。□资料不齐全,不予备案。□负责人签字:备案机关(盖章)年月日附件2河北省建筑起重机械备案编号规则1、建筑起重机械备案编号:冀XX-XXXXXX(1)(2)(3)其中:(1)起重机械备案属地代号——第一位“X”为设区市的英文字母代号;第二位“X”为区、市(县)的英文字母代号。各设区市英文字母代号如下:设区市名称英文字母代号设区市名称英文字母代号石家庄A张家口G唐山B承德H秦皇岛C廊坊R邯郸D沧州J邢台E衡水T保定F华北油田K各设区市所属县(市、区)英文字母代号由各设区市建设主管部门设定后,报省住房和城乡建设厅备案。(2)起重机械规格型号——“X”表示起重机械类别英文字母代号(代号对照表见表A)。(3)起重机械备案序号——“XXXXX”表示五位阿拉伯数字备案序号,由区、市(县)从00001开始编号。2、示例:冀AB-T00001表示:河北省石家庄市B县进行起重机械备案的一台塔式起重机,备案序号为00001号。3、代号对照表表A类别塔式起重机施工升降机(不含物料提升机)物料提升机其他起重机械代号TSW由各地自定附件3施工现场起重设备基础验收单工程名称工程地点设备名称规格型号备案编号制作日期验收内容验收结果基础尺寸起重机运动部分与架空线路的距离(计算值)起重机运动部分与建筑物及外围设施之间的距离(计算值)钢筋设置预埋件设置混凝土强度验收结论安拆单位负责人施工单位负责人监理单位总监附件4施工现场起重机械拆装告知单工程名称单体工程工程地址作业内容安装/拆卸拆装日期设备名称型号备案编号总包(施工)单位盖章签字:项目经理联系电话监理单位盖章签字:总监联系电话产权单位盖章签字:负责人联系电话拆装单位名称盖章签字:负责人联系电话资质等级资质证书编号拆装人员一览表拆装作业工种拆装作业人员操作证号备注班长收件人:日期:附件5备案编号使用登记编号起重机械设备使用登记表使用单位:联系人:电话:年月日设备所属单位设备名称规格型号设备编号出厂日期设备高度(m)首次安装最终使用工程名称开工日期项目经理联系电话安装单位安全生产许可证编号安装单位资质等级安装起止时间现场安装负责人联系电话检验检测单位检验检测单位资格证书编号检验检测负责人检验日期作业人员姓名工种证书编号安装单位意见技术负责人:安装单位(盖章)年月日使用单位意见技术负责人签字:使用单位(盖章)年月日产权单位意见技术负责人:产权单位(盖章)年月日施工单位意见项目经理签字:施工单位(盖章)年月日监理单位意见总监理工程师签字:监理单位(盖章)年月日使用登记机关意见资料齐全,同意予以登记。□资料不齐全,不予以登记。□负责人签字:使用登记机关(盖章)年月日附件6塔式起重机安装验收记录规格型号工程名称安装单位使用单位产权单位施工单位监理单位河北省住房和城乡建设厅制塔式起重机安装验收记录档案编号:年月日使用单位设备产权单位安装单位工程名称注册登记编号使用登记编号规格型号幅度m最大起重量T起升高度m塔高m验收部位验收要求结果结论外部环境起重机与建筑物等之间的安全距离起重机之间的最小架设距离起重机与输电线的安全距离塔吊结构部件、附件、连接件安装齐全,位置正确螺栓拧紧力矩达到技术要求,开口销完全撬开结构无变形、开焊、疲劳裂纹塔身标准节主肢结合处表面阶差≤2mm压重、配重重量、位置达到说明书要求驾驶室与悬挂或支承部分连接牢固绳轮钩系统钢丝绳有材质证明,规格正确、断丝和磨损未达到报废标准钢丝绳固定和编插符合国家标准钢丝绳在卷筒上面缠绕整齐、润滑良好各部位滑轮转动灵活、可靠、无卡塞现象吊钩磨损未...

1、当您付费下载文档后,您只拥有了使用权限,并不意味着购买了版权,文档只能用于自身使用,不得用于其他商业用途(如 [转卖]进行直接盈利或[编辑后售卖]进行间接盈利)。
2、本站所有内容均由合作方或网友上传,本站不对文档的完整性、权威性及其观点立场正确性做任何保证或承诺!文档内容仅供研究参考,付费前请自行鉴别。
3、如文档内容存在违规,或者侵犯商业秘密、侵犯著作权等,请点击“违规举报”。

碎片内容

起重机械设备备案表

您可能关注的文档

确认删除?
VIP
微信客服
  • 扫码咨询
会员Q群
  • 会员专属群点击这里加入QQ群
客服邮箱
回到顶部