电脑桌面
添加小米粒文库到电脑桌面
安装后可以在桌面快捷访问

生产安全管理考核

生产安全管理考核_第1页
1/8
生产安全管理考核_第2页
2/8
生产安全管理考核_第3页
3/8
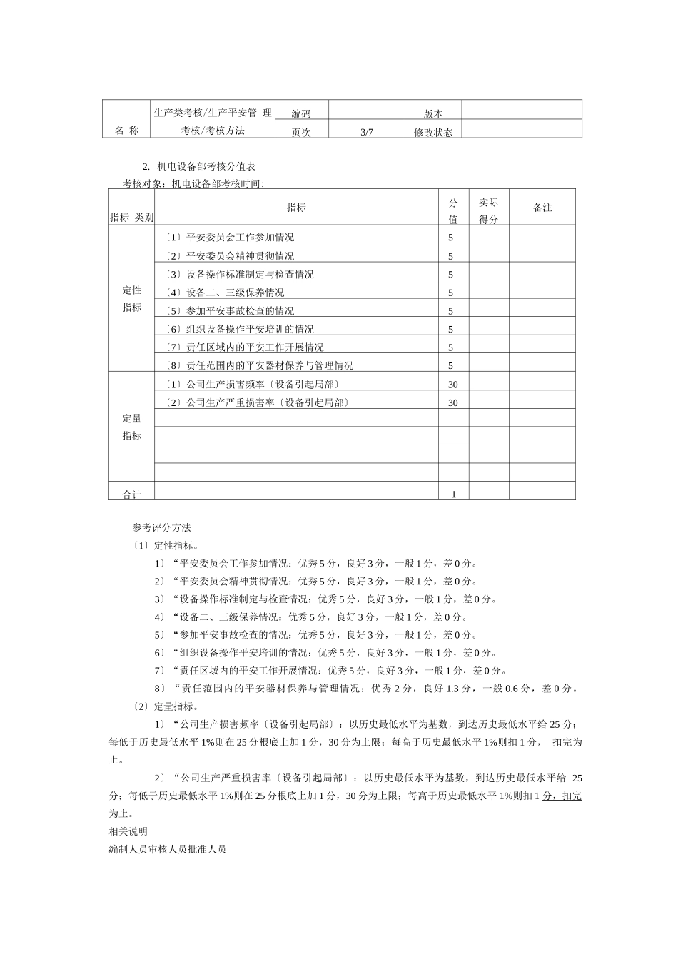
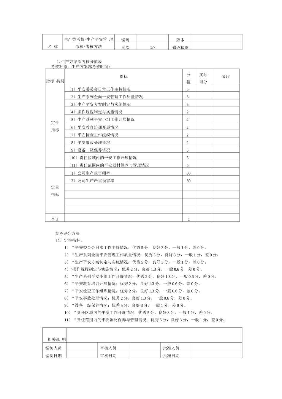
名 称生产类考核/生产平安管 理考核/考核方法编码版本页次1/7修改状态1.生产方案部考核分值表考核对象:生产方案部考核时间:指标 类别指标分值实际得分备注定性指标〔1〕平安委员会日常工作主持情况5〔2〕生产系列全面平安管理工作质量情况5〔3〕生产平安方案制定与实施情况5〔4〕操作规程制定与实施情况2〔5〕生产系列平安小组工作开展情况2〔6〕平安教育培训开展情况2〔7〕平安检查工作组织情况2〔8〕平安事故处理情况2〔9〕设备一级保养情况5〔10〕责任区域内的平安工作开展情况5〔11〕责任范围内的平安器材保养与管理情况5定量指标〔1〕公司生产损害频率30〔2〕公司生产严重损害率30合计1参考评分方法〔1〕定性指标。1〕“平安委员会日常工作主持情况:优秀 5 分,良好 3 分,一般 1 分,差 0 分。2〕“生产系列全面平安管理工作质量情况:优秀 5 分,良好 3 分,一般 1 分,差 0 分。3〕“生产平安方案制定与实施情况:优秀 5 分,良好 3 分,一般 1 分,差 0 分。4〕“操作规程制定与实施情况:优秀 2 分,良好 1.3 分,一般 0.6 分,差 0 分。5〕“生产系列平安小组工作开展情况:优秀 2 分,良好 1.3 分,一般 0.6 分,差 0 分。6〕“平安教育培训开展情况:优秀 2 分,良好 1.3 分,一般 0.6 分,差 0 分。7〕“平安检查工作组织情况:优秀 2 分,良好 1.3 分,一般 0.6 分,差 0 分。8〕“平安事故处理情况:优秀 2 分,良好 1.3 分,一般 0.6 分,差 0 分。9〕“设备一级保养情况:优秀 5 分,良好 3 分,一般 1 分,差 0 分。10〕“责任区域内的平安工作开展情况:优秀 5 分,良好 3 分,一般 1 分,差 0 分。11〕“责任范围内的平安器材保养与管理情况:优秀 5 分,良好 3 分,一般 1 分,差 0 分。相关说 明编制人员审核人员批准人员编制日期审核日期批准日期〔2〕定量指标。1〕“公司生产损害频率:以历史最低水平为基数,到达历史最低水平给 25 分;每低于历史最 低水平 1%则在 25 分根底上加 1 分,30 分为上限;每高于历史最低水平 1%则扣 1 分,扣完为止。2〕“公司生产严重损害率:以历史最低水平为基数,到达历史最低水平给 25 分;每低于历史 最低水平 1%则在 25 分根底上加 1 分,30 分为上限;每高于历史最低水平 1%则扣 1 分,扣完为止。相关说明生产类考核/生产平安管理考核/考核方法编码版本页...

1、当您付费下载文档后,您只拥有了使用权限,并不意味着购买了版权,文档只能用于自身使用,不得用于其他商业用途(如 [转卖]进行直接盈利或[编辑后售卖]进行间接盈利)。
2、本站所有内容均由合作方或网友上传,本站不对文档的完整性、权威性及其观点立场正确性做任何保证或承诺!文档内容仅供研究参考,付费前请自行鉴别。
3、如文档内容存在违规,或者侵犯商业秘密、侵犯著作权等,请点击“违规举报”。

碎片内容

生产安全管理考核

您可能关注的文档

确认删除?
VIP
微信客服
  • 扫码咨询
会员Q群
  • 会员专属群点击这里加入QQ群
客服邮箱
回到顶部