电脑桌面
添加小米粒文库到电脑桌面
安装后可以在桌面快捷访问

脚手架工程安全生产现场控制措施

脚手架工程安全生产现场控制措施_第1页
1/15
脚手架工程安全生产现场控制措施_第2页
2/15
脚手架工程安全生产现场控制措施_第3页
3/15
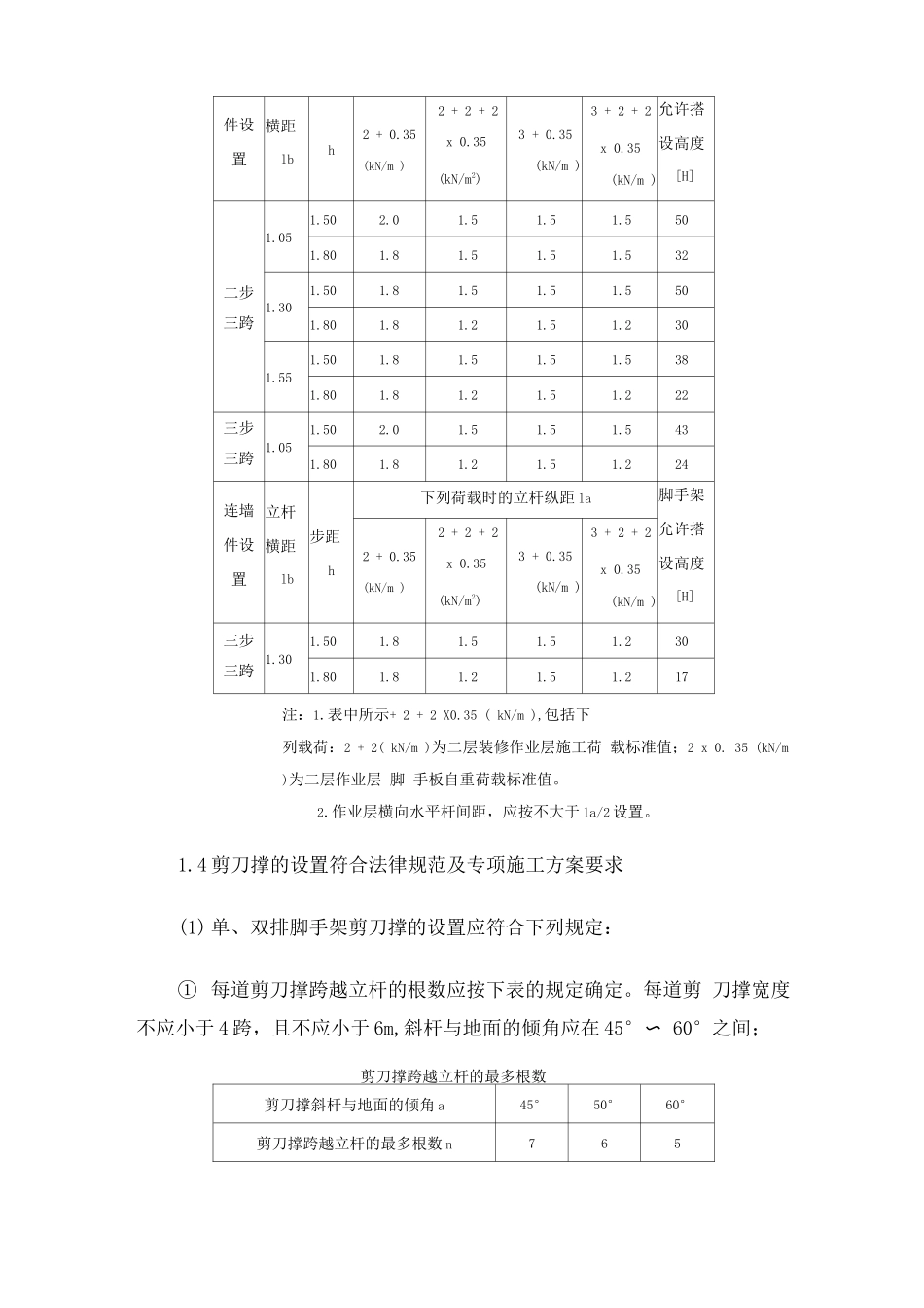
脚手架工程安全生产现场控制措施1. 一般规定1.1.作业脚手架底部立杆上设置的纵向、横向扫地杆符合法律规范及专 项施工方案要求。(1)支撑脚手架的水平杆应按步距沿纵向和横向通长连续设置,不得 缺失。在支撑脚手架立杆底部应设置纵向和横向扫地杆,水平杆和扫地 杆应与相临立杆连接牢固。(2)脚手架必须设置纵、横向扫地杆。纵向扫地杆应采纳直角扣件固 定在距钢管底端不大于 2mm 处的立杆上。横向扫地杆应采纳直角扣件 固定在紧靠纵向扫地杆下方的立杆上。(3)脚手架立杆基础不在同一高度时,必须将高处的纵向扫地杆向 低处延长两跨与立杆固定,高低差不应大于 1m。靠边坡上方的立杆轴线 到边坡的距离不应小于 5mm。1.2 连墙件的设置符合法律规范及专项施工方案要求(1)作业脚手架连墙件的安装必须符合下列规定:① 连墙件的安装必须随作业脚手架搭设同步进行,严禁滞后安装;② 当作业脚手架操作层高出相邻连墙件以上 2 步时,在上层 连墙件安装完毕前,必须实行临时拉结措施。脚手架连墙件设置的 位置、数量应按专项施工方案确定。连墙件布置最大间距满足下表要求搭设方法高度竖向间距(h)水平间距(la)每根连墙件覆盖面积(m)双排落地< 50m3h3la<40双排悬挑>50m2h3la<27单排< 24m3h3la<40注:h-步距;la 纵距。(3)连墙件的布置应符合下列规走① 应靠近主节点设置,偏离主节点的距离不应大于 3mm ;② 应从底层第一步纵向水平杆处开始设置,当该处设置有困难时, 应采纳其他可靠措施固定;③ 应优先采纳菱形布置,或采纳方形、矩形布置。(4)开型脚手架的两端必须设置连墙件,连墙件的垂直间距不应大 于建筑物的层高,并且不应大于 4m。(5)连墙件中的连墙杆应呈水平设置,当不能水平设置时,应向脚手 架一端下斜连接。(6)连墙件必须采纳可承受拉力和压力的构造。对高度 24m 以上的 双排脚手架,应采纳刚性连墙件与建筑物连接。(7)当脚手架下部暂不能设连墙件时应实行防倾覆措施。当搭设抛 撑时,抛撑应采纳通长杆件,并应旋转扣件固定在脚手架上,与地面的 倾角应在 40°-60°之间;连接点中心至主节点的距离不应大于 3mm。 抛撑应在连墙件搭设后方可拆除。(8)架高超过 40m 且有风涡流作用时,应实行抗上升翻流作用的 连墙措施。1. 3.步距、跨距搭设符合法律规范及专项施工方案要求。常用密目式安全立网全封闭单、双排脚手架结构的设计尺寸可按下 表采纳。连墙 立杆步距下列荷...

1、当您付费下载文档后,您只拥有了使用权限,并不意味着购买了版权,文档只能用于自身使用,不得用于其他商业用途(如 [转卖]进行直接盈利或[编辑后售卖]进行间接盈利)。
2、本站所有内容均由合作方或网友上传,本站不对文档的完整性、权威性及其观点立场正确性做任何保证或承诺!文档内容仅供研究参考,付费前请自行鉴别。
3、如文档内容存在违规,或者侵犯商业秘密、侵犯著作权等,请点击“违规举报”。

碎片内容

脚手架工程安全生产现场控制措施

您可能关注的文档

元素商铺+ 关注
实名认证
内容提供者

欢迎挑选合适的文档

确认删除?
VIP
微信客服
  • 扫码咨询
会员Q群
  • 会员专属群点击这里加入QQ群
客服邮箱
回到顶部