电脑桌面
添加小米粒文库到电脑桌面
安装后可以在桌面快捷访问

苏州某公司宿舍工程门式脚手架专项施工方案VIP专享

苏州某公司宿舍工程门式脚手架专项施工方案_第1页
1/21
苏州某公司宿舍工程门式脚手架专项施工方案_第2页
2/21
苏州某公司宿舍工程门式脚手架专项施工方案_第3页
3/21
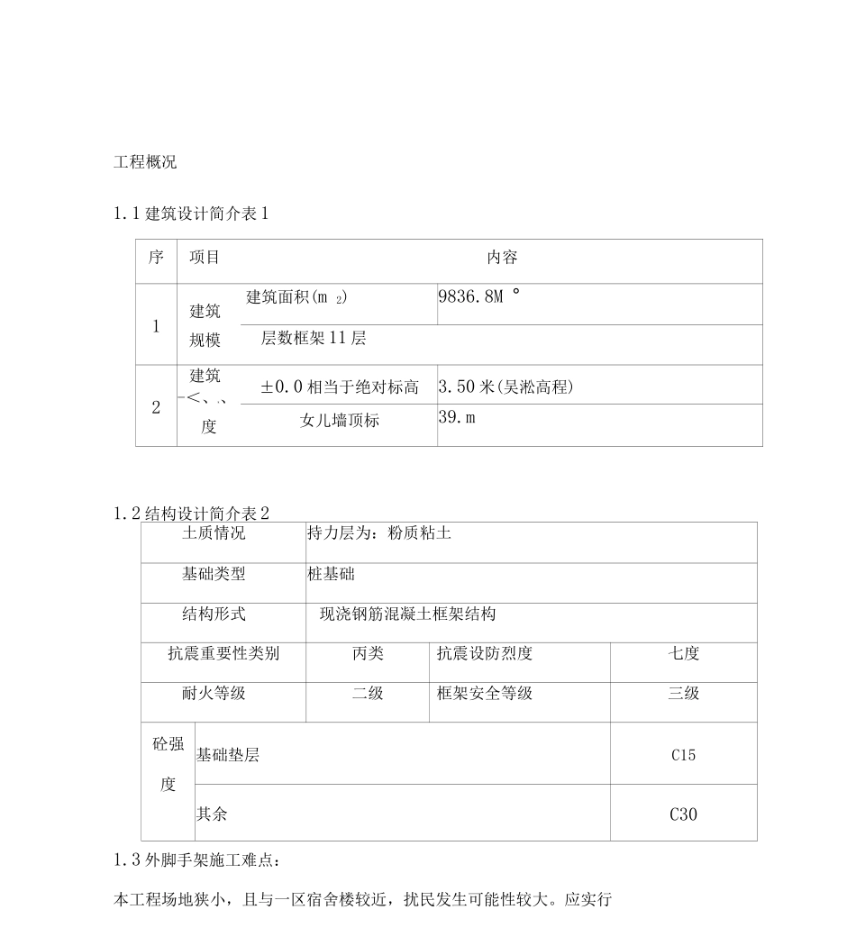
工程概况1.1 建筑设计简介表 1序项目内容1建筑规模建筑面积(m 2)9836.8M °层数框架 11 层2建筑-<、k、度±0.0 相当于绝对标高3.50 米(吴淞高程)女儿墙顶标39.m1.2 结构设计简介表 2土质情况持力层为:粉质粘土基础类型桩基础结构形式现浇钢筋混凝土框架结构抗震重要性类别丙类抗震设防烈度七度耐火等级二级框架安全等级三级砼强度基础垫层C15其余C301.3 外脚手架施工难点:本工程场地狭小,且与一区宿舍楼较近,扰民发生可能性较大。应实行有效的措施以避开扰民现象的发生。5、施工准备2.1 人员准备施工操作人员除进行必须的入场教育外,还应按《特种作业人员劳动安全管理方法》 的规定执行,在施工前对操作者做好书面技术交底。2.2 材料准备材料名称规格数量 i执行部门米购形式门式脚手架MF1219A ——\80 套材料组购买钢脚手管3m(6m)1t材料组租赁木脚手板5 0mn 厚,4 m\ 、15 块材料组租赁十字50 只-材料组租赁管卡子一字40 只|材料组租赁旋转门40 只「材料组租赁小眼密目网1.8m x 6m6 张材料组购买以上各种材料进场米购均应符合安全有关规定6、主要施工方法3.1 根据工程特点,本工程外脚手架搭设采纳门式外脚手架(此脚手架仅作为结构 外围护及局部模板支撑装修阶段使用),内脚手架(柱子、顶板、梁)采纳门式脚手架与 钢管脚手架搭配使用。3.2 由于本工程外脚手架搭设总高约 39.5m,且符合《建筑施工门式钢管脚手架安 全技术法律规范》中构造尺寸规定,其相关连墙件及立杆地基 承载力计算附后。3.3 刚性连接:连接点在每层顶板梁位置预留,间距 4.5m,预埋① 48 钢管,用 十字扣件与脚手架作有效的连接。2mm 高挡脚板。架子顶端的高度必须超过屋顶最高处 1.5m立面全部采纳密目网封严。施工期间在楼内架绑两道护身栏并搭严 子通道艾上架3.5 防雷措施:在脚手架底部立杆钢管连接避雷导线,引入地下并深埋。防雷接地材料全部采纳镀锌材料,所有连接均采纳焊接。圆钢焊接HV - / Y u H n y i: i搭接长度为圆钢直径的 6 倍,两面施焊;扁钢搭接长度为扁钢宽度的两倍,三面施焊,焊均做防腐处理(混凝土中除外),接地电阻不超过 4 Q,避雷点位置参见脚手架平面 图。3.6 本工程因施工面较大,故在外脚手架处不设马道,人员进出施工层通过施工 段时间差利用楼梯间作为出入。注意在支搭顶板模板时预留出人员进出通道。3.7 本脚手架基础边设置排水沟,并保证排水坡度畅通。7、搭设操作规...

1、当您付费下载文档后,您只拥有了使用权限,并不意味着购买了版权,文档只能用于自身使用,不得用于其他商业用途(如 [转卖]进行直接盈利或[编辑后售卖]进行间接盈利)。
2、本站所有内容均由合作方或网友上传,本站不对文档的完整性、权威性及其观点立场正确性做任何保证或承诺!文档内容仅供研究参考,付费前请自行鉴别。
3、如文档内容存在违规,或者侵犯商业秘密、侵犯著作权等,请点击“违规举报”。

碎片内容

苏州某公司宿舍工程门式脚手架专项施工方案

确认删除?
VIP
微信客服
  • 扫码咨询
会员Q群
  • 会员专属群点击这里加入QQ群
客服邮箱
回到顶部