电脑桌面
添加小米粒文库到电脑桌面
安装后可以在桌面快捷访问

蓄水池施工组织设计方案

蓄水池施工组织设计方案_第1页
1/19
蓄水池施工组织设计方案_第2页
2/19
蓄水池施工组织设计方案_第3页
3/19
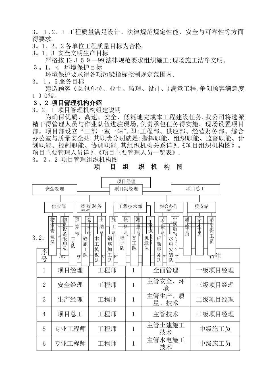
1、 编制说明及编制依据1、1 编制说明1。1。1目得:认真贯彻执行公司质量方针,精心组织施工,确保工程“高质量、快进度、低成本”地完成,坚持“安全第一,预防为本”得法则,制造更好得经济效益与社会效益。1.1.2 内容:本方案主要对该单位工程得施工程序、资源配备、主要分部分项工程得施工方法、进度控制、质量安全措施等方面进行叙述.1.1。3 实施:本方案作为本工程施工时得原则性指导文件,具体施工过程中可因条件变化进行适宜性变更。本方案由工程技术部负责实施,并进行书面得、口头得技术交底。1、2 编制依据1。2。1 施工合同(HYJ2T—002)及组成合同得相关文件.1.2.2 《建筑施工手册》缩印本第四版.1.2。3 国家现行得有关施工质量验收法律规范、标准(见下表).序 号编 号规 范 名 称1GB 50300—200 1建筑工程施工质量验收统一标准2G B /T5032 8 -2001建设工程文件归档整理法律规范3GB/T50326- 2 00 1建设工程项目管理法律规范4G B 5 0026—93工程测量法律规范5GB50 2 02-2 002建筑地基基础工程施工质量验收法律规范6G B 5 0 204- 200 2混凝土结构工程施工质量验收法律规范7GB50210-2001建筑装饰装修工程质量验收法律规范8GB 5 0 3 2 8—2025地下防水工程质量验收法律规范9GBJ107—87混凝土强度检验评定标准1 0J GJ/T1 0—9 5混凝土泵送施工技术法律规范1 1JGJ59—99建筑施工安全检查标准12J G J8 0—9 1建筑施工高处作业安全技术法律规范1 3J G J13 0-2001建筑施工扣件式钢管脚手架安全技术法律规范1 4J GJ146—20 0 4建筑施工现场环境与卫生标准1.2.4其它其 它 文 件序号类 别名 称1企业质量、环境、职业健康安全管理手册2企业质量、环境、职业健康安全管理体系程序文件3国家建筑工程强制性标准条文4企业建筑分项施工工艺标准手册2、 工程概况2、1 现场施工条件与环境2.1。1 工程与周围建筑物得关联本工程位于河北省沧州市青县盘古镇孙楼村东,沧州宝运纸业有限公司厂区,现有污水处理设施场地内,本项目未新增用地面积。公司拟将现有污水处理设施经必要得场地平整与处理后用于本项目建设。2.1.2 施工临时水电现场施工用水源、电源接入方便。2、2 工程概况2.2。1 建筑概况前调节池1座,有效容积 200m3,后调节池1座,有效容积1 700 m 3,清水调节池 1 座,有效容积17 00 m3,事故池 1 座,有效容积 1 ...

1、当您付费下载文档后,您只拥有了使用权限,并不意味着购买了版权,文档只能用于自身使用,不得用于其他商业用途(如 [转卖]进行直接盈利或[编辑后售卖]进行间接盈利)。
2、本站所有内容均由合作方或网友上传,本站不对文档的完整性、权威性及其观点立场正确性做任何保证或承诺!文档内容仅供研究参考,付费前请自行鉴别。
3、如文档内容存在违规,或者侵犯商业秘密、侵犯著作权等,请点击“违规举报”。

碎片内容

蓄水池施工组织设计方案

确认删除?
VIP
微信客服
  • 扫码咨询
会员Q群
  • 会员专属群点击这里加入QQ群
客服邮箱
回到顶部