电脑桌面
添加小米粒文库到电脑桌面
安装后可以在桌面快捷访问

辐射安全专项检查表VIP专享

辐射安全专项检查表_第1页
1/10
辐射安全专项检查表_第2页
2/10
辐射安全专项检查表_第3页
3/10
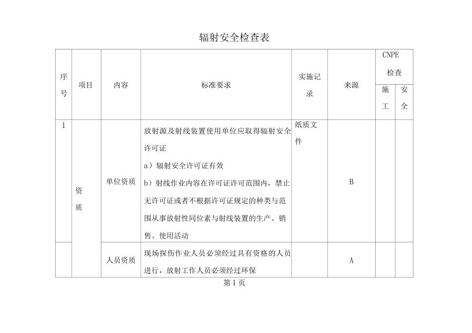
辐射安全检查表序号项目内容标准要求实施记录来源CNPE检查施工安全1资质单位资质放射源及射线装置使用单位应取得辐射安全许可证a)辐射安全许可证有效b)射线作业内容在许可证许可范围内,禁止无许可证或者不根据许可证规定的种类与范围从事放射性同位素与射线装置的生产、销售、使用活动纸质文件B人员资质现场探伤作业人员必须经过具有资格的人员进行,放射工作人员必须经过环保A第 1 页部门培训取得相应资格证书,作业时应佩戴个人剂量计。2射线探伤设备射线探伤设备1、射线探伤涉笔应满足下列要求:a)射线探伤设备使用前经过检验许可以及定期检测b)放射源的存储地点应经当地环保部门审批2、辐射工作单位应当建立放射性同位素与射线装置台帐,记载放射性同位素的核素名称、出厂时间与活度、标号、编码、来源与去向,及射线装置的名称、型号、射线种类、类别、用途、来源与去向等事项。检验检查纸质文件AC3放射1、固定式探伤室应满足下列要求:实体检A第 2 页2、放射源库a )非放射源库工作人员严禁进入放射源库储源室,工作人员进入必须登记,必须佩戴剂量计及报警器;b)放射源库应设置两把锁,两人各管一锁的钥匙,开锁的时候要两人同时在场;C)工作人员离开放射源库时,必须人走锁门、关窗、防止火灾与被盗;d)放射源库内严禁烟火;e)为保证工作人员的安全,放射源库装有剂量报警装置。4探伤作业.1、放射性工作需建立安全管理制度、事故应急措施与安全操作规程,明确作业流程并实施作业许可;作业前应告知相A第 4 页关方。2、所有进行放射性施工的区域,设置带有辐射标志的警示标识,在每个入设置声光报警装置。A3、放射性作业应由至少两名具有相关资格的从业人员进行,一人操作,另一人负责安全监督与协助;参加放射性作业或暴露在辐射下的每位人员都应穿戴特别防护服,符合标准要求。A4、放射源应制定专门人员进行管理,领放射源时应当进行登记、检查,做到账务相符。源容器进出放射源库时,应进行监测,并有详细记录A、G5职业1、从事放射性工作的单位,还应当配备A第 5 页健康管理与辐射类型与辐射水平相适应的工作场所固定式或移动式辐射监测仪器与个人剂量监测仪表,有专人负责没开展工作场所日常监测,并对放射工作人员进行个人剂量监测。2、放射工作人员上岗前,应当进行上岗前的职业健康检查,符合放射工作人员健康标准的,方可参加相应的放射工作。放射工作单位不得安排未经职业健康检查或者不符合放射工作人员职业健...

1、当您付费下载文档后,您只拥有了使用权限,并不意味着购买了版权,文档只能用于自身使用,不得用于其他商业用途(如 [转卖]进行直接盈利或[编辑后售卖]进行间接盈利)。
2、本站所有内容均由合作方或网友上传,本站不对文档的完整性、权威性及其观点立场正确性做任何保证或承诺!文档内容仅供研究参考,付费前请自行鉴别。
3、如文档内容存在违规,或者侵犯商业秘密、侵犯著作权等,请点击“违规举报”。

碎片内容

辐射安全专项检查表

一二三四传媒+ 关注
实名认证
内容提供者

大量资料供您选择,没有合适的可以联系小二。

确认删除?
VIP
微信客服
  • 扫码咨询
会员Q群
  • 会员专属群点击这里加入QQ群
客服邮箱
回到顶部