电脑桌面
添加小米粒文库到电脑桌面
安装后可以在桌面快捷访问

输油管线保护专项方案

输油管线保护专项方案_第1页
1/13
输油管线保护专项方案_第2页
2/13
输油管线保护专项方案_第3页
3/13
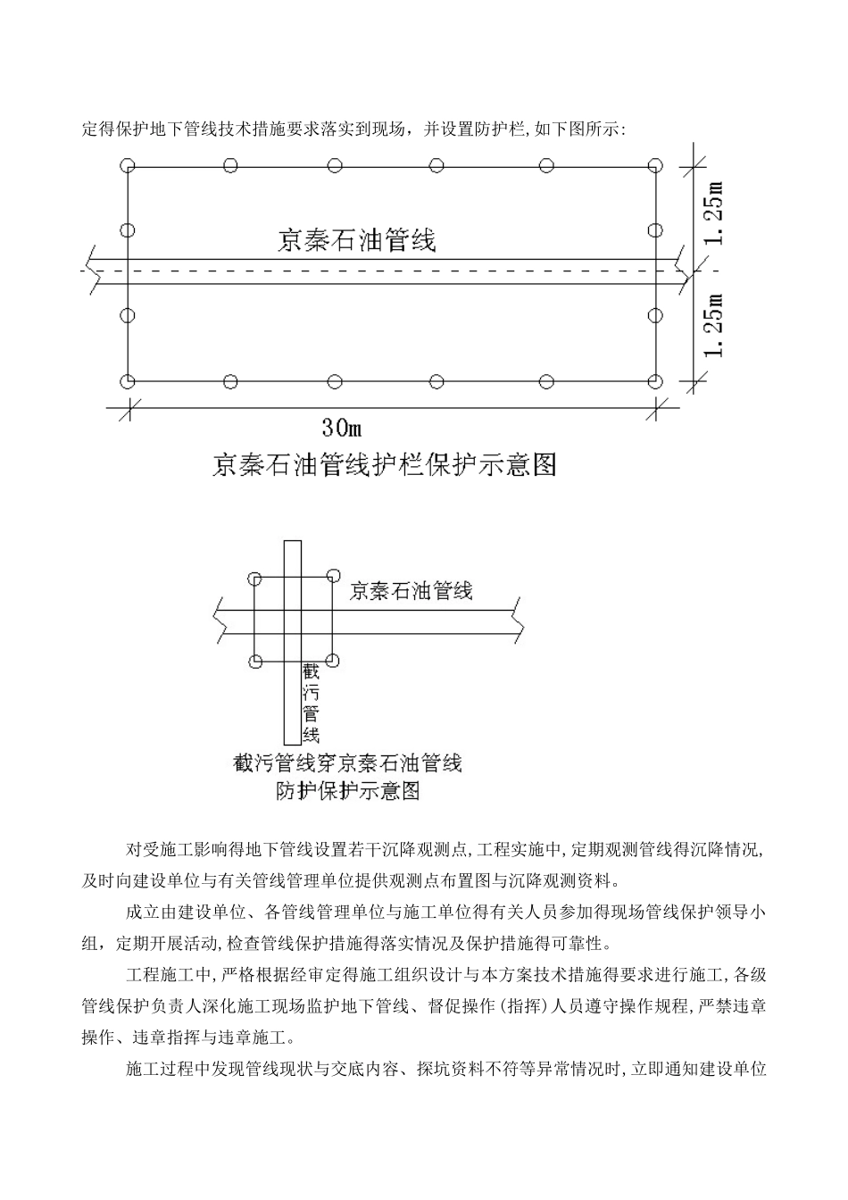
目录一、 工程概况.................................................................2二、 ﻩ 管线保护方案 .............................. ERROR: REFERENCE SOURCE NOT FOUND 1 、管线保护管理措施 ﻩ ERROR: REFERENCE SOURCE NOT FOUND 2 、管线保护得前期调查分析 ......................... ERROR: REFERENCE SOURCE NOT FOUND 3 、穿越河道输油管道保护方法 ﻩ ERROR: REFERENCE SOURCE NOT FOUND 4 、穿越截污管线输油管道保护方法 ﻩ ERROR: REFERENCE SOURCE NOT FOUND 5 、质量保证措施 ................................... ERROR: REFERENCE SOURCE NOT FOUND 6 、施工期间管线保护 ............................... ERROR: REFERENCE SOURCE NOT FOUND 三、 ﻩ 管道施工安全保护培训 ...................... ERROR: REFERENCE SOURCE NOT FOUND 1 、自然地貌得保护 ﻩ ERROR: REFERENCE SOURCE NOT FOUND 2 、穿、跨越管段得保护 ﻩ ERROR: REFERENCE SOURCE NOT FOUND 3 、安全教育 ﻩ ERROR: REFERENCE SOURCE NOT FOUND 四、 风险识别 ................................. ERROR: REFERENCE SOURCE NOT FOUND 1 、施工场所危险源与风险分析 ....................... ERROR: REFERENCE SOURCE NOT FOUND 2 、施工场所及周围地段危险源与风险分析 ﻩ ERROR: REFERENCE SOURCE NOT FOUND 五、 ﻩ 应急管理 ﻩ ERROR: REFERENCE SOURCE NOT FOUND 1 、应急组织机构及联系电话 ........................ ERROR: REFERENCE SOURCE NOT FOUND 2 、职责 .......................................... ERROR: REFERENCE SOURCE NOT FOUND 3 、应急处理预案 .................................. ERROR: REFERENCE SOURCE NOT FOUND 一、 工程概况工程名称:大龙河(京开高速路~市界段)治理工程(第五标段)建设单位:北京市大兴区物资集团有限公司监理单位:京水江河(北京)工程咨询有限公司设计单位:北京市水利规划设计讨论院施工单位:北京碧鑫水务有限公司建设地点:北京市大兴区建设规模:河道治理 2100m该项目位于北京市大兴区内,起点为京开高速公路,终点为安定镇与河北省交界处,河道总长度约2 3、5km。本标段位于北京市大兴区内,起点桩号为 K3+900,终点桩号为 K6...

1、当您付费下载文档后,您只拥有了使用权限,并不意味着购买了版权,文档只能用于自身使用,不得用于其他商业用途(如 [转卖]进行直接盈利或[编辑后售卖]进行间接盈利)。
2、本站所有内容均由合作方或网友上传,本站不对文档的完整性、权威性及其观点立场正确性做任何保证或承诺!文档内容仅供研究参考,付费前请自行鉴别。
3、如文档内容存在违规,或者侵犯商业秘密、侵犯著作权等,请点击“违规举报”。

碎片内容

输油管线保护专项方案

文森传品+ 关注
实名认证
内容提供者

一家传播文化教育的小店,资料丰富,随意挑选。

确认删除?
VIP
微信客服
  • 扫码咨询
会员Q群
  • 会员专属群点击这里加入QQ群
客服邮箱
回到顶部