电脑桌面
添加小米粒文库到电脑桌面
安装后可以在桌面快捷访问

边坡位移自动化监测解决方案

边坡位移自动化监测解决方案_第1页
1/15
边坡位移自动化监测解决方案_第2页
2/15
边坡位移自动化监测解决方案_第3页
3/15
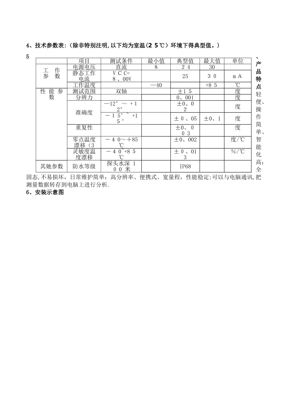
边坡位移自动化监测报价编制单位:上海岩联工程技术有限公司编制时间:2025 年 6 月深层水平位移监测1、固定式测斜仪得用途固定式测斜仪就是一种高精度传感器,广泛适用于测量土石坝、面板坝、边坡、路基、基坑、岩体滑坡 等结构物得水平或垂直位移、垂直沉降及滑坡,该仪器配合测斜管可反复使用,并可方便实现倾斜测量得自动化.2、结构组成固定式测斜仪由安装卡板、数据电缆、连接杆、测杆、导向轮等组成。3、工作原理测斜仪就是通过测量测斜管轴线与铅垂线之间夹角变化量(r),来计算水平位移得工程监测仪器。通常情况下,由多支固定式测斜仪串联装在测斜管内,通过装在每个高程上得倾斜传感器,测量出被测结构物得倾斜角度,以此将结构物得变形曲线描述出来。4、技术参数表:(除非特别注明,以下均为室温(2 5℃)环境下得典型值。)5、产品特点轻便、操作简单、智能化高;全固态,不易损坏,日常维护简单;高分辨率、便携式、宽量程,性能稳定;可以与电脑通讯,把测量数据转存到电脑上进行分析.6、安装示意图项目测试条件最小值典型值最大值单位工 作 参 数电源电压直流82 430静态工作电流V C C=8、00V2530m A工作温度—40+8 5℃性 能 参 数测试范围双轴±1 5度分辨力0、001度准确度—12°~ +12°±0、02度-1 5°~ +15°±0、05±0、1度重复性±0、00 3度零点温度漂移(3-4 0~+85 ℃±0、002度/℃灵敏度温度漂移-4 0~+8 5 ℃±0、013%/℃其她参数防水等级探头水深 10 0 米IP687、安装主要尺寸8、安装方法8、1 测斜管得安装 先将测斜管装上管底盖,用螺丝或胶固定。测斜管与测斜管之间用管接头连接,测斜管与管接头之间必须用螺丝固定后涂胶填缝密封.测斜管在安装中应注意导槽得方向,导槽方向必须与设计要求得方向一致。安装时将装好接头得测斜管依次逐节放入钻孔中,直至连接到设计深度得孔底。当确认测斜管安装完好后既可进行回填,回填一般用膨润土球或原土沙。回填时每填至 3~5 米时要进行一次注水,注水就是为了使膨润土球或原土沙遇水后与孔壁结合得牢固,以此方法直至孔口。露在地表上得测斜管应注意做好保护,盖上管盖防止物体落入。测斜管地表管口段应浇注混凝土,做成混凝土墩台以保护管口及其转角得稳定性。墩台上应设置测绘标点.安装完成后得测斜管应先用模拟测斜仪试放,试放时测斜管互成 180 度得两个导向槽都应 从下到上试放到,保证模拟测斜仪在测斜管导槽内能从上到...

1、当您付费下载文档后,您只拥有了使用权限,并不意味着购买了版权,文档只能用于自身使用,不得用于其他商业用途(如 [转卖]进行直接盈利或[编辑后售卖]进行间接盈利)。
2、本站所有内容均由合作方或网友上传,本站不对文档的完整性、权威性及其观点立场正确性做任何保证或承诺!文档内容仅供研究参考,付费前请自行鉴别。
3、如文档内容存在违规,或者侵犯商业秘密、侵犯著作权等,请点击“违规举报”。

碎片内容

边坡位移自动化监测解决方案

您可能关注的文档

确认删除?
VIP
微信客服
  • 扫码咨询
会员Q群
  • 会员专属群点击这里加入QQ群
客服邮箱
回到顶部