电脑桌面
添加小米粒文库到电脑桌面
安装后可以在桌面快捷访问

GSK928TE数控车床编程说明书

GSK928TE数控车床编程说明书_第1页
1/21
GSK928TE数控车床编程说明书_第2页
2/21
GSK928TE数控车床编程说明书_第3页
3/21
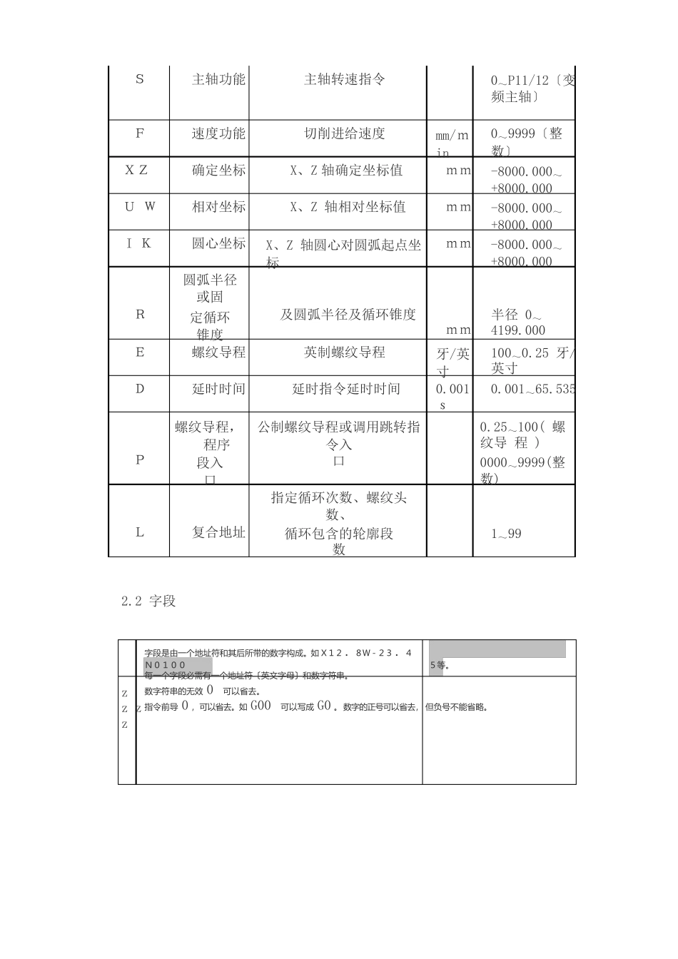
〔X/W 、U/Z 字段〕编程篇第一章 编程概要数控机床的自动加工过程,就是依据事先编写好的零件程序自动运行的过程。所谓编程,就是 依据加工零件的图纸和工艺要求,把它用数控语言描述出来,编制成零件的加工程序。本篇主要说明本数控系统加工程序的指令含义及编制方式,在编制程序之前, 请先具体阅读本篇内容。1.1 坐标轴及其运动方向的定义本数控系统依据 JB/T3051-1999 《数字把握机床坐标和运动命名》中关于一般车床的坐标和 命名定义了系统的把握轴及运动。本系统对可把握的两个坐标轴定义为 X 、Z 轴,两个坐标轴相 互垂直构成 X—Z 平面直角坐标系.如图 1:X 坐标:X 坐标定义为与主轴旋转中心线相垂直,X 正方向为刀具离开主轴旋转中心方向。Z 坐标:Z 坐标定义为与主轴旋转中心线重合,Z 正方向为刀具远离主轴箱方向。1.2 机械原点机械原点为机床上固定位置的一点,通常数控车床的机械原点设置在 X 轴和 Z 轴的正方向最 大行程处,并安装相应的机械原点开关和撞块,假设机床上没有安装机械原点开关和撞块,请不 要使用本系统中回机械原点功能,或将 P12 参数的MZRO设置成 0 .1.3 编程坐标本系统编程可用确定坐标〔X、Z 字段〕,相对坐标〔U、W 字段〕或混合坐标N P R STUW X Z0,1,2,3,4,5,6,7,8,9进展编程。对于 X 轴坐标,本系统使用直径编程〔全部 X 轴方向的尺寸和参数均用直径量表示〕。其次章 程序构造为使机床能按要求运动而编写的 CNC 指令集合称之为程序,数控系统按指令挨次使刀具沿线圆弧运动或使主轴启动停顿,冷却液开关等,程序中的指令挨次就是按工件工艺要求的挨次而编制的。2.1 字符字符是构成程序的最根本的元素。本系统字符包括英文字母,数字和一些符号。z 英文字母是每一个指令或数据的地址符,共有 17 个:D E F G I K L M z 数字是每个地址符的具体数据:z 符号:% — .% :仅作为程序号的开头符—:表示负的数据. :表示小数点地址符定义及数据范围如下表所示地址符功意单位数据范围能义%工件号加工工件的程序号00~99〔整数〕N程序段号程序段的程序段号0000~9999〔整数〕G预备功能指令执行的方式00~99〔整数〕M关怀功能关怀动作指令00~99〔整数〕T刀具功能选择刀具号及刀补号00~8 9〔整数〕0~4〔多速电机〕0~15字段是由一个地址符和其后所带的数字构成 。如X12. 8W-23. 4N0100每一个字段...

1、当您付费下载文档后,您只拥有了使用权限,并不意味着购买了版权,文档只能用于自身使用,不得用于其他商业用途(如 [转卖]进行直接盈利或[编辑后售卖]进行间接盈利)。
2、本站所有内容均由合作方或网友上传,本站不对文档的完整性、权威性及其观点立场正确性做任何保证或承诺!文档内容仅供研究参考,付费前请自行鉴别。
3、如文档内容存在违规,或者侵犯商业秘密、侵犯著作权等,请点击“违规举报”。

碎片内容

GSK928TE数控车床编程说明书

您可能关注的文档

确认删除?
VIP
微信客服
  • 扫码咨询
会员Q群
  • 会员专属群点击这里加入QQ群
客服邮箱
回到顶部