电脑桌面
添加小米粒文库到电脑桌面
安装后可以在桌面快捷访问

苏州大学互换性与测量技术课程试卷VIP免费

苏州大学互换性与测量技术课程试卷_第1页
1/6
苏州大学互换性与测量技术课程试卷_第2页
2/6
苏州大学互换性与测量技术课程试卷_第3页
3/6
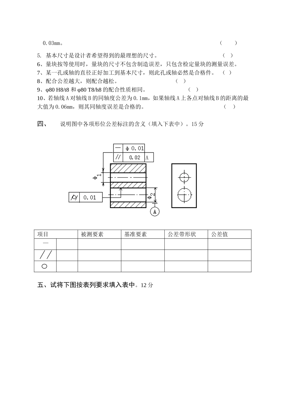
一、选择题:20分1、若某配合的最大间隙为30μm,孔的下偏差为―11μm,轴的下偏差为―16μm,轴的公差为16μm,则其配合公差为。A.46μm;B.41μm;C.27μm;D.14μm2、作用尺寸是存在于__,某一实际轴或孔的作用尺寸是唯一的。A、实际轴或孔上的理想参数B、理想轴或孔上的实际参数C、实际轴或孔上的实际参数D、理想轴或孔上的理想参数3、若轴的尺寸合格,孔的尺寸不合格,则装配以后的结合。A.是合用的,孔、轴均有互换性B.是合用的,孔、轴均无互换性C.可能是合用的,孔、轴均无互换性D.可能是合用的,轴有互换性,孔无互换性4、用径向全跳动测量______项目时,若跳动不超差则其误差也不会超差。A、平面度B、直线度C、圆度D、圆柱度5、若某平面对基准轴线的端面全跳动为0.04mm,则它对同一基准轴线的端面圆跳动一定。A.小于0.04;B.不大于0.04mm;C.等于0.04mm;D.不小于0.04mm6、公称尺寸为100mm的量块,若其实际尺寸为100.001mm用此量块作为测量的基准件,将产生0.001mm的测量误差,此误差性质是_____。A、随机误差B、系统误差C、粗大误差7、当相配孔、轴既要求对准中心,又要求装拆方便时,应选用。A.间隙配合;B.过盈配合;C.过渡配合;D.间隙配合或过渡配合8、某轴线对基准中心平面的对称度公差值为0.1mm,则该轴线对基准中心平面的允许偏离量为____。A、0.1mmB、0.05mmC、0.2mmD、φ0.1mm9、设置基本偏差的目的是将_____加以标准化,以满足各种配合性质的需要。A、公差带相对于零线的位置B、公差带的大小C、各种配合10、在公差原则中,实效尺寸是_____综合形成的。A、最小实体尺寸与形位误差B、最大实体尺寸和形位公差C、最大实体尺寸和形位误差D、最小实体尺寸与形位公差二、填充题:16分1、标准中规定基本尺寸为30~50mm时,IT8=39μm,则对于图样标注为Ф40h8时,其最大实体尺寸为mm,最小实体尺寸为mm,对于图样标注为Ф40H8时,其最大实体尺寸为mm,最小实体尺寸为mm.。2、某轴尺寸公差为φ20h8(0-0.033),轴线直线度公差为φ0.01,现实测该轴尺寸为φ19.98mm,则轴线直线度误差的允许值为,其边界尺寸为。3、已知某量仪的对零误差为+0.001mm,其δlim=±0.002mm,若在该量仪上作单次测量,测量值为24.964mm,则测量结果的表达式为。4、几何要素即构成零件几何特征的_________________________________。5、机械零件的几何精度包括_____________精度、____________精度和表面粗糙度。6、圆柱度公差带的形状是________________,和形状相同的公差项目是_______________,两种公差带的区别是____________________。7、最小条件要求被测实际要素对其理想要素的___________________为最小。8、某孔尺寸公差为φ20H8(+0.0330),轴线直线度公差为φ0.01,现实测该孔尺寸为φ20.02mm,则轴线直线度误差的允许值为,其边界尺寸为。三、是非题:10分1.为使零件的几何参数具有互换性,必须把零件的加工误差控制在给定的范围内。()2.只要量块组的基本尺寸满足要求,量块组内的量块数目可以随意选定。()3.若某零件的尺寸精度要求较低,而形位精度要求较高,则适合按最大实体原则来处理尺寸公差与形位公差之间的关系。()4.若某平面的平面度公差为0.03mm,则它对另一基准平面的平行度公差一定要大于0.03mm。()5.基本尺寸是设计者希望得到的最理想的尺寸。()6、量块按等使用时,量块的尺寸不包含制造误差,只包含检定量块的测量误差。7、某一孔或轴的直径正好加工到基本尺寸,则此孔或轴必然是合格件。()8、配合公差越大,则配合越松。()9、φ80H8/t8和φ80T8/h8的配合性质相同。()10、若轴线A对轴线B的同轴度公差为0.1mm,如果轴线A上各点对轴线B的距离的最大值为0.06mm,则其同轴度误差是合格的。()四、说明图中各项形位公差标注的含义(填入下表中)。15分A项目被测要素基准要素公差带形状公差值—五、试将下图按表列要求填入表中。12分a)b)c)表图例采用公差原则边界及边界尺寸给定的形位公差值可能允许的最大形位误差值abc六、设有一基本尺寸为Φ80的孔轴配合,为保证装拆方便和对准中心的要求,其间隙和过盈均不得大于25...

1、当您付费下载文档后,您只拥有了使用权限,并不意味着购买了版权,文档只能用于自身使用,不得用于其他商业用途(如 [转卖]进行直接盈利或[编辑后售卖]进行间接盈利)。
2、本站所有内容均由合作方或网友上传,本站不对文档的完整性、权威性及其观点立场正确性做任何保证或承诺!文档内容仅供研究参考,付费前请自行鉴别。
3、如文档内容存在违规,或者侵犯商业秘密、侵犯著作权等,请点击“违规举报”。

碎片内容

苏州大学互换性与测量技术课程试卷

确认删除?
VIP
微信客服
  • 扫码咨询
会员Q群
  • 会员专属群点击这里加入QQ群
客服邮箱
回到顶部