电脑桌面
添加小米粒文库到电脑桌面
安装后可以在桌面快捷访问

井下低压电缆的选型计算

井下低压电缆的选型计算_第1页
1/4
井下低压电缆的选型计算_第2页
2/4
井下低压电缆的选型计算_第3页
3/4
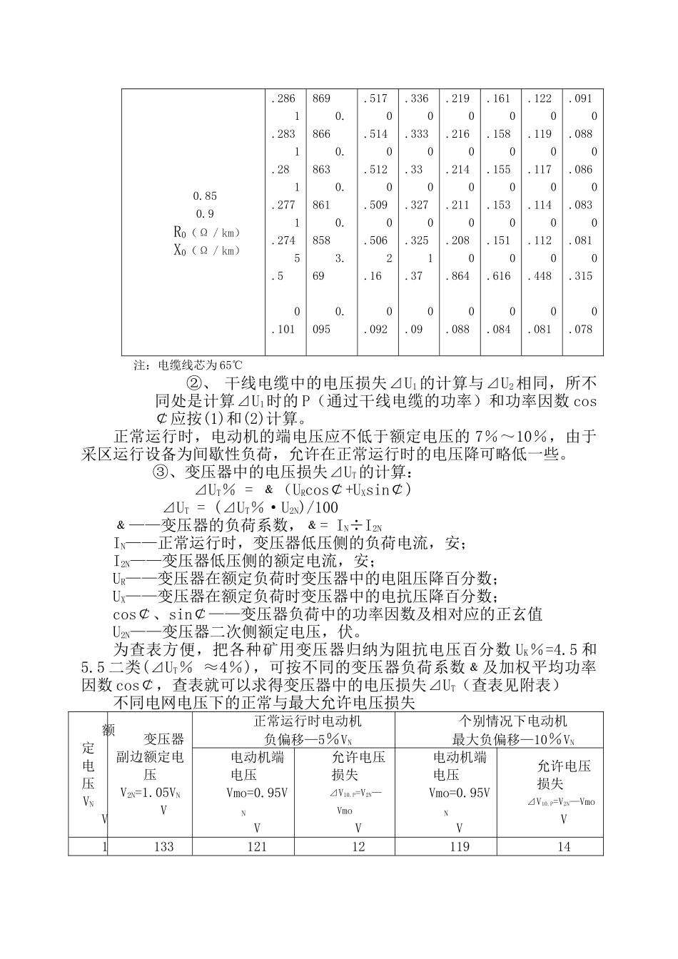
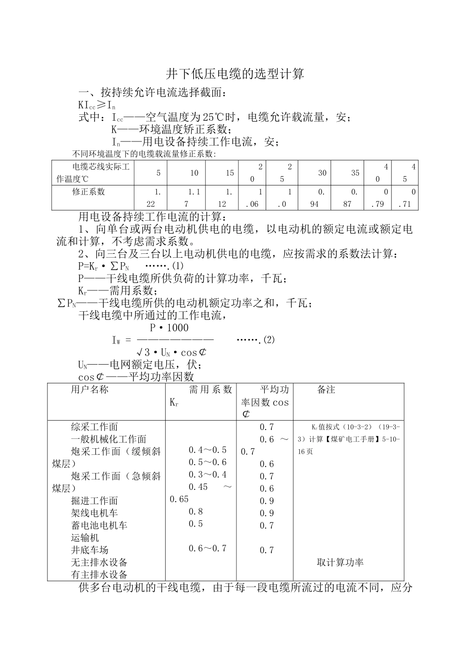
井下低压电缆的选型计算一、按持续允许电流选择截面:KIcc≥In式中:Icc——空气温度为 25℃时,电缆允许载流量,安; K——环境温度矫正系数; In——用电设备持续工作电流,安;不同环境温度下的电缆载流量修正系数:电缆芯线实际工作温度℃51015202530354045修正系数1.221.171.121.061.00.940.870.790.71用电设备持续工作电流的计算:1、向单台或两台电动机供电的电缆,以电动机的额定电流或额定电流和计算,不考虑需求系数。2、向三台及三台以上电动机供电的电缆,应按需求的系数法计算:P=Kr·∑PN …….⑴P——干线电缆所供负荷的计算功率,千瓦;Kr——需用系数;∑PN——干线电缆所供的电动机额定功率之和,千瓦;干线电缆中所通过的工作电流, P·1000 IW = ——————— …….⑵ √3·UN·cos¢UN——电网额定电压,伏;cos¢——平均功率因数用户名称需 用 系 数Kr平均功率因数 cos¢备注综采工作面一般机械化工作面炮采工作面(缓倾斜煤层)炮采工作面(急倾斜煤层)掘进工作面架线电机车蓄电池电机车运输机井底车场无主排水设备有主排水设备0.4~0.50.5~0.60.3~0.40.45~0.650.80.50.6~0.70.70.6 ~0.70.60.70.60.90.90.70.7Kr值按式(10-3-2)(19-3-3)计算【煤矿电工手册】5-10-16 页取计算功率供多台电动机的干线电缆,由于每一段电缆所流过的电流不同,应分段按流过的电流大小选择各段电缆截面,如差别不大时,一般选用同一截面。各种截面矿用橡套电缆长期允许负荷电流如下表: 主芯线截面积㎜4610162535507095额定电压/KV1.036466485113 1381752152601.14851101351702052506.09412114817020525010.0104138171213 注:表列中间周围环境温度为+25℃,主芯线长期允许工作温升为+65℃,当环境温度不等于+25℃时,应乘以修正系数,才是电缆的长时允许载流量。二、按正常运行时,计算网络的电压损失:电压损失由三部分组成(三个以上部分的计算方法相同:∑⊿U=⊿UT+⊿U1+⊿U2⊿UT——变压器中的电压损失,伏;⊿U1——干线电缆中的电压损失,伏;⊿U2——支线电缆中的电压损失,伏;①、 支线电缆中的电压损失⊿U2的计算⊿U2 = INL2√3(R0cos¢+X0sin¢) = (R0+X0tan¢) pNL2/ UNL2——支线电缆的实际长度,公里; IN——电动机的额定电流,安;pN——电动机的额定功率,瓦;UN——电网的额定电压,伏;R0、X0——支线电缆单位长度的电阻和电抗,欧/公里;cos¢、sin¢、tan¢——电动机的额定功...

1、当您付费下载文档后,您只拥有了使用权限,并不意味着购买了版权,文档只能用于自身使用,不得用于其他商业用途(如 [转卖]进行直接盈利或[编辑后售卖]进行间接盈利)。
2、本站所有内容均由合作方或网友上传,本站不对文档的完整性、权威性及其观点立场正确性做任何保证或承诺!文档内容仅供研究参考,付费前请自行鉴别。
3、如文档内容存在违规,或者侵犯商业秘密、侵犯著作权等,请点击“违规举报”。

碎片内容

井下低压电缆的选型计算

文旅传媒+ 关注
实名认证
内容提供者

传播文化,成就未来

相关文档

确认删除?
VIP
微信客服
  • 扫码咨询
会员Q群
  • 会员专属群点击这里加入QQ群
客服邮箱
回到顶部