电脑桌面
添加小米粒文库到电脑桌面
安装后可以在桌面快捷访问

人防综合工程监理实施细则

人防综合工程监理实施细则_第1页
1/12
人防综合工程监理实施细则_第2页
2/12
人防综合工程监理实施细则_第3页
3/12
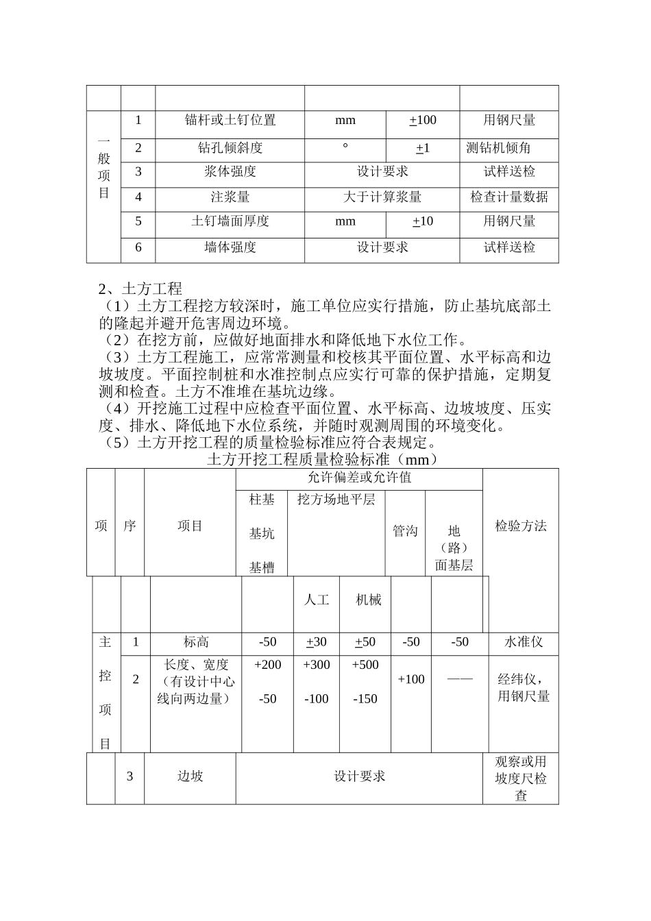
常州****人防综合工程监理实施细则(施工阶段)一、编制本细则依据1、已批准的监理规划2、已批准的施工组织设计 3、建筑地基基础工程施工质量验收法律规范 GB50202-2025 4、砌体工程施工质量验收法律规范 GB50203-2025 5、混凝土结构工程施工质量验收法律规范 GB50204-2025 6、屋面工程质量验收法律规范 GB50207-2025 7、建筑地面工程施工质量验收法律规范 GB50209-2025 8、地下防水工程质量验收法律规范 GB50208-2025 9、建筑装饰装修工程质量验收法律规范 GB50210-2025 10、建筑工程施工质量验收统一标准 GB50300-2001 11、与专业工程相关的标准、设计文件和技术资料二、工程概况:本工程为常州**广场人防综合工程,工程为地下两层人防综合工程,地下二层平常为停车库,战时为两个防护单元的战备物资库,地下一层平常为商品零售等商业用房、管理用房,战时设 1 个防护单元的二等人员掩蔽部。建筑面积 12040m2,建筑类别为一类,防火等级为一级,合理使用年限 50 年,防护等级为六级。三、监理工作范围:监理工程师根据监理委托合同,对工程进行施工阶段的全过程监理。四、监理工作方法及措施:监理工程师对施工过程进行巡视和检查,根据现场施工情况认真填写监理日记。对隐蔽工程的隐蔽过程、下道工序施工完成后难以检查的重点部位或关键工序施工过程中,安排监理人员进行旁站。专业监理工程师根据承包单位报送的隐蔽工程报验申请表和自检结果进行现场平行检验,符合要求予以签认。专业监理工程师对承包单位报送的拟进场工程材料、构配件和设备的工程资料/构配件/设备报审表及其质量证明资料进行审核,并对进场的实物根据委托监理合同约定或有关工程质量管理文件规定的比例采纳平行检验或见证取样方式进行抽检。 五、施工准备阶段监理:1、熟悉设计文件,并对图纸中存在的问题通过建设单位向设计单位提出书面意见和建议。2、参加由建设单位组织的设计技术交底会,总监理工程师对设计技术交底会议纪要进行签认。3、工程项目开工前,总监理工程师组织专业监理工程师审查承包单位报送的施工组织设计(方案)报审表,提出审查意见,并经总监理工程师审核,签认后报建设单位。4、工程项目开工前,总监理工程师审查承包单位现场项目管理机构的质量管理体系、技术管理体系和质量保证体系,确能保证工程项目施工质量时予以确认。5、分包工程开工前,专业监理工程师审查承包单位报送的分包单位资格报审表和分包单位有关资质资料,...

1、当您付费下载文档后,您只拥有了使用权限,并不意味着购买了版权,文档只能用于自身使用,不得用于其他商业用途(如 [转卖]进行直接盈利或[编辑后售卖]进行间接盈利)。
2、本站所有内容均由合作方或网友上传,本站不对文档的完整性、权威性及其观点立场正确性做任何保证或承诺!文档内容仅供研究参考,付费前请自行鉴别。
3、如文档内容存在违规,或者侵犯商业秘密、侵犯著作权等,请点击“违规举报”。

碎片内容

人防综合工程监理实施细则

元素商铺+ 关注
实名认证
内容提供者

欢迎挑选合适的文档

确认删除?
VIP
微信客服
  • 扫码咨询
会员Q群
  • 会员专属群点击这里加入QQ群
客服邮箱
回到顶部