电脑桌面
添加小米粒文库到电脑桌面
安装后可以在桌面快捷访问

供应商具备履行合同所必需的设备和专业技术能力的证明材料73958

供应商具备履行合同所必需的设备和专业技术能力的证明材料73958_第1页
1/4
供应商具备履行合同所必需的设备和专业技术能力的证明材料73958_第2页
2/4
供应商具备履行合同所必需的设备和专业技术能力的证明材料73958_第3页
3/4
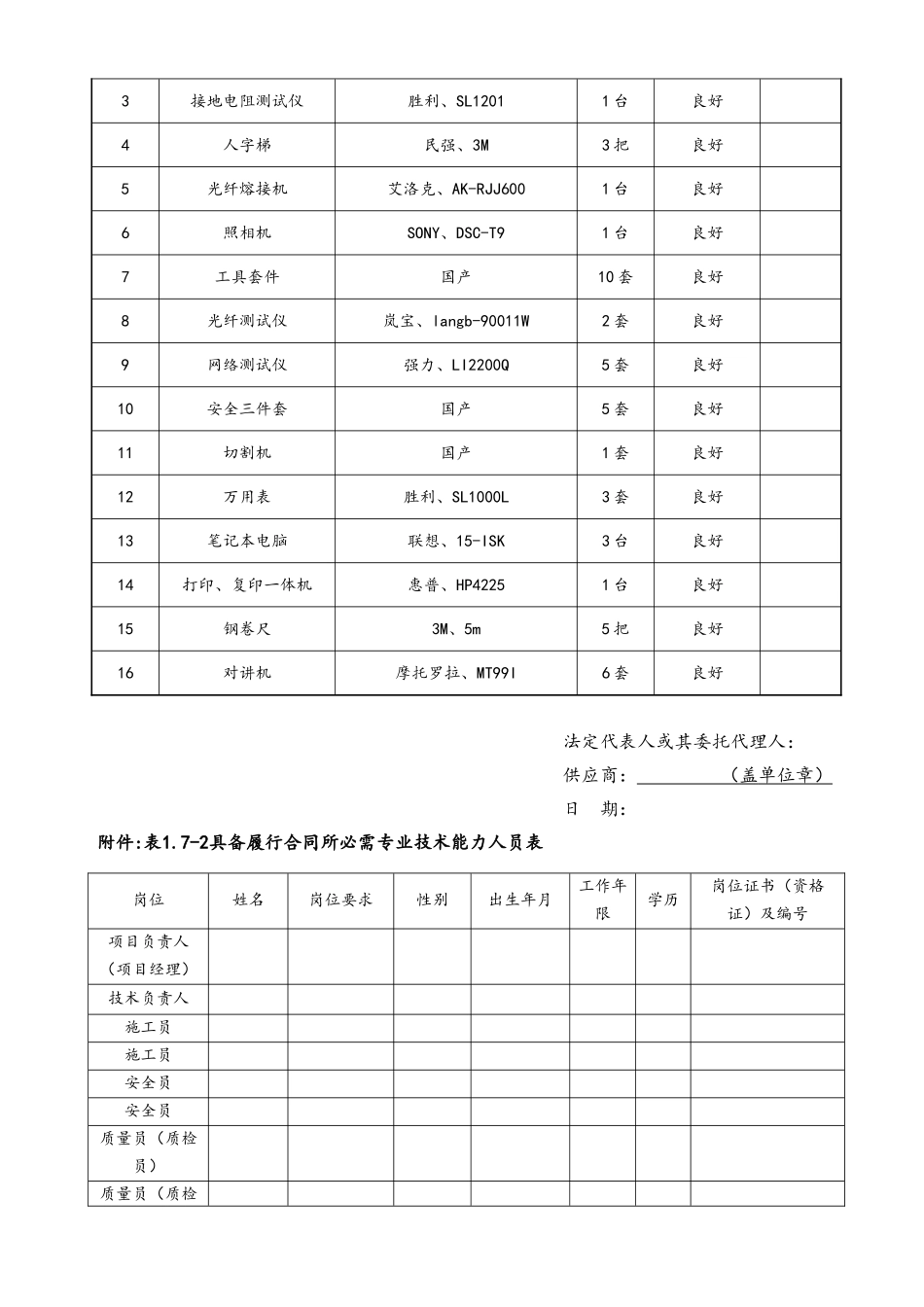
供应商具备履行合同所必需的设备和专业技术能力的证明材料73958(用心整理的精品 word 文档,可以编辑,欢迎下载)作者:------------------------------------------日期:------------------------------------------供应商具备履行合同所必需的设备和专业技术能力的证明材料具备履行合同所必需的设备和专业技术能力的承诺书致: (采购人)我公司( 公司 )参加贵方组织的项目(项目编号:)的投标活动,如我方获得中标资格,我方保证具备履行合同所必需的设备和专业技术能力,并承诺如下: (一)具有独立承担民事责任的能力; (二)具有良好的商业信誉和健全的财务会计制度;(三)具有履行合同所必需的设备和专业技术能力;(四)参加政府采购活动前三年内,在经营活动中没有重大违法记录;(五)法律、行政法规规定的其他条件。(六)我公司已完全了解本招标文件中规定的技术要求和商务条款。同时,我公司具有很好的厂家原厂产品支持、技术服务、产品调试、系统使用培训及原厂售后服务承诺保持书。如违反以上承诺,本公司愿承担一切法律责任。附件:表 1.7-1 具备履行合同所必需的设备表表 1.7-2 具备履行合同所必需专业技术能力人员表表 1.7-3 厂家授权和售后服务承诺书法定代表人或其委托代理人:供应商: ( 盖 单位章) 日 期:附件:表 1.7-1 具备履行合同所必需的设备表序号机械设备名称品牌、型号规格数 量目前状况备 注1微型车长安、五菱之光1 辆良好2桥车长城、哈弗 H61 辆良好3接地电阻测试仪胜利、SL12011 台良好4人字梯民强、3M3 把良好5光纤熔接机艾洛克、AK-RJJ6001 台良好6照相机SONY、DSC-T91 台良好7工具套件国产10 套良好8光纤测试仪岚宝、langb-90011W2 套良好9网络测试仪强力、LI2200Q5 套良好10安全三件套国产5 套良好11切割机国产1 套良好12万用表胜利、SL1000L3 套良好13笔记本电脑联想、15-ISK3 台良好14打印、复印一体机惠普、HP42251 台良好15钢卷尺3M、5m5 把良好16对讲机摩托罗拉、MT99I6 套良好法定代表人或其委托代理人:供应商: ( 盖 单位章) 日 期:附件:表1.7-2具备履行合同所必需专业技术能力人员表岗位姓名岗位要求性别出生年月工作年限学历岗位证书(资格证)及编号项目负责人(项目经理)技术负责人施工员施工员安全员安全员质量员(质检员)质量员(质检员)标准员材料员机械员劳务员资料员法定代表人或其委托代理人:供应商: ( 盖 单位章) 日 期:附件:表1.7-3厂家授权和售后服务承诺书

1、当您付费下载文档后,您只拥有了使用权限,并不意味着购买了版权,文档只能用于自身使用,不得用于其他商业用途(如 [转卖]进行直接盈利或[编辑后售卖]进行间接盈利)。
2、本站所有内容均由合作方或网友上传,本站不对文档的完整性、权威性及其观点立场正确性做任何保证或承诺!文档内容仅供研究参考,付费前请自行鉴别。
3、如文档内容存在违规,或者侵犯商业秘密、侵犯著作权等,请点击“违规举报”。

碎片内容

供应商具备履行合同所必需的设备和专业技术能力的证明材料73958

您可能关注的文档

确认删除?
VIP
微信客服
  • 扫码咨询
会员Q群
  • 会员专属群点击这里加入QQ群
客服邮箱
回到顶部