电脑桌面
添加小米粒文库到电脑桌面
安装后可以在桌面快捷访问

凯润金城给水排水及采暖工程监理实施细则

凯润金城给水排水及采暖工程监理实施细则_第1页
1/20
凯润金城给水排水及采暖工程监理实施细则_第2页
2/20
凯润金城给水排水及采暖工程监理实施细则_第3页
3/20
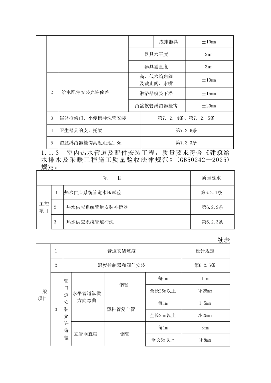
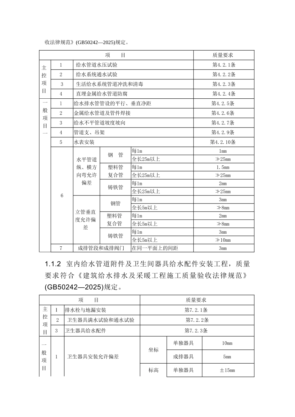
B13B13 凯润金城 工程监理实施细则监理实施细则(给水排水及采暖工程)内容提要:专业工程特点监理工作流程监理工作控制目标及控制要点监理工作方法及措施项目监理机构(章) 专 业 监 理 工 程 师 总 监 理 工 程 师 日期 江苏省建设厅监制给水排水及采暖工程施工质量监理实施细则1 给水系统1.1 建筑给水工程质量要求1.1.1 室内给水管道及配件安装工程,质量要求符合《建筑给水排水及采暖工程施工质量验收法律规范》(GB50242—2025)规定。项 目质量要求主控项目1给水管道水压试验第4.2.1条2给水系统通水试验第4.2.2条3生活给水系统管道冲洗和清毒第4.2.3条4直埋金属给水管道防腐第4.2.4条一般项目一l给水排水管管设的平行、垂直净距第4.2.5条2金属给水管道及管件焊接第4.2.6条3给水不平管道坡度坡向第4.2.7条4管道支、吊架第4.2.9条5水表安装第4.2.10条6水平管道纵、横方向弯允许偏差钢 管每1m1mm全长25m以上≯25mm塑料管复合管每1m1.5mm全长25m以上≯25mm铸铁管每1m2mm全长25m以上≯25mm立管垂直度允许偏差钢管每lm3mm全长5m以上≯8mm塑料管复合管每1m2mm全长5m以上≯8mm铸铁管每1m3mm全长5m以上≯10mm7成排管段和成排阀门在同一平面上的间距3mm1.1.2 室内给水管道附件及卫生间器具给水配件安装工程,质量要求符合《建筑给水排水及采暖工程施工质量验收法律规范》(GB50242—2025)规定。项 目质量要求主控项目l排水栓与地漏安装第7.2.1条2卫生器具满水试验和通水试验第7.2.2条3卫生器具给水配件第7.2.3条一般项目1卫生器具安装允许偏差坐标单独器具10mm成排器具5mm标高单独器具±15mm成排器具±10mm器具水平度2mm器具垂直度3mm2给水配件安装允许偏差高、低水箱角阀及截止阀、水嘴±10mm淋浴器喷头下沿±15mm浴盆软管淋浴器挂钩±20mm3浴盆检修门、小便槽冲洗管安装第7.2.4条、第7.2.5条4卫生器具的支、托架第7.2.6条5浴盆淋浴器挂钩高度距地1.8m第7.3.3条1.1.3 室内热水管道及配件安装工程,质量要求符合《建筑给水排水及采暖工程施工质量验收法律规范》(GB50242—2025)规定:项 目质量要求主控项目1热水供应系统管道水压试验第6.2.1条2热水供应系统管道安装补偿器第6.2.2条3热水供应系统管道冲洗第6.2.3条续表一般项目l管道安装坡度设计规定2温度控制器和阀门安装第6.2.5条3管口道安装允许偏差水平管道纵横方向弯曲钢管每lmlmm全长25m以上≯25mm塑料管复合管每1m1.5mm全长25m以上≯25mm立管垂直度钢管每1m3mm全长5...

1、当您付费下载文档后,您只拥有了使用权限,并不意味着购买了版权,文档只能用于自身使用,不得用于其他商业用途(如 [转卖]进行直接盈利或[编辑后售卖]进行间接盈利)。
2、本站所有内容均由合作方或网友上传,本站不对文档的完整性、权威性及其观点立场正确性做任何保证或承诺!文档内容仅供研究参考,付费前请自行鉴别。
3、如文档内容存在违规,或者侵犯商业秘密、侵犯著作权等,请点击“违规举报”。

碎片内容

凯润金城给水排水及采暖工程监理实施细则

确认删除?
VIP
微信客服
  • 扫码咨询
会员Q群
  • 会员专属群点击这里加入QQ群
客服邮箱
回到顶部