电脑桌面
添加小米粒文库到电脑桌面
安装后可以在桌面快捷访问

凿岩机掘进机碎石机

凿岩机掘进机碎石机_第1页
1/4
凿岩机掘进机碎石机_第2页
2/4
凿岩机掘进机碎石机_第3页
3/4
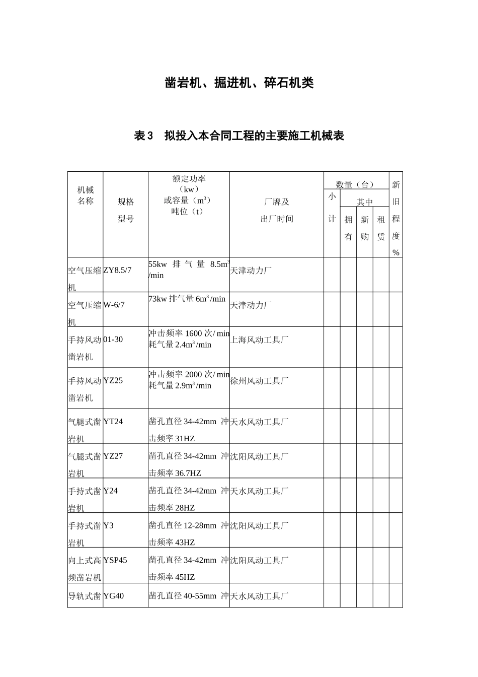
凿岩机、掘进机、碎石机类表 3 拟投入本合同工程的主要施工机械表机械名称规格型号额定功率(kw)或容量(m3)吨位(t)厂牌及出厂时间数量(台)新旧程度%小计其中拥有新购租赁空气压缩机ZY8.5/755kw 排 气 量 8.5m3 /min 天津动力厂空气压缩机W-6/773kw 排气量 6m3 /min 天津动力厂手持风动凿岩机01-30冲击频率 1600 次/ min耗气量 2.4m3 /min上海风动工具厂手持风动凿岩机YZ25冲击频率 2000 次/ min耗气量 2.9m3 /min徐州风动工具厂气腿式凿岩机YT24凿孔直径 34-42mm 冲击频率 31HZ天水风动工具厂气腿式凿岩机YZ27凿孔直径 34-42mm 冲击频率 36.7HZ沈阳风动工具厂手持式凿岩机Y24凿孔直径 34-42mm 冲击频率 28HZ天水风动工具厂手持式凿岩机Y3凿孔直径 12-28mm 冲击频率 43HZ沈阳风动工具厂向上式高频凿岩机YSP45凿孔直径 34-42mm 冲击频率 45HZ沈阳风动工具厂导轨式凿 YG40凿孔直径 40-55mm 冲天水风动工具厂岩机击频率 28Hz导轨式凿岩机YG80凿孔直径 50-75mm 冲击频率 30HZ天水风动工具厂导轨式高频凿岩机YGP28凿孔直径 38-48mm 冲击频率 43.3HZ沈阳风动工具厂导轨式独立回转凿岩机YGZ70凿孔直径 38-55mm 冲击频率 38.3~45HZ南京工程机械厂导轨式独立回转凿岩机YGZ90凿孔直径 50~80mm 冲击频率 33.3HZ南京工程机械厂导轨式独立回转凿岩机YGZ100凿孔直径 50~80mm 冲击频率 30HZ天水风动工具厂导轨式独立回转凿岩机YGZ170凿孔直径 65~100mm 冲击频率 30HZ天水风动工具厂内燃凿岩机YN30A凿孔直径 34mm 速度200mm/min上海风动工具厂内燃凿岩机YN30D凿孔直径 34mm 速度250mm/min宜春风动工具厂内燃凿岩机YN27凿孔直径 34mm 速度250mm/min宜春同动工具厂液压凿岩机YYG96凿孔直径 35~64mm 冲击频率 7.5kw 沈阳风动工具厂液压凿岩机YYG151凿孔直径 38~115mm 冲击功率 15kw沈阳风动工具厂液压凿岩机YYG150凿孔直径 48~115mm 冲击频率 10kw沈阳风动工具厂支腿式电动凿岩机YDT30凿孔直径 34mm 电动功率 3kw宜春风动工具厂支腿式电动凿岩机YDT34凿孔直径 35~43mm 电动功率 3kw宜春风动工具厂轮胎式露天凿岩台车CT3920A凿孔直径 60~70mm 推动力 3920N天水风动工具厂履带式露天凿岩台车CL9800凿孔直径 65~100mm推动力 9800N天水风动工具厂履带式露天凿岩台车CLQ15凿孔直径 105~115mm推动力 9800N天水风动工具厂履带式露天凿岩台车KQD80凿孔直径 80~120mm推动力 9...

1、当您付费下载文档后,您只拥有了使用权限,并不意味着购买了版权,文档只能用于自身使用,不得用于其他商业用途(如 [转卖]进行直接盈利或[编辑后售卖]进行间接盈利)。
2、本站所有内容均由合作方或网友上传,本站不对文档的完整性、权威性及其观点立场正确性做任何保证或承诺!文档内容仅供研究参考,付费前请自行鉴别。
3、如文档内容存在违规,或者侵犯商业秘密、侵犯著作权等,请点击“违规举报”。

碎片内容

凿岩机掘进机碎石机

您可能关注的文档

确认删除?
VIP
微信客服
  • 扫码咨询
会员Q群
  • 会员专属群点击这里加入QQ群
客服邮箱
回到顶部