电脑桌面
添加小米粒文库到电脑桌面
安装后可以在桌面快捷访问

变电站新建工程监理月报

变电站新建工程监理月报_第1页
1/4
变电站新建工程监理月报_第2页
2/4
变电站新建工程监理月报_第3页
3/4
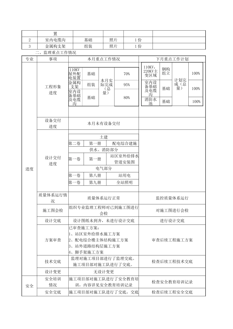
编号: JL-006监 理 月 报 工程名称:XXX 220kV 变电站新建工程 2025 年 2 月 第 六 期监理项目部(章):XXX 220kV 变电站新建工程监理部 总监理工程师: XXX 报告日期:2025 年 2 月 25 日监 理 月 报工程名称:XXX 220kV 变电站新建工程 月次: 6 月报开始时间:2011-1-25 结束时间:201 1 - 2 - 25 监理单位:XXXXXXXXXX 220kV 变电站新建工程项目监理部 一、工程影像资料序号单位工程标准名称单位工程名称资料类型资料数量备 注1110KV 屋外配电装GIS 基础照片1 份置2室内电缆沟基础照片1 份3金属构支架组装照片1 份二、监理重点工作情况专业事项本月重点工作情况下月重点工作计划进度工程形象进度110KV屋外配电装置基础本月实际完成(总量)70%金属构支架组装95%室内设备基础及电缆沟基础80%设备交付进度本月未有设备交付设计交付进度土建第二卷第一册配电综合建施供水、消防部分第一卷第一册站区室外给排水管道安装图电气部分第一卷第八册站用电第一卷第九册全站照明质量体系运行情况质量体系运行正常监控质量体系运行施工图会检组织专业监理工程师对已到施工图进行会检对施工图进行会检设计交底设计图纸未到齐,未进行设计交底进行设计交底方案审查已审查施工方案:1、站区室外给排水施工方案2、配电综合楼主体结构施工方案3、站外道路结构层施工方案4、脚手架施工方案审查后续工程施工方案技术交底监理对施工项目部进行了监理交底。施工项目部对施工队进行了交底。检查后续工程技术交底设计变更无设计变更安全安全培训情况施工项目部对施工队进行了安全教育培训,内容详见安全教育培训记录检查安全教育培训记录安全交底施工项目部对施工队进行了交底,交底检查后续工程安全交底110KV,220KV主变区域 钢构组立计划完成(总量) 100% 室内设备基础及电缆沟基础100% 消防水池基础100% 专业事项本月重点工作情况下月重点工作计划情况内容详见施工安全交底记录安全措施落实情况安全措施落实基本到位检查安全措施落实情况安全文明施工情况安全文明施工基本符合要求检查安全文明施工情况质量主要工序质量进站道路挡墙、综合楼基础、事故油池表观合格,试块试验报告还未出。检查表观质量与试块报告主要原材料质量主要原材料检测报告以报送监理部审查,检测报告合格,检测报告明细:1、 水泥检测报告2、 碎石检测报告3、 砂检测报告4、 钢筋原材力学性能检测报告5、 钢筋焊接力学性能检...

1、当您付费下载文档后,您只拥有了使用权限,并不意味着购买了版权,文档只能用于自身使用,不得用于其他商业用途(如 [转卖]进行直接盈利或[编辑后售卖]进行间接盈利)。
2、本站所有内容均由合作方或网友上传,本站不对文档的完整性、权威性及其观点立场正确性做任何保证或承诺!文档内容仅供研究参考,付费前请自行鉴别。
3、如文档内容存在违规,或者侵犯商业秘密、侵犯著作权等,请点击“违规举报”。

碎片内容

变电站新建工程监理月报

您可能关注的文档

确认删除?
VIP
微信客服
  • 扫码咨询
会员Q群
  • 会员专属群点击这里加入QQ群
客服邮箱
回到顶部