电脑桌面
添加小米粒文库到电脑桌面
安装后可以在桌面快捷访问

变电站综合自动化专业系统设计

变电站综合自动化专业系统设计_第1页
1/17
变电站综合自动化专业系统设计_第2页
2/17
变电站综合自动化专业系统设计_第3页
3/17
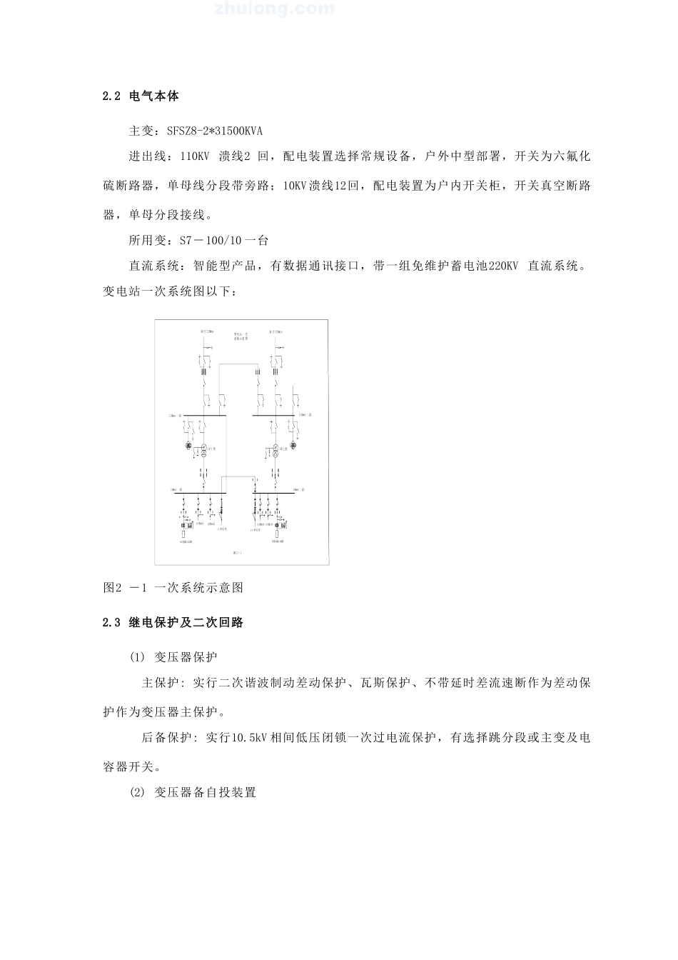
1.1 实现变电站自动化意义 变电站自动化自20世纪90年代以来一直是中国电力行、IT中热点之一。所以成为热点,是建设需要,日前全国投入电网运行35 - 110kV 变电站18000 座( 不包含用户变) ,220kV 变电站有 1000 多座,500kV 变电站大约有70座。而且每十二个月变电站数量以3%-5% 速度增加,也就是说每十二个月全部有数千座新家建变电站投入电网运行。同时,依据电网要求,尤其是自上个世纪末在中国全范围内开始大规模城镇电网改造,不仅要新建很多变电站,现有快要二分之一以建设于上世纪六、七 年代、甚至还有五年代破旧变电站因设备陈旧老化而面临改造。1.2 变电站综合自动化进展概述传统35kV 及以上电压等级变电站二次回路部分是由继电保护、当地监控、远动装置、故障录波和测距、直流系统和绝缘监视及通信等各类装置组成,以往它们各自实行独立装置来完成本身功效,而且均自成系统,由此小可避开地产生各类装置之间功效相互覆盖,部件反复配置,耗用大量连接线和电缆.分散式系统特点是将现场输入输出单元部件分别安装在中低压开关柜或高压一次设备周围,现场单元部件是保护和监控功效二合一装置,用以处理各开关单元继电保护和监控功效,亦能够是现场微机保护和监控部件,分别保持其独立性。在变电站控制室内设置内计算机系统- -该系统也可部署在远方集控站,对各现场单元部件进行通信联络。2. 110kV 变电站综合自动化系统概况2.1 变电站综合自动化分层配置基础结构本变电站自动化是应用自动控制技术、信息处理和传输技术,经过计算机硬软件系统替换人工对变电站进行监控、测量、运行操作自动化系统。具体说就是将变电站二次设备(包含控制、信号、测量、保护、自动装置等),利用微机及网络技术,经过功效重新组合和优化设计,对变电站实施自动监控、测量、运行和操作。2.2 电气本体主变:SFSZ8-2*31500KVA进出线:110KV 溃线2 回,配电装置选择常规设备,户外中型部署,开关为六氟化硫断路器,单母线分段带旁路;10KV 溃线12回,配电装置为户内开关柜,开关真空断路器,单母分段接线。所用变:S7-100/10 一台直流系统:智能型产品,有数据通讯接口,带一组免维护蓄电池220KV 直流系统。 变电站一次系统图以下: 图2 -1 一次系统示意图2.3 继电保护及二次回路(1) 变压器保护 主保护: 实行二次谐波制动差动保护、瓦斯保护、不带延时差流速断作为差动保护作为变压器主保护。 后备保护: 实行10.5kV 相间...

1、当您付费下载文档后,您只拥有了使用权限,并不意味着购买了版权,文档只能用于自身使用,不得用于其他商业用途(如 [转卖]进行直接盈利或[编辑后售卖]进行间接盈利)。
2、本站所有内容均由合作方或网友上传,本站不对文档的完整性、权威性及其观点立场正确性做任何保证或承诺!文档内容仅供研究参考,付费前请自行鉴别。
3、如文档内容存在违规,或者侵犯商业秘密、侵犯著作权等,请点击“违规举报”。

碎片内容

变电站综合自动化专业系统设计

您可能关注的文档

确认删除?
VIP
微信客服
  • 扫码咨询
会员Q群
  • 会员专属群点击这里加入QQ群
客服邮箱
回到顶部