电脑桌面
添加小米粒文库到电脑桌面
安装后可以在桌面快捷访问

土石方路基表格

土石方路基表格_第1页
1/9
土石方路基表格_第2页
2/9
土石方路基表格_第3页
3/9
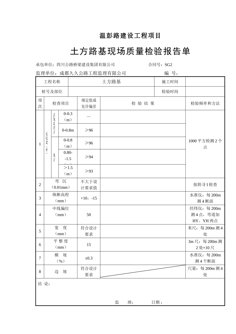
温彭路建设工程项目检验申请批复单承包单位:四川公路桥梁建设集团有限公司 合同号:SG2 监理单位:成都久久公路工程监理有限公司 编 号: 工程项目土方路基工 程 地 点 及 桩 号具体部位检验内容压实度、弯沉、纵断高程、中线偏位、宽度、平整度、横坡、边坡要求到现场检验时间年 月 日 时承包人递交时间和签名年 月 日监理组收到时间和签名年 月 日现场监理工程师意见: 签名: 年 月 日专业监理工程师意见:签名: 年 月 日本项目能否继续进行可以不可以总监理工程师签名年 月 日承包人收到日期和签名年 月 日温彭路建设工程项目土方路基现场质量检验报告单承包单位:四川公路桥梁建设集团有限公司 合同号:SG2监理单位:成都久久公路工程监理有限公司 编 号: 工程名称土方路基施工时间桩号及部位检验时间项次检查项目规定值或允许偏差检 验 结 果检验频率和方法1压实度(%)零填及挖方0-0.3(m)—1000 平方检测 2 个点0-0.8m≥96填方0-0.8(m)≥960.80--1.5(m)≥94>1.5(m))≥932弯 沉(0.01mm))不大于设计要求值按附寻 I 检查3纵断高程(mm))+10,-15水准仪:每 200m测 4 断面4中线偏位(mm)50经纬仪:每 200m测 4 点,弯道加HY、YH 两点5宽 度(mm))符合设计要求米尺:每 200m 测 4处6平 整 度(mm))153m 尺:每 200m 测2 处×10 尺7横 坡(%)±0.3水准仪:每 200m测 4 个断面8边 坡符合设计要求尺量:每 200m 测 4处结 论: 监 理: 日期 : 现场技术负责人: 日期: 温彭路建设工程项目路基、路面平整度检查记录施工单位:四川公路桥梁建设集团有限公司 合同号:SG2监理单位:成都久久公路工程监理公司 编 号: 检查部位检查日期桩 号检 查 值 (㎜)备 注现场技术负责人: 检查点数: 合格点数: 合格率: %。签字: 日期:监 理:签字: 日期:温彭路建设工程项目宽度、中线偏位检查记录施工单位:四川公路桥梁建设集团有限公司 合同号:SG2 监理单位:成都久久公路工程监理有限公司 编 号: 检 查 部 位检 查 日 期桩 号宽 度(m)中线偏位(mm)备 注设计值实 测 值偏 差(mm)偏 左偏 右(左)(右)全宽现场技术负责人: 宽度检查点数: 合格点数: 合格率: %。中线偏位检查点数: 合格点数: 合格率: %。签字: 日期: 监 理:签字: 日期:温 彭 路 建 设 工 程 项 目 K2...

1、当您付费下载文档后,您只拥有了使用权限,并不意味着购买了版权,文档只能用于自身使用,不得用于其他商业用途(如 [转卖]进行直接盈利或[编辑后售卖]进行间接盈利)。
2、本站所有内容均由合作方或网友上传,本站不对文档的完整性、权威性及其观点立场正确性做任何保证或承诺!文档内容仅供研究参考,付费前请自行鉴别。
3、如文档内容存在违规,或者侵犯商业秘密、侵犯著作权等,请点击“违规举报”。

碎片内容

土石方路基表格

一二三四传媒+ 关注
实名认证
内容提供者

大量资料供您选择,没有合适的可以联系小二。

相关文档

确认删除?
VIP
微信客服
  • 扫码咨询
会员Q群
  • 会员专属群点击这里加入QQ群
客服邮箱
回到顶部