电脑桌面
添加小米粒文库到电脑桌面
安装后可以在桌面快捷访问

地下连续墙技术交底

地下连续墙技术交底_第1页
1/15
地下连续墙技术交底_第2页
2/15
地下连续墙技术交底_第3页
3/15
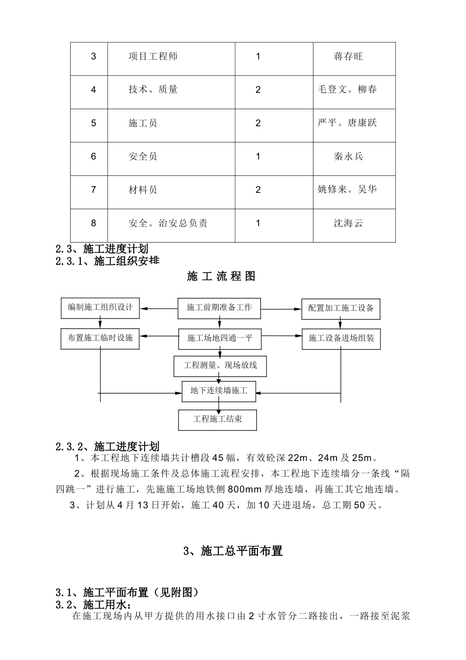
1、 工程概述工程围护结构采纳地下连续墙且为两墙合一,连续墙两侧已通过三轴搅拌桩加固,地下连续墙总长约 238m,地下墙厚度为 0.8m 及 1m,有效墙深 22m、24m 及 25m,地下墙墙趾最深插入⑥暗绿色粉质粘土层,地下连续墙接头形式采纳柔性接头,地下墙混凝土设计强度等级为 C30(水下),抗渗等级 P8;钢筋采纳HPB235、HRB335 钢。本工程场地小、工期紧,临近恒丰路下地铁,施工难度大。2、 施工总体部署2.1、工程施工总体目标 ⑴ 工期目标:40 天。⑵ 质量目标:一次性通过验收,确保工程质量达到优良。⑶ 文明目标:达到上海市文明施工场地标准。2.2、施工组织机构2.2.2、施工管理网络本工程主要施工管理网络如下:⑴ 项目经理部施工组织网络⑵ 技术管理网络项目副经理安全员成槽施工班组钢筋笼制作班组钢筋笼吊装班组泥浆施工班组砼浇筑班组墙址注浆班组导墙施工班组项目经理施工员材料员技术员质量员项目工程师项目经理项目工程师技术员负责人⑶ 质量管理网络2.2.3 、现场项目部人员组成⑴ 项目部管理人员配备计划序号类 别人 数姓名1项目经理1杨爱忠2项目副经理1任思浩成槽施工班组钢筋笼制作班组钢筋笼吊装班组泥浆施工班组砼浇筑班组墙址注浆班组导墙施工班组成槽施工班组钢筋笼制作班组钢筋笼吊装班组泥浆施工班组砼浇筑班组墙址注浆班组导墙施工班组项目经理项目工程师专职质量员3项目工程师1蒋存旺4技术、质量2毛登文。柳春5施工员2严平。唐康跃6安全员1秦永兵7材料员2姚修来。吴华8安全。治安总负责1沈海云2.3、施工进度计划2.3.1、施工组织安排2.3.2、施工进度计划1、本工程地下连续墙共计槽段 45 幅,有效砼深 22m、24m 及 25m。2、根据现场施工条件及总体施工流程安排,本工程地下连续墙分一条线“隔四跳一”进行施工,先施施工场地铁侧 800mm 厚地连墙,再施工其它地连墙。3、计划从 4 月 13 日开始,施工 40 天,加 10 天进退场,总工期 50 天。 3、施工总平面布置3.1、施工平面布置(见附图)3.2、施工用水:在施工现场内从甲方提供的用水接口由 2 寸水管分二路接出,一路接至泥浆施工前期准备工作施工场地四通一平工程测量、现场放线配置加工施工设备编制施工组织设计布置施工临时设施施工设备进场组装地下连续墙施工工程施工结束施 工 流 程 图工厂和钢筋加工厂。一路沿基坑周边在适当位置设置水龙头,以保证施工用水。在施工现场进出大门口两侧各设一个水龙头,为施工保洁清...

1、当您付费下载文档后,您只拥有了使用权限,并不意味着购买了版权,文档只能用于自身使用,不得用于其他商业用途(如 [转卖]进行直接盈利或[编辑后售卖]进行间接盈利)。
2、本站所有内容均由合作方或网友上传,本站不对文档的完整性、权威性及其观点立场正确性做任何保证或承诺!文档内容仅供研究参考,付费前请自行鉴别。
3、如文档内容存在违规,或者侵犯商业秘密、侵犯著作权等,请点击“违规举报”。

碎片内容

地下连续墙技术交底

元素商铺+ 关注
实名认证
内容提供者

欢迎挑选合适的文档

确认删除?
VIP
微信客服
  • 扫码咨询
会员Q群
  • 会员专属群点击这里加入QQ群
客服邮箱
回到顶部