电脑桌面
添加小米粒文库到电脑桌面
安装后可以在桌面快捷访问

基础工程施工监理实施细则

基础工程施工监理实施细则_第1页
1/11
基础工程施工监理实施细则_第2页
2/11
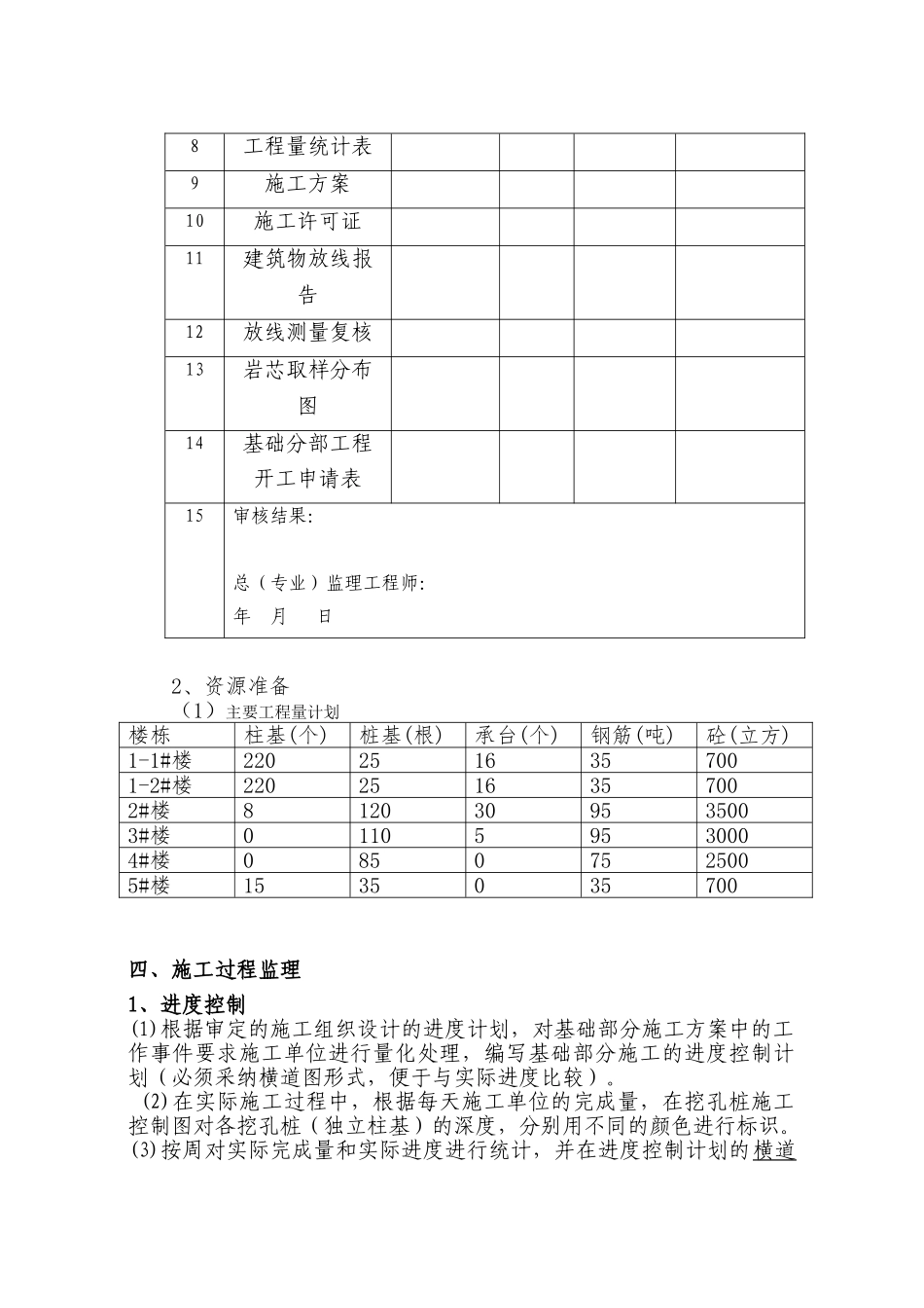
基础工程施工监理实施细则_第3页
3/11
基础工程施工监理实施细则一、工程概述1、工程地点:重庆市北碚2、工程规模及概况:工程位于重庆市北碚区,总建筑面积 81624.19㎡,。本工程独立基础约 500 个;直径 1 米桩基约 380 根,结合地勘报告推断,平均桩长 15 米左右;地基基础部分砼 8000 多立方米。3 设计要求3.1 地基基础设计等级为丙级,建筑桩基设计等级为丙级。以中等风化砂岩或砂质泥岩作为持力层。中风化砂质泥岩饱和单轴抗压强度标准值≥5.6MPa 和 9.3MPa,地基承载力特征值 fak≥2790kPa。持力层岩石取样试压由现场各方根据实际地质情况共同确定。桩终孔时应视岩性检验桩底 3d 或 5 米深度范围内有无孔洞、破 碎带、软弱夹层等不良地质现象。消防水池持力层为强风化岩石,超深部分用 C20 毛石砼垫至池底。3.2 本工程基础形式采纳桩基、柱下独基和墙下条基,完整岩石部分独基和条基采纳原槽浇筑。3.3 桩基:桩孔开挖过程中,非中风化岩石段须按《挖孔桩护壁详图》要求浇筑钢筋混凝土护壁,护壁采纳 C30 混凝土;至基岩后不再设置护壁。清底后封闭材料采纳 100 厚 C25 素混凝土。相邻两桩的桩底高差应小于其水平净距(若有扩大头,则为扩大头间净距);桩净距小于 1000mm 时必须采纳跳槽开挖。3.4 柱下独立基础和墙下条形基础:基础的实际深度结合基础高度和嵌岩深度综合决定.遇到基础超深的情况,超深部分采纳与基础混凝土等级相同的素混凝土浇筑。墙、柱预留插筋的数量、位置、规格应与相应位置竖向配筋相同,锚入基础内应不少于 40d,设置定位箍筋三道,分别置于基顶面以下 100mm 处,插筋下端处及其中间位置,插筋伸出基础顶面长度参见 03G101-1。未注明的垫层采纳 100 厚 C15 混凝土,每边宽出 50mm。3.5 材料:桩、独基、条基、基梁、承台、桩、挡墙、水池砼均为C30。 挡墙(DQ1、DQ2)为 C30,挡墙(DQ3)为 C40。钢筋保护层:桩50mm,基梁、承台 40mm。挡墙:室外 50mm,室内 20mm。3.6 地下室挡墙及水池墙体、底板的砼抗渗等级为 P6,砼内掺入 ZY 微膨胀剂,混凝土限制膨胀率≥0.025%。地下室挡墙每 30m 左右设置一道膨胀加强带,加强带采纳 C35 砼,可以连续浇筑,混凝土限制膨胀率“0.025%。在全部施工缝处用 BW-96 型止水条处理,以防渗漏。挡墙墙背为岩石区时,挡墙砼宜原槽浇筑;挡墙墙背为回填区时,墙背后填 200 厚片石滤水层,滤水层后填土需逐层回填压实,压实度不小于0.94,内摩擦角不小于 30°。水池底...

1、当您付费下载文档后,您只拥有了使用权限,并不意味着购买了版权,文档只能用于自身使用,不得用于其他商业用途(如 [转卖]进行直接盈利或[编辑后售卖]进行间接盈利)。
2、本站所有内容均由合作方或网友上传,本站不对文档的完整性、权威性及其观点立场正确性做任何保证或承诺!文档内容仅供研究参考,付费前请自行鉴别。
3、如文档内容存在违规,或者侵犯商业秘密、侵犯著作权等,请点击“违规举报”。

碎片内容

基础工程施工监理实施细则

您可能关注的文档

确认删除?
VIP
微信客服
  • 扫码咨询
会员Q群
  • 会员专属群点击这里加入QQ群
客服邮箱
回到顶部