电脑桌面
添加小米粒文库到电脑桌面
安装后可以在桌面快捷访问

悬挑脚手架搭设技术交底

悬挑脚手架搭设技术交底_第1页
1/6
悬挑脚手架搭设技术交底_第2页
2/6
悬挑脚手架搭设技术交底_第3页
3/6
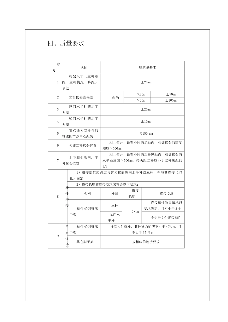
技术交底记录表 C2-1编号001工程名称利辛元力广场分项工程名称脚手架工程施工单位浙江元力建设有限公司交底部位3#、4#、7#、8#、11#、12#、14#交底提要悬挑脚手架技术交底交底内容:一、搭设参数材料:根据 JGJ59-99 标准要求,进料前应对搭脚手架所需的材料进行选料。钢管:采纳外径 48mm,壁厚 3.5mm 的焊接钢管,钢管不应有弯曲、压扁和腐蚀、打孔现象。扣件:铸件不得有裂纹、气孔,不宜有砂眼和影响使用性能的铸造缺陷,扣件活动部位应能灵活转动,扣件要 T 型螺栓、螺母、垫圈齐全,旋转扣件的两旋转间隙应小于 1mm,扣件夹紧钢管时开口处的最小距离应小于 5mm,扣件表面有防锈处理,应有近期扣件和钢管的检测报告单。脚手板:架体垫板及挡脚板采纳坚韧、无腐蚀的黄松板,厚度 5cm。密目网:颜色为绿色,规格 1.5m×6m,规格一致,有阻燃效果,网眼每平方米 2000 目以上,安全网要有合格证。铅丝:8#、16#镀锌铅丝以及尼龙绳。 搭设:双排脚手架,搭设高度 20m,立杆采纳单立管,纵距 1.5m,横距为 0.9m,步距1.8m; 大横杆在上,搭接在小横杆上的大横杆根数为 2 根,内排架离墙 300mm; 连墙件采纳两步三跨,连墙件连接方式为双扣件连接;脚手板铺设 8 层(底层、作业层及其上下层)悬挑水平钢梁采纳 14a 号槽钢,其中建筑物外悬挑段长度 1.4m,建筑物内锚固段长度 1.5 m。拉绳为 6×19+1 型,最小直径 14mm,拉点离墙距离 1300mm,拉环最小直径 20mm,锚固螺栓直径 20mm。二、施工工艺流程 型钢悬挑梁、预埋件制作→预埋件安装→砼浇筑→穿型钢→拉线调整钢梁→固定型钢→立两头立杆扣扫地杆、小横杆、大横杆(或临时大、小横杆)→立抛撑→树中间立杆→小横杆、大横杆、防护栏杆→以此类推、形成一步闭合架体→铺脚手板(隔离防坠)→搭第二步架→拉连墙件→转角处设置“之”剪刀撑、立杆外侧剪刀撑→挂密目安全网、铺脚手版→接立杆→搭第三步架→…→拉钢丝绳。三、安装示意图 四、质量要求序号项目一般质量要求1构架尺寸(立杆纵距、立杆横距、步距)误差±20mm2立杆的垂直偏差架高≤25m±50mm>25m±100mm3纵向水平杆的水平偏差±20mm4横向水平杆的水平偏差±10mm5节点处相交杆件的轴线距节点中心距离≤150 mm6相邻立杆接头位置相互错开,设在不同的步距内,相邻接头的高度差应>500mm7上下相邻纵向水平杆接头位置相互错开,设在不同的立杆纵距内,相邻接头的水平距离应>500mm,接头距立杆...

1、当您付费下载文档后,您只拥有了使用权限,并不意味着购买了版权,文档只能用于自身使用,不得用于其他商业用途(如 [转卖]进行直接盈利或[编辑后售卖]进行间接盈利)。
2、本站所有内容均由合作方或网友上传,本站不对文档的完整性、权威性及其观点立场正确性做任何保证或承诺!文档内容仅供研究参考,付费前请自行鉴别。
3、如文档内容存在违规,或者侵犯商业秘密、侵犯著作权等,请点击“违规举报”。

碎片内容

悬挑脚手架搭设技术交底

确认删除?
VIP
微信客服
  • 扫码咨询
会员Q群
  • 会员专属群点击这里加入QQ群
客服邮箱
回到顶部