电脑桌面
添加小米粒文库到电脑桌面
安装后可以在桌面快捷访问

高考物理一轮复习 第八单元 专题七 电学实验基础学案 新人教版-新人教版高三全册物理学案

高考物理一轮复习 第八单元 专题七 电学实验基础学案 新人教版-新人教版高三全册物理学案_第1页
1/8
高考物理一轮复习 第八单元 专题七 电学实验基础学案 新人教版-新人教版高三全册物理学案_第2页
2/8
高考物理一轮复习 第八单元 专题七 电学实验基础学案 新人教版-新人教版高三全册物理学案_第3页
3/8
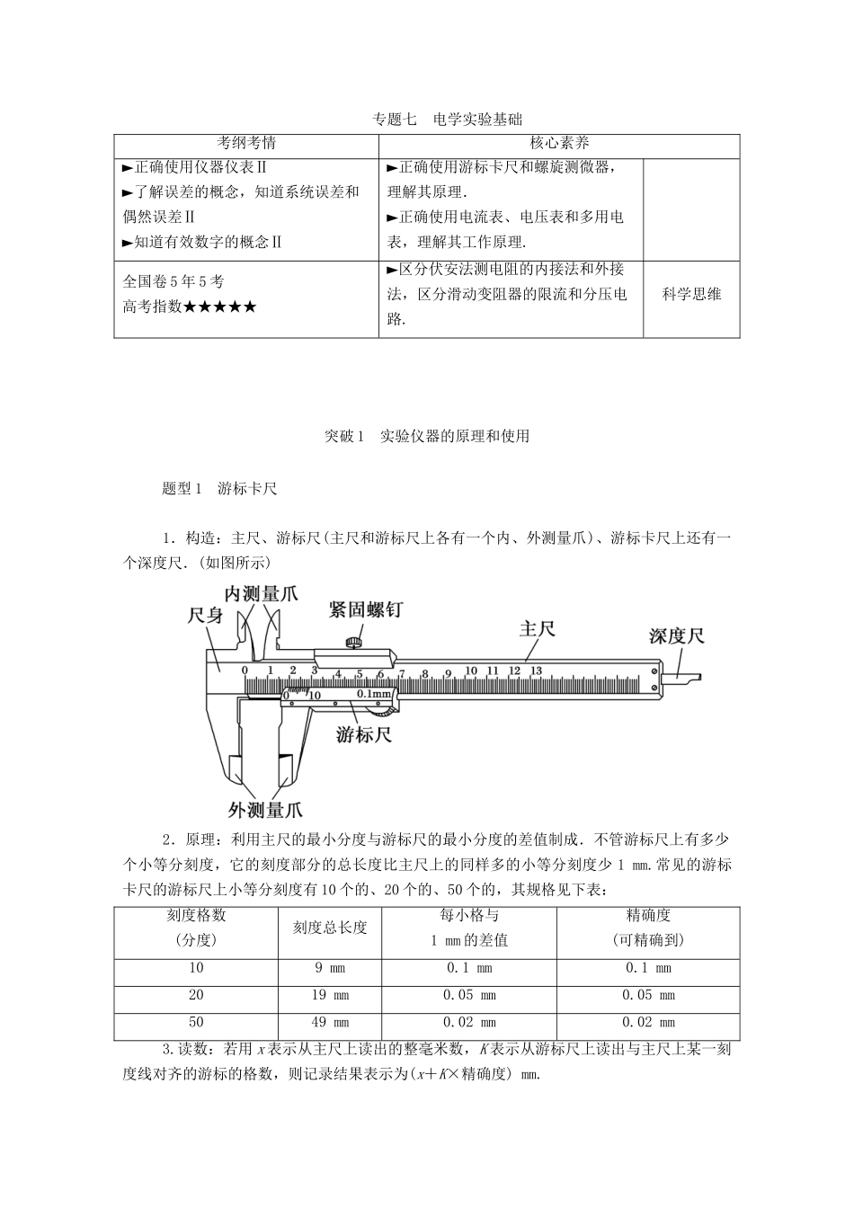
专题七 电学实验基础考纲考情核心素养►正确使用仪器仪表Ⅱ►了解误差的概念,知道系统误差和偶然误差Ⅱ►知道有效数字的概念Ⅱ►正确使用游标卡尺和螺旋测微器,理解其原理.►正确使用电流表、电压表和多用电表,理解其工作原理.全国卷 5 年 5 考高考指数★★★★★►区分伏安法测电阻的内接法和外接法,区分滑动变阻器的限流和分压电路.科学思维 突破 1 实验仪器的原理和使用题型 1 游标卡尺 1.构造:主尺、游标尺(主尺和游标尺上各有一个内、外测量爪)、游标卡尺上还有一个深度尺.(如图所示)2.原理:利用主尺的最小分度与游标尺的最小分度的差值制成.不管游标尺上有多少个小等分刻度,它的刻度部分的总长度比主尺上的同样多的小等分刻度少 1 mm.常见的游标卡尺的游标尺上小等分刻度有 10 个的、20 个的、50 个的,其规格见下表:刻度格数(分度)刻度总长度每小格与1 mm 的差值精确度(可精确到)109 mm0.1 mm0.1 mm2019 mm0.05 mm0.05 mm5049 mm0.02 mm0.02 mm3.读数:若用 x 表示从主尺上读出的整毫米数,K 表示从游标尺上读出与主尺上某一刻度线对齐的游标的格数,则记录结果表示为(x+K×精确度) mm. 如图所示的三把游标卡尺,从上至下分别为 9 mm 长 10 等分、19 mm 长 20 等分、49 mm 长 50 等分,它们的读数依次为________mm,________mm,________mm.【答案】 17.8 23.85 3.18题型 2 螺旋测微器的原理和使用 1.构造(如图所示)2.原理:可动刻度上的刻度为 50 等份,则螺旋测微器的精确度为 0.01 mm.3.读数:测量时以可动刻度的边缘为准,读出固定刻度上下刻线总条数 n(半毫米的整数倍);再以固定刻度上下刻线的分界线(中心线)为准,读出可动刻度上的刻线条数 k(包括估读数);螺旋测微器的读数为 L=(0.5n+0.01k) mm. 某同学用如图甲所示的螺旋测微器测小球的直径时,他应先转动________到F 靠近小球,再转动________到 F 夹住小球,直至听到棘轮发出声音为止,拨动________使 F固定后读数(填仪器部件字母符号).正确操作后,螺旋测微器的示数如图乙所示,则小球的直径是________mm.【解析】 用螺旋测微器测小球直径时,先转动粗调旋钮 D 使测微螺杆 F 靠近被测小球,再转动微调旋钮 H 使测微螺杆 F 夹住小球,直到棘轮发出声音为止,拨动止动旋钮 G 使 F 固定后读数,读数 6.5 mm+20.0×0.01 mm=6.700 mm.【答案】 D H G 6.700题型 3 ...

1、当您付费下载文档后,您只拥有了使用权限,并不意味着购买了版权,文档只能用于自身使用,不得用于其他商业用途(如 [转卖]进行直接盈利或[编辑后售卖]进行间接盈利)。
2、本站所有内容均由合作方或网友上传,本站不对文档的完整性、权威性及其观点立场正确性做任何保证或承诺!文档内容仅供研究参考,付费前请自行鉴别。
3、如文档内容存在违规,或者侵犯商业秘密、侵犯著作权等,请点击“违规举报”。

碎片内容

高考物理一轮复习 第八单元 专题七 电学实验基础学案 新人教版-新人教版高三全册物理学案

确认删除?
VIP
微信客服
  • 扫码咨询
会员Q群
  • 会员专属群点击这里加入QQ群
客服邮箱
回到顶部