电脑桌面
添加小米粒文库到电脑桌面
安装后可以在桌面快捷访问

某住宅楼模板工程技术交底

某住宅楼模板工程技术交底_第1页
1/6
某住宅楼模板工程技术交底_第2页
2/6
某住宅楼模板工程技术交底_第3页
3/6
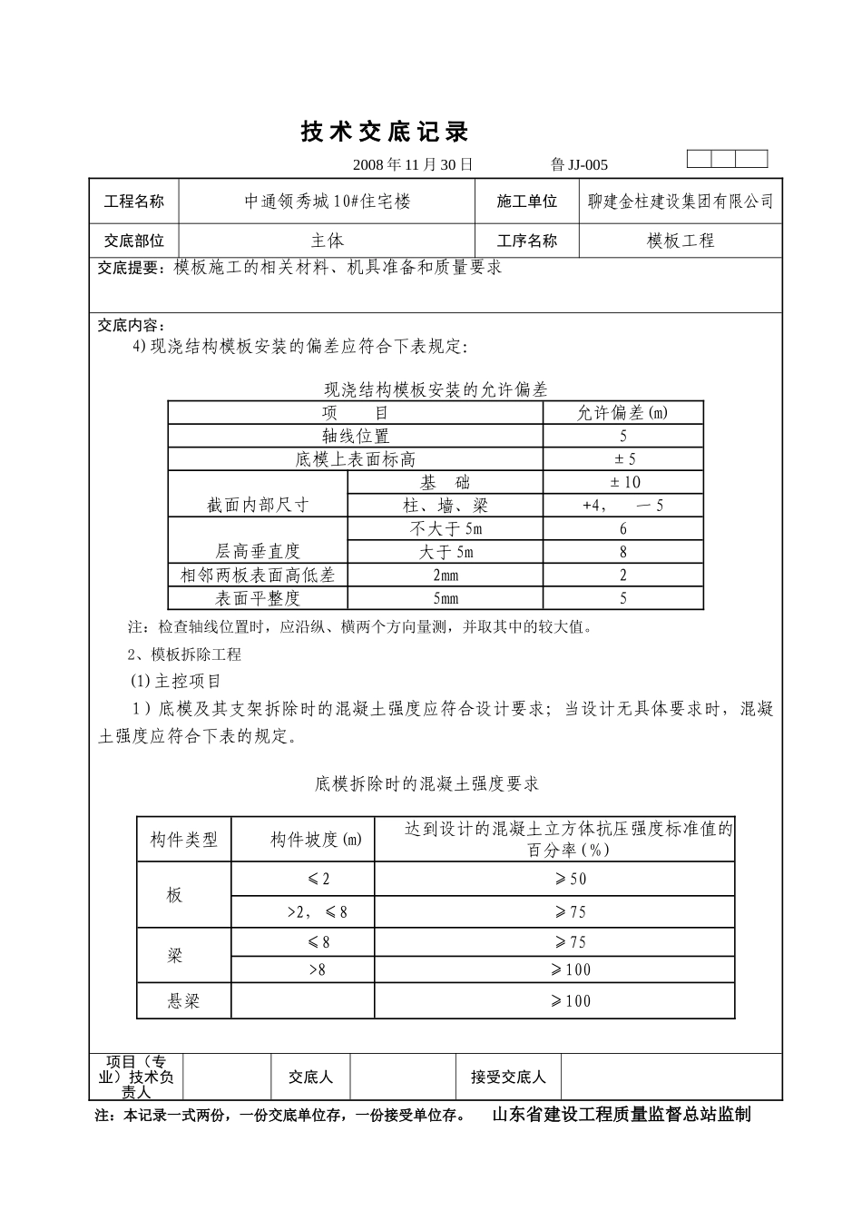
技 术 交 底 记 录2008 年 11 月 30 日 鲁 JJ-005注:本记录一式两份,一份交底单位存,一份接受单位存。 山东省建设工程质量监督总站监制工程名称中通领秀城 10#住宅楼施工单位聊建金柱建设集团有限公司 交底部位主体工序名称模板工程交底提要: 模板施工的相关材料、机具准备和质量要求交底内容:(一)作业条件1、模板设计:根据工程结构型式、特点批准的基础施工组织设计及现场施工条件,对模板进行设计,确定模板平面布置,纵横支撑规格、数量、排列尺寸,柱箍选用的型式和间距,梁支撑间距,梁柱节点大样。验算模板和支撑的强度、刚度及稳定性。绘制全套模板设计图(模板平面布置图、分块图、组装图、加固大样图、节点大样图、零件加工图和非定型零件的拼接加工图)。模板的数量应在模板设计时按流水段划分,进行综合讨论,确定模板的合理配制数量。2、模板拼装:(1)拼装场地夯实平整,条件许可时可设拼装操作平台。(2)按模板设计图尺寸,采纳沉头自攻螺丝将竹胶板与方木拼成整片模板,接缝处要求附加小龙骨。(3)竹胶板模板开的边及时用防水油漆封边两道,防止竹胶板模板使用过程中开裂、起皮。3、模板加工好后,专人仔细检查模板规格尺寸,根据配模图编号,并均匀涂刷脱模剂,分规格码放,并有防雨,防潮、防砸措施。(二)材质要求1、竹胶板模板:尺寸 1220×2440mm,厚度为 12mm、9mm、15mm、18mm 等(单个工程最好选用不超过两种厚度为合理)。2、方木:50×100mm,100×100mm 方木,要求规格统一,尺寸规矩。3、对拉螺栓:采纳 φ14 mm 以上的I级钢筋(HPB235),两端套丝,并且两边带好两个螺母,沾油备用。4、脱模剂:严禁使用油性脱模剂,必须使用水性脱模剂。5、模板截面支撑用料:采纳钢筋支撑,两端点好防锈漆。(三)施工机械及工具 1、木工圆锯,木工平刨,压刨,手提电锯、手提压刨,打眼电钻,线坠,靠尺板,方尺,铁水平,翘棍等。2、支撑体系:钢管支撑,钢管脚手架及碗扣脚手架等。项目(专业)技术负责人 交底人接受交底人 技 术 交 底 记 录2008 年 11 月 30 日 鲁 JJ-005注:本记录一式两份,一份交底单位存,一份接受单位存。 山东省建设工程质量监督总站监制工程名称中通领秀城 10#住宅楼施工单位聊建金柱建设集团有限公司 交底部位主体工序名称模板工程交底提要:模板施工的相关材料、机具准备和质量要求交底内容:(二)模板工程1、模板安装工程(1)主控项目1)在涂刷模板隔离剂时,不得...

1、当您付费下载文档后,您只拥有了使用权限,并不意味着购买了版权,文档只能用于自身使用,不得用于其他商业用途(如 [转卖]进行直接盈利或[编辑后售卖]进行间接盈利)。
2、本站所有内容均由合作方或网友上传,本站不对文档的完整性、权威性及其观点立场正确性做任何保证或承诺!文档内容仅供研究参考,付费前请自行鉴别。
3、如文档内容存在违规,或者侵犯商业秘密、侵犯著作权等,请点击“违规举报”。

碎片内容

某住宅楼模板工程技术交底

您可能关注的文档

确认删除?
VIP
微信客服
  • 扫码咨询
会员Q群
  • 会员专属群点击这里加入QQ群
客服邮箱
回到顶部