电脑桌面
添加小米粒文库到电脑桌面
安装后可以在桌面快捷访问

某大厦模板工程技术交底

某大厦模板工程技术交底_第1页
1/4
某大厦模板工程技术交底_第2页
2/4
某大厦模板工程技术交底_第3页
3/4
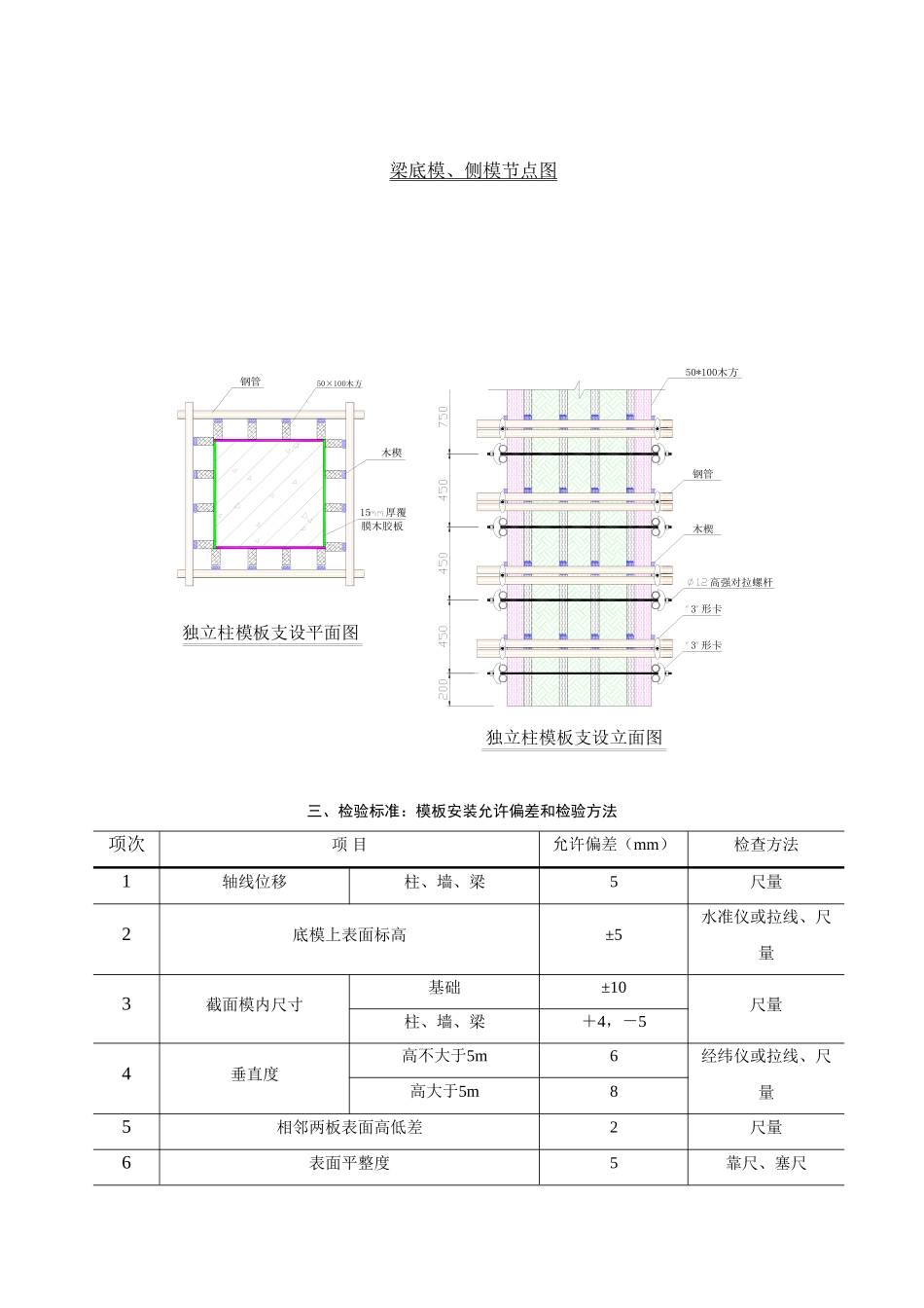
一、营东大厦东、西配楼工程满堂模板支撑架搭设: 1、支撑架底部距地面小于 300 要设置横、纵两个方向的扫地杆,并用扣件与立杆相连。 2、立杆的自由端高度不得大于 1/4 层高,并在两个方向搭设横杆来控制自由端高度。 3、钢管立杆对接扣件不得设置在一个截面上,要 50%错开布置。 4、微调螺栓的高度不得大于 200mm.若高度不够,可增设木方来控制。 5、模板支撑架体不允许与外脚手架相连接。 6、不大于四跨且不大于 6 米要自上而下设置两个方向的连续剪刀撑,剪刀撑要与立杆相连接,角度要在 45—60°之间。 7、洞口处支撑架立杆下面不允许用模板作为垫板,用双层木方来作为垫板,并加设斜撑与周围立杆相连接。 8、横杆加设步距不得大于 1.5 米。 9、支撑架立杆不得架空,必须做落地。 10、模板支撑架体不允许与脚手架相连接。 11、上下层立杆搭设应在同一位置,上下同心。 12、扣件、钢管等料具不得随意丢弃,用不到的要集中放置,派专人每日清理。二、模板安装: 1、梁底每隔 1.2 米设置一顶撑,高度超过 650 的梁每隔 600mm 需加设套管用螺栓进行拉接,具体节点见附图,长度超过 4 米的梁,梁下要用木楔进行起拱,起拱高度控制在 1/1000~3/1000. 2、对于截面超过 800 的柱子,柱子中间加设一道穿截面的对拉螺栓保证柱子模板刚度,对拉螺杆外侧须套 PVC 塑料管。模板拼缝处加设海绵条以防止柱子露浆,模板加固采纳 Φ48×3.5mm 钢管、Ф14 通丝高强对拉螺杆及“3”型卡。纵向间距 450mm。节点见附图; 3、平板下次龙骨间距为 300mm 一道木方;4、主龙骨间距为 1.2m,微调螺栓上托两道木方; 三、模板支设节点详图: 5、50*100木方钢管木楔3 形卡3 形卡独立柱模板支设立面图木楔50×100木方钢管独立柱模板支设平面图15厚覆膜木胶板高强对拉螺杆梁底模、侧模节点图三、检验标准:模板安装允许偏差和检验方法 项次项 目允许偏差(mm)检查方法1轴线位移柱、墙、梁5尺量2底模上表面标高±5水准仪或拉线、尺量3截面模内尺寸基础±10尺量柱、墙、梁+4,-54垂直度高不大于5m6经纬仪或拉线、尺量高大于5m85相邻两板表面高低差2尺量6表面平整度5靠尺、塞尺7阴阳角方正――方尺、塞尺垂直――线尺8预埋铁件中心线位移――拉线、尺量9预埋管中心线位移3拉线、尺量+10,-010预留孔洞中心线位移10拉线、尺量尺寸+10, 011插筋中心线位移5尺量四、模板拆除:1、模板拆除之前需向项目部做出书面的模板...

1、当您付费下载文档后,您只拥有了使用权限,并不意味着购买了版权,文档只能用于自身使用,不得用于其他商业用途(如 [转卖]进行直接盈利或[编辑后售卖]进行间接盈利)。
2、本站所有内容均由合作方或网友上传,本站不对文档的完整性、权威性及其观点立场正确性做任何保证或承诺!文档内容仅供研究参考,付费前请自行鉴别。
3、如文档内容存在违规,或者侵犯商业秘密、侵犯著作权等,请点击“违规举报”。

碎片内容

某大厦模板工程技术交底

您可能关注的文档

确认删除?
VIP
微信客服
  • 扫码咨询
会员Q群
  • 会员专属群点击这里加入QQ群
客服邮箱
回到顶部