电脑桌面
添加小米粒文库到电脑桌面
安装后可以在桌面快捷访问

某大桥墩人工挖孔桩首件工程技术交底

某大桥墩人工挖孔桩首件工程技术交底_第1页
1/9
某大桥墩人工挖孔桩首件工程技术交底_第2页
2/9
某大桥墩人工挖孔桩首件工程技术交底_第3页
3/9
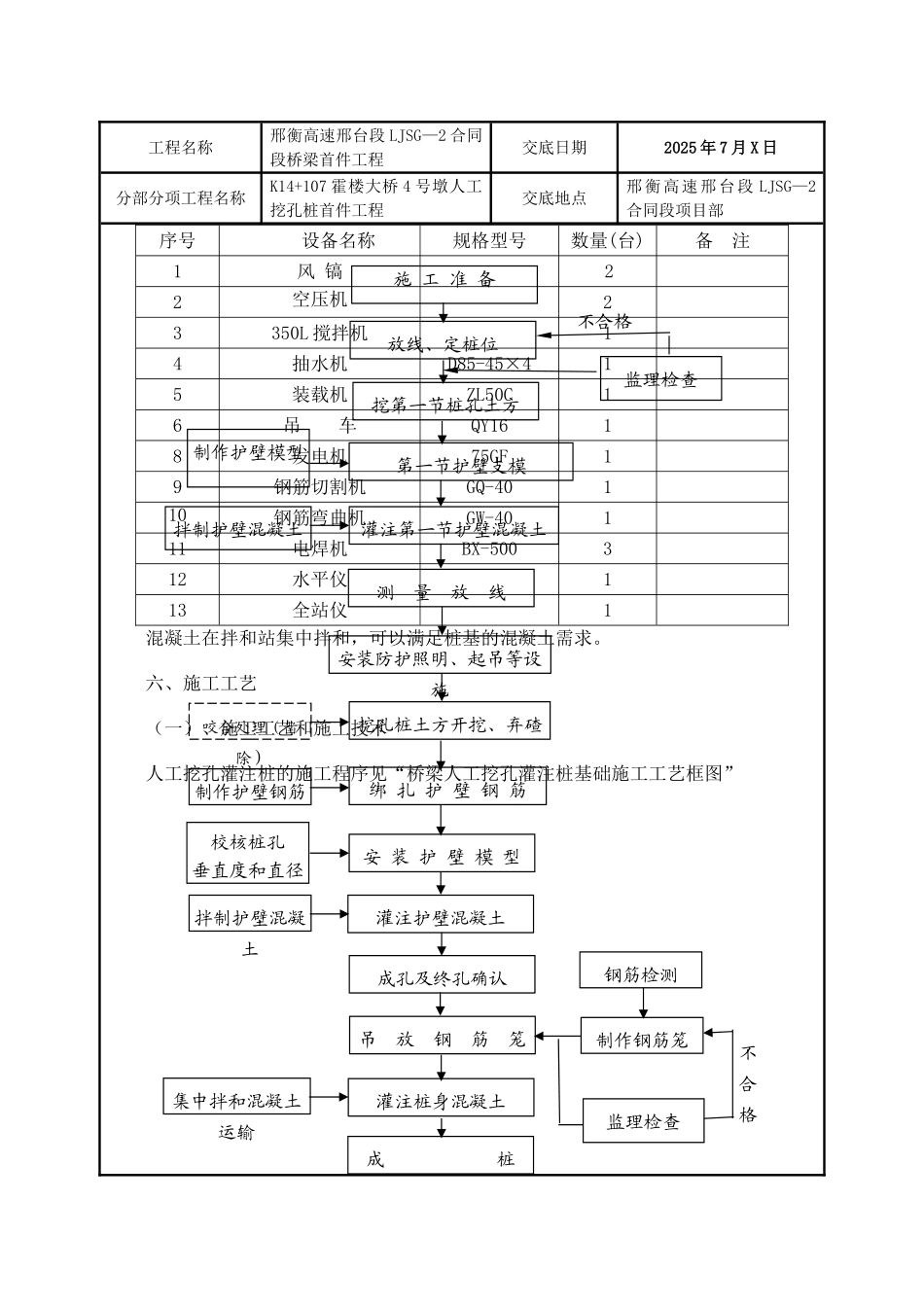
技术交底书施工单位:江西省宜春公路建设集团有限公司 合同号: LJSG—2 监理单位:河北通达监理咨询有限公司 编 号:工程名称邢衡高速邢台段 LJSG—2 合同段桥梁首件工程交底日期2025 年 7 月 X 日分部分项工程名称K14+107 霍楼大桥 4 号墩人工挖孔桩首件工程交底地点邢衡高速邢台段 LJSG—2合同段项目部技术交底内容:一、邢衡高速邢台段 LJSG—2 合同段钻孔灌注桩施工技术交底一、工程概况1、K14+107 霍楼大桥共有 54 根桩基,其中直径为 φ1.5m 的桩基 12 根,直径为1.6m 的桩基 44 根。该大桥桩基均为陆上桩,均按摩擦桩设计。2、本次桩基首件工程选择为 4-2#桩基,该桩基为人工挖孔桩。主要工程数量为:桩长 16m,桩径 1.6m,C25 水下混凝土 32.154m³,钢筋 2983.2kg。二、编制目的为保证本桥桩基工程能优质、高效完成,确保生产计划的顺利实施,特制定桩基工程施工方案,以指导施工,同时使每道施工工序都处于受控状态,保证工程施工的优质性和安全性。三、编制依据1、施工设计图纸、设计文件、设计资料和设计院进行的相关技术交底。2、《公路桥涵施工技术法律规范》(JTJ041-2000);《公路桥涵地基与基础设计法律规范》《JTJ024-85》;《人工挖孔桩施工工艺》;以及总监办、指挥部要求的技术法律规范。3、现场踏勘调查所获得的有关资料。4、我公司拥有的科技工法、管理水平和上场的劳力设备,技术能力,以及长期从工程名称邢衡高速邢台段 LJSG—2 合同段桥梁首件工程交底日期2025 年 7 月 X 日分部分项工程名称K14+107 霍楼大桥 4 号墩人工挖孔桩首件工程交底地点邢衡高速邢台段 LJSG—2合同段项目部事公路建设所积累的丰富的施工经验。四、首件确定参数要求:通过挖孔桩桩首件工程,确定首件施工的各种参数如下:1、确定合理的施工人员和机械配置2、不同地质条件下人工挖孔的合理合理方法3、不同地质条件下的人工的工作效率,及成桩施工效率。4、遇到特别情况下的应急处理方法。五、施工组织与安排1、准备情况目前该桩基复测已全部完成,结果符合法律规范要求。为了能够保质保量按时完成工程,我项目部已组织相关人员和设备积极准备投入施工,具体情况见人员配备及主要机械设备如下:(1)施工人员及施工设备的配置:挖孔灌注桩施工人员配置表序号工种类型数量(人)备注1现场指挥12技术员23测量员24试验员25爆破工16挖孔工33 人一组7钢筋工68混凝土工49电工110普通工6 (2)挖孔灌注桩施工...

1、当您付费下载文档后,您只拥有了使用权限,并不意味着购买了版权,文档只能用于自身使用,不得用于其他商业用途(如 [转卖]进行直接盈利或[编辑后售卖]进行间接盈利)。
2、本站所有内容均由合作方或网友上传,本站不对文档的完整性、权威性及其观点立场正确性做任何保证或承诺!文档内容仅供研究参考,付费前请自行鉴别。
3、如文档内容存在违规,或者侵犯商业秘密、侵犯著作权等,请点击“违规举报”。

碎片内容

某大桥墩人工挖孔桩首件工程技术交底

确认删除?
VIP
微信客服
  • 扫码咨询
会员Q群
  • 会员专属群点击这里加入QQ群
客服邮箱
回到顶部