电脑桌面
添加小米粒文库到电脑桌面
安装后可以在桌面快捷访问

模板满堂支撑安全技术交底

模板满堂支撑安全技术交底_第1页
1/8
模板满堂支撑安全技术交底_第2页
2/8
模板满堂支撑安全技术交底_第3页
3/8
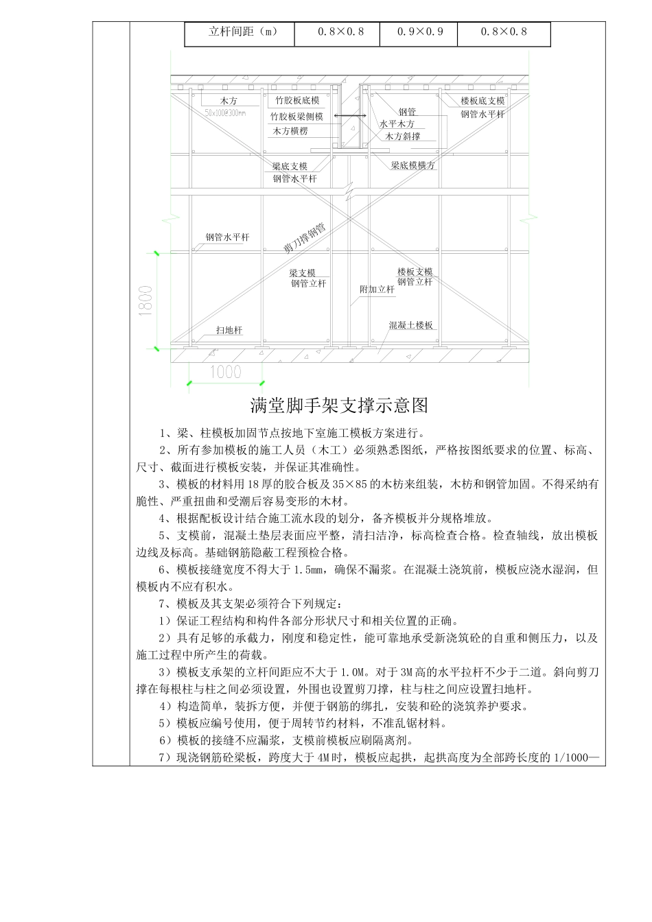
模板满堂支撑安全技术交底工程名称合肥浙商城 25#楼~30#楼施工单位南通建工集团股份有限公司施工部位 二层内支架施工内容模板安拆、满堂脚手架搭设、拆除一般性内容1. 根据模板支撑专项方案的规定作业。2. 模板安装按施工设计进行,严禁随意变动,支顶模板必须有垫块。3. 上层和下层支柱在同一垂直线,模板及其支撑系统在安装过程中,必须设置临时固定设施。4. 立柱全部安装完毕后,应及时加设剪刀撑。5. 安装模板时操作人员应有可靠的落脚点,并应站在安全地点进行操作,避开上下同一垂直面工作,操作人员要主动避让吊物,增强自我保护和互相保护的安全意识。6. 拆除时严格遵守安全规定,高处、复杂结构模板拆除应有专人指挥,严禁非操作人员进入作业区。7. 拆除的模板等材料要及时运走,妥善堆放。8. 拆除板、梁、柱墙模板,在 2m 以上的作业时应搭设脚手架或操作平台,并设防护栏杆,严禁在同一垂直面上操作。9. 安装和拆除柱、墙、梁、板的操作层,从首层以上各层应张挂安全平网。进行拆除作业时,应设置警示标牌。10. 验收合格方可进行作业,未经验收或验收不合格不准做下一道工序作业。11. 遇有六级以上的大风时,应暂停室外的高空作业,雪雷雨后应先清扫施工现场待地面略干不滑时再恢复工作。施工现场针对性交底一、施工准备:1、钢管、扣件、模板材料质量必须符合要求,并且施工前经项目部、监理部检验合格。安装前先检查模板的质量,不符合质量标准的不得投入使用。 2、支架系统:木支架或各种定型桥架、支柱、托具、卡具、螺栓、钢管、扣件等。 3、脱模剂:水质隔离剂。二、施工工艺:本工程梁截面变化多,为便于配模,采纳胶合板配置梁板模,以满足不同结构形状的配模要求。模板支撑均采纳 φ48×3.0mm 钢管搭设室内满堂脚手架,钢管立杆上端加设可调支座,钢管立杆纵横向间距在板底根据板厚的不同而不同,具体尺寸见下表,在距离楼面1800mm 左右设纵横水平杆,并适当加设剪刀撑,在梁底、板底分别设纵横向水平支模杆(梁板支模时应按设计要求将梁板起拱),梁板梁板支模见下图。满堂脚手架立杆间距选用表:板厚(mm)120mm120mm130mm立杆间距(m)0.8×0.8 0.9×0.90.8×0.8扫地杆混凝土楼板钢管立杆楼板支模梁支模钢管立杆梁底模横方木方斜撑水平木方钢管钢管水平杆钢管水平杆梁底支模木方楼板底支模钢管水平杆木方横楞竹胶板底模竹胶板梁侧模剪刀撑钢管满堂脚手架支撑示意图附加立杆1、梁、柱模板加固节点按地...

1、当您付费下载文档后,您只拥有了使用权限,并不意味着购买了版权,文档只能用于自身使用,不得用于其他商业用途(如 [转卖]进行直接盈利或[编辑后售卖]进行间接盈利)。
2、本站所有内容均由合作方或网友上传,本站不对文档的完整性、权威性及其观点立场正确性做任何保证或承诺!文档内容仅供研究参考,付费前请自行鉴别。
3、如文档内容存在违规,或者侵犯商业秘密、侵犯著作权等,请点击“违规举报”。

碎片内容

模板满堂支撑安全技术交底

确认删除?
VIP
微信客服
  • 扫码咨询
会员Q群
  • 会员专属群点击这里加入QQ群
客服邮箱
回到顶部