电脑桌面
添加小米粒文库到电脑桌面
安装后可以在桌面快捷访问

毕业设计任务书工件传送机械手的plc控制模板

毕业设计任务书工件传送机械手的plc控制模板_第1页
1/3
毕业设计任务书工件传送机械手的plc控制模板_第2页
2/3
毕业设计任务书工件传送机械手的plc控制模板_第3页
3/3
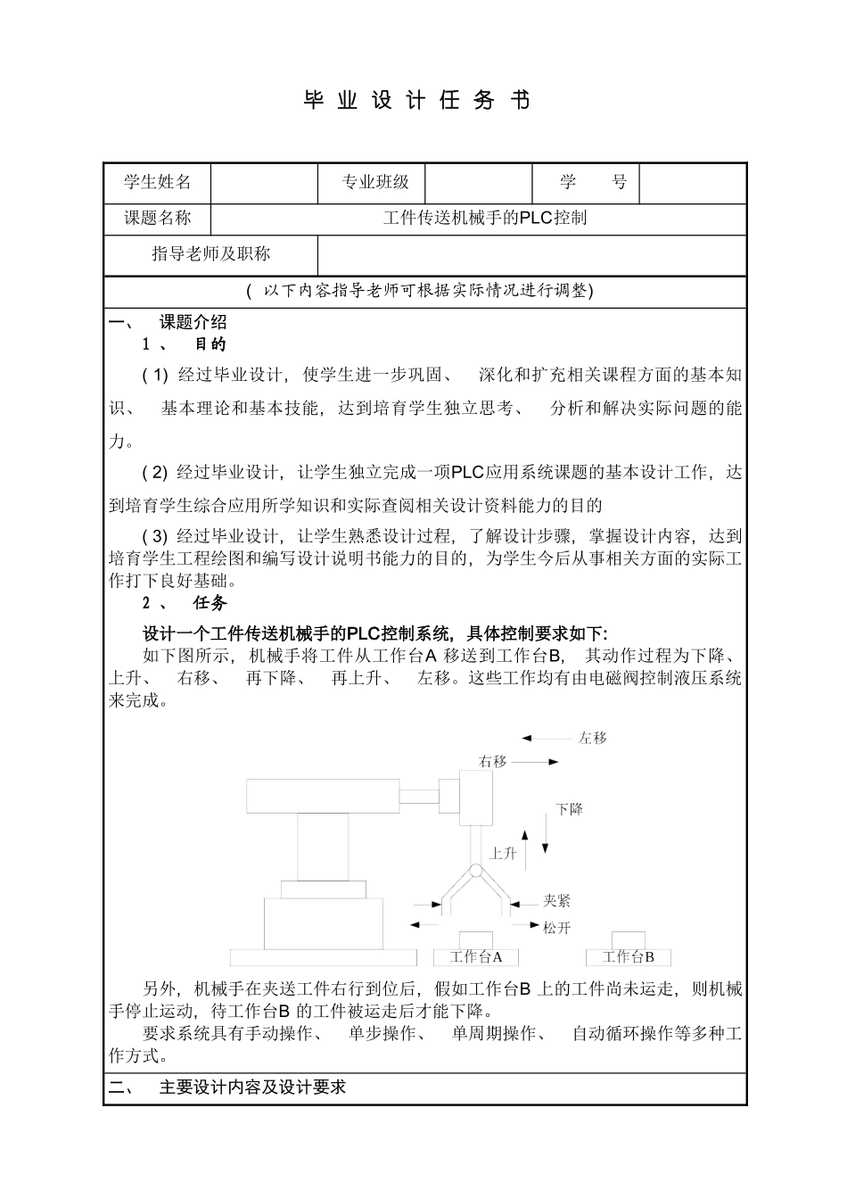
毕业设计任务书工件传送机械手的plc 控制毕 业 设 计 任 务 书学生姓名专业班级学 号课题名称工件传送机械手的PLC控制指导老师及职称( 以下内容指导老师可根据实际情况进行调整) 一、 课题介绍1 、 目的( 1) 经过毕业设计, 使学生进一步巩固、 深化和扩充相关课程方面的基本知识、 基本理论和基本技能, 达到培育学生独立思考、 分析和解决实际问题的能力。( 2) 经过毕业设计, 让学生独立完成一项PLC应用系统课题的基本设计工作, 达到培育学生综合应用所学知识和实际查阅相关设计资料能力的目的( 3) 经过毕业设计, 让学生熟悉设计过程, 了解设计步骤, 掌握设计内容, 达到培育学生工程绘图和编写设计说明书能力的目的, 为学生今后从事相关方面的实际工作打下良好基础。2 、 任务设计一个工件传送机械手的PLC控制系统, 具体控制要求如下: 如下图所示, 机械手将工件从工作台A 移送到工作台B, 其动作过程为下降、 上升、 右移、 再下降、 再上升、 左移。这些工作均有由电磁阀控制液压系统来完成。另外, 机械手在夹送工件右行到位后, 假如工作台B 上的工件尚未运走, 则机械手停止运动, 待工作台B 的工件被运走后才能下降。要求系统具有手动操作、 单步操作、 单周期操作、 自动循环操作等多种工作方式。二、 主要设计内容及设计要求1 、 设计内容1) 熟悉题目、 收集资料。学生按老师下达的具体题目, 充分了解技术要求, 明确设计任务, 收集相关资料, 为设计工作做准备。2) 总体设计。正确选定系统方案, 仔细画出系统总体结构框图3) 软件设计( 程序设计) 。正确选择PLC 型号, 根据控制要求确定I/O 分配图( 分配表) , 画出系统工作流程图, 设计程序( 包括SFC 图、 梯形图、 指令表等) 及编写程序说明, 给出编程元件明细表等。4) 硬件设计( 电气设计) 。画出电气原理图( 含PLC 外部接线图) 、 电气原理图的简要分析, 画出元件布置图、 接线图、 电气互连图, 选择电气元件、 确定电气元件明细表, 控制面板( 操作屏柜) 设计及操作说明等。5) 系统调试6) 整理编写毕业设计说明书2 、 设计要求根据生产设备工作方面及其它方面的需要, 本次设计要达到如下设计要求: (1)要求本次设计的控制装置采纳PLC 技术实现; (2)要能完全满足控制要求; (3)要根据电气设计惯例, 提供短路、 过载、 联锁等故障保护措施; (4)本次设计的控制装置应由操作屏、 电气控...

1、当您付费下载文档后,您只拥有了使用权限,并不意味着购买了版权,文档只能用于自身使用,不得用于其他商业用途(如 [转卖]进行直接盈利或[编辑后售卖]进行间接盈利)。
2、本站所有内容均由合作方或网友上传,本站不对文档的完整性、权威性及其观点立场正确性做任何保证或承诺!文档内容仅供研究参考,付费前请自行鉴别。
3、如文档内容存在违规,或者侵犯商业秘密、侵犯著作权等,请点击“违规举报”。

碎片内容

毕业设计任务书工件传送机械手的plc控制模板

一帆文传+ 关注
实名认证
内容提供者

欢迎光临店铺,各类公文供您挑选。

确认删除?
VIP
微信客服
  • 扫码咨询
会员Q群
  • 会员专属群点击这里加入QQ群
客服邮箱
回到顶部